共用部位、设施设备维护部组织架构共用部位、设施设备维护部副主管(领班)岗位职责岗位职责工作内容要点及备注业务监控1、熟练掌握供电方式...
1。0 工程部主要职能1.1 负责房屋建筑、公共设施、机电设备的管理、维修、保养工作,为质量管理体系的正常运作提供保障。1.2 负责较大规...
物业公司有限空间作业安全技术法律规范一、名词解释:有限空间:指仅有 1 个~2 个人孔即进出口受到限制的密闭、狭窄、通风不良的分隔间(...
xxxx 年,也是本人在 xx 物业有限公司工程部工作的第二年,在这一年的时间里,本人遵纪守法,仔细学习,努力钻研,扎实工作,以勤勤恳恳,...
XX 物业公司部门岗位结构设置与薪酬管理实施办法(暂行)为有效适应公司业务拓展、法律规范物业公司基础管理工作、有效发挥薪酬的激励功能...
物业工程部岗位职责(一) 1、负责机电安装、维修工程的日常维护工作,确保管理区域的供水、供电、设备运行正常. 2、贯彻执行公司制定的规...
工程维修部工作手册编 号: CBREXH-GZ-EM-04版本/状态: A/1编 制:审 核:批 准:生效 日期: 二〇一四年七月一日***物业管理服务有限...
工程报修单□有偿 □无偿 编号:维修地点报修时间预约服务时 间客户名称联系人及电话维修内容 报修人:耗用材料名称数量单价小计材料费...
前期介入工作要点一)、招聘关键岗位人员时间:在交付前两个月,或者外网施工开始时,关键岗位人员应到岗。包括各部门主管、工程人员等。会计...
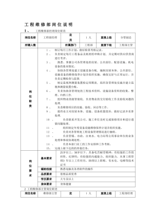
工 程 维 修 部 岗 位 说 明1 、工程维修部经理岗位职责岗位名称工程部经理定 员1 人直接上级分管副总所辖人数所属部门工程部直...
物业经理岗位职责说明书职位物业部经理部门物业管理部直接主管总经理主要任务为电商提供优质、快捷的服务,及时收取管理费用。职责内容1....
工具管理标准作业规程一、目的法律规范机电维修部工具管理工作,确保机电维修部工具完整及各项性能完好.二、适用范围适用于物业管理处机电...
物业公司工作计划书范文 物业工作计划书范文 有效实施各项业务工作,现拟定以下工作计划: 一、三个小区公共事务方面 1、全面推行租赁经...
物业公司岗位职责一、经理岗位职责仔细贯彻执行公司经营方针、政策;制订本小区管理方案及实施细则;确定本小区年度工作总体计划和实施细则...
物业公司工作计划书范文 物业工作计划书范文 有效实施各项业务工作,现拟定以下工作计划: 一、三个小区公共事务方面 1、全面推行租赁经...
物业公司工作计划书在送旧迎新之际,物业公司在回顾 XX 年工作开展的基础上,总结经验,找出不足,以更加务实的态度,积极配合集团经营的...
物业公司工作计划 篇一:物业公司工作计划 20XX 年上半年,在开发区管委会及总公司的支持和领导下,到目前为止我们已完成营业收入 230...
物业项目主管/经理工作审批流程员工入职流程:员工离职流程:项目招聘流程一线员工转正流程管理人员转正行政人员转正车辆维修申报流程项目用...
物业部各岗位职责一、 总经理助理岗位职责:1. 熟悉和掌握公司的情况,严格执行公司操作规程并不断改进及完善公司管理。2. 协调主管部门...
一 业主服务中心流程图共计:20 个中心流程住户入住控制流程图业主装修控制流程图用户报修(保修)控制流程图用户投诉控制流程...

