电脑桌面
添加小米粒文库到电脑桌面
安装后可以在桌面快捷访问

项目经理薪酬方案细则VIP免费

项目经理薪酬方案细则_第1页
1/7
项目经理薪酬方案细则_第2页
2/7
项目经理薪酬方案细则_第3页
3/7
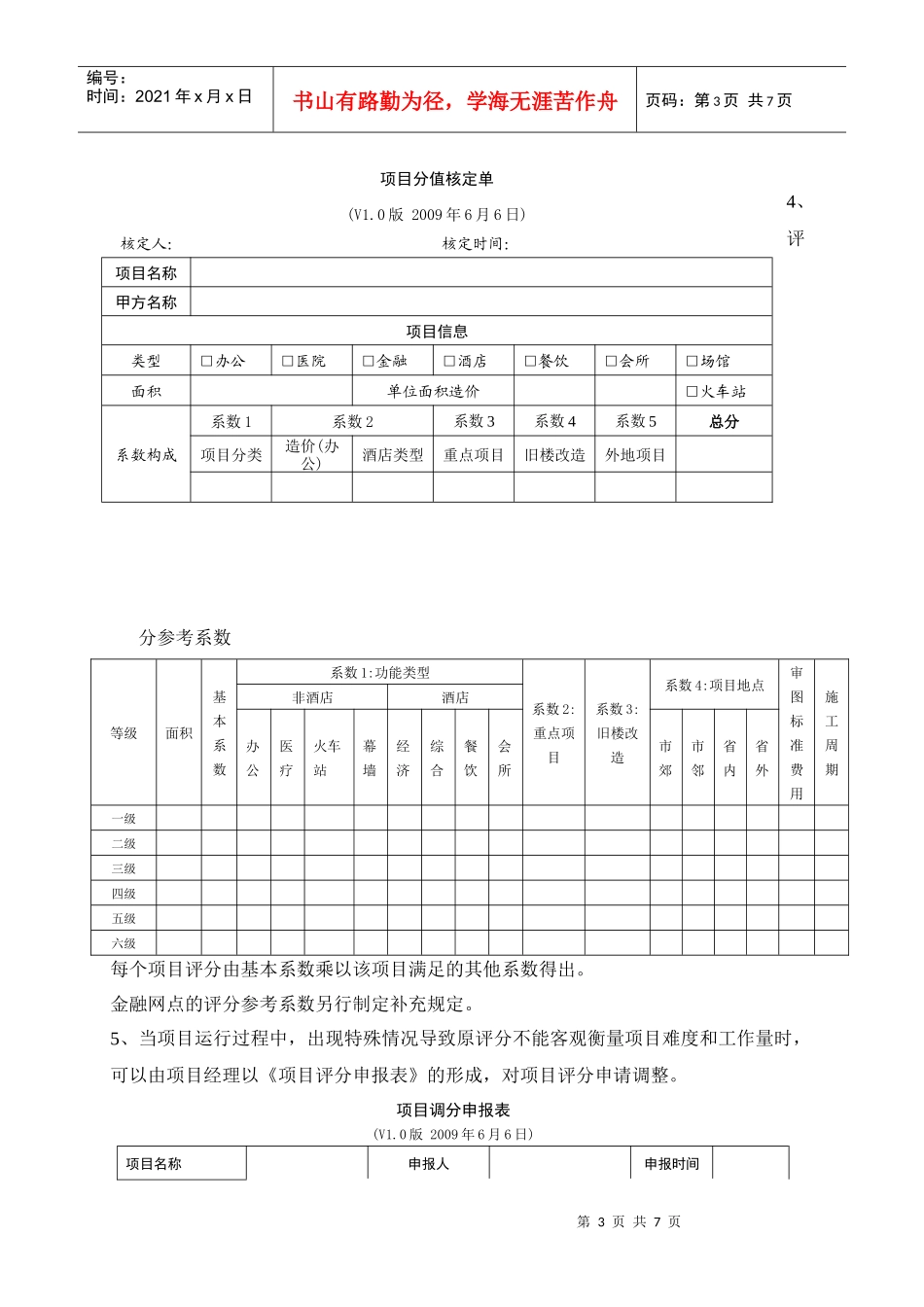
第1页共7页编号:时间:2021年x月x日书山有路勤为径,学海无涯苦作舟页码:第1页共7页项目经理薪酬方案一、基本原则随着公司业务的快速发展和重点业务类型的阶段性调整,项目部的工作重心逐渐转向项目回款和公司品牌的优化,及时回款、有效控制成本、实现利润增长是公司做大的根本前提,品牌优化是公司做强的长远战略。本次薪酬方案改革着重体现对项目经理回款职责的加速激励,对项目维护奖励系数的优化调整,对后续业务重要性、火车站业务类型重要性的强调。二、薪酬构成:级别工资+项目维护奖金+回款提成+工龄工资+年终奖+福利1、薪酬基本构成保持不变。2、对比例结构作适当调整。级别工资:项目维护奖金:回款比值为4:3:3三、薪酬等级:1、级别工资级别级别工资定级标准一级3000元根据上一年度达成回款目标,达成大型项目目标,达成项目难度系数目标的情况核定。二级2500元三级2200元四级1800元五级1500元1)上一年度回款能力低于80万以下的直接定为五级;2)上一年度坏账总金额超过30000元的直接定为五级;3)降职待定。向上靠级1、经公司审批后,无坏账的项目经理可向上靠一级;2、经公司审批后,无投诉的项目经理可向上靠一级;3、经公司审批后,后续业务排在第一位的项目经理可向上靠一级。第2页共7页第1页共7页编号:时间:2021年x月x日书山有路勤为径,学海无涯苦作舟页码:第2页共7页向下降级1、上一年度坏账总金额达到10000元的项目经理下降一级;2、上一年度有责投诉达到3起的项目经理下降一级;上一年度有责投诉超过5起以上的项目经理下降两级;3、没有后续业务的项目经理下降一级。2、定级标准回款目标大型项目目标项目难度系数目标一级二级三级四级3、薪酬等级每年年初和年中评定2次,具体时间视考核数据核算安排定,2次评定中间对薪酬等级不予调整。四、项目维护奖金考核1、月项目维护奖金=月项目维护进度*项目评分*每分奖金金额2、项目维护进度划分为五档,每档对应月发放比例档位标志对应比例一档效果图完成30%二档施工图完成30%三档现场服务完成25%四档尾款收回5%五档验收资料完成10%3、项目评分是对项目难度和工作量的衡量,每个项目任务下达的同时以《项目分值核定单》的形式通知项目经理。第3页共7页第2页共7页编号:时间:2021年x月x日书山有路勤为径,学海无涯苦作舟页码:第3页共7页4、评分参考系数等级面积基本系数系数1:功能类型系数2:重点项目系数3:旧楼改造系数4:项目地点审图标准费用施工周期非酒店酒店办公医疗火车站幕墙经济综合餐饮会所市郊市邻省内省外一级二级三级四级五级六级每个项目评分由基本系数乘以该项目满足的其他系数得出。金融网点的评分参考系数另行制定补充规定。5、当项目运行过程中,出现特殊情况导致原评分不能客观衡量项目难度和工作量时,可以由项目经理以《项目评分申报表》的形成,对项目评分申请调整。项目调分申报表(V1.0版2009年6月6日)项目名称申报人申报时间项目分值核定单(V1.0版2009年6月6日)核定人:核定时间:项目名称甲方名称项目信息类型□办公□医院□金融□酒店□餐饮□会所□场馆面积单位面积造价□火车站系数构成系数1系数2系数3系数4系数5总分项目分类造价(办公)酒店类型重点项目旧楼改造外地项目第4页共7页第3页共7页编号:时间:2021年x月x日书山有路勤为径,学海无涯苦作舟页码:第4页共7页跟进时间年月(以前后P项目交接会时间为准)项目进度□效果图阶段□施工图阶段□现场服务阶段□竣工已核定分值分(项目分值核定单附后)申报理由部门主管意见董事长审批6、每分奖金金额为375元。五、回款考核后期项目经理按项目合同总价*0.8后的回款金额提成(回款提成金额),国营项目的提点为1%,私营项目的提点为1.2%。月回款提成=当月回款提成金额*项目提点,在回款当月的工资中核发。六、年终奖:1、基本年终奖:月度奖金是对员工日常工作业绩的及时奖励,基本年终奖是对员工综合素质评价和自我完善与发展作出的年度奖励,在每年春节前发放,中途离职的员工不享受基本年终奖。基本年终奖=级别工资*3*评价系数*服务年限系数,评价系数指年终被评为优秀(总人数的15%)的按1.2发放,评为良好(总人数的70%)的按1发放,...

1、当您付费下载文档后,您只拥有了使用权限,并不意味着购买了版权,文档只能用于自身使用,不得用于其他商业用途(如 [转卖]进行直接盈利或[编辑后售卖]进行间接盈利)。
2、本站所有内容均由合作方或网友上传,本站不对文档的完整性、权威性及其观点立场正确性做任何保证或承诺!文档内容仅供研究参考,付费前请自行鉴别。
3、如文档内容存在违规,或者侵犯商业秘密、侵犯著作权等,请点击“违规举报”。

碎片内容

项目经理薪酬方案细则

确认删除?
VIP
微信客服
  • 扫码咨询
会员Q群
  • 会员专属群点击这里加入QQ群
客服邮箱
回到顶部