电脑桌面
添加小米粒文库到电脑桌面
安装后可以在桌面快捷访问

北京某酒店工程施工组织设计VIP免费

北京某酒店工程施工组织设计_第1页
1/39
北京某酒店工程施工组织设计_第2页
2/39
北京某酒店工程施工组织设计_第3页
3/39
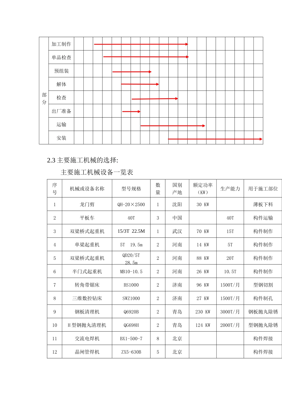
编 制 说 明1、编制依据(1) 北京工体酒店钢结构工程施工图纸;(2) 我国现行的有关钢结构工程的规范、标准、图集;(3) 业主对本工程的有关施工要求;2、拟使用国家及地方规范清单(1)《钢结构设计规范》 (GB50017-2003)(2)《低合金钢高强度结构钢》(GB/T1591-94);(3)《碳素结构钢和低合金钢热轧厚钢板和钢带》(GB/T3274-1998);(4)《碳素结构钢》(GB700-88);(5)《低合金钢焊条》(GB/T5118-95);(6)《碳素钢焊条》(GB51117-85);(7)《气体保护焊用钢丝》(GB/T14958);(8)《建筑工程施工质量验收统一标准》(GB50300-2001);(9)《建筑钢结构焊接技术规程》(JGJ81-2002);(10)《钢结构工程施工质量验收规范》(GB50205-2002);(11)《门式刚架轻型房屋钢结构技术规程》(CECS102:2002)。(12)《工程测量规范》(GB50026-93);(13)《碳钢焊条》GB5117—85;(14)《建筑施工高处作业安全技术规范》JGJ80—91;(15)《建筑机械使用安全技术规程》JGJ33—86;(16)《施工现场临时用电安全技术规范》JGJ46—88;第一章 工程概况 本工程为北京工体酒店屋顶钢结构工程,为全钢结构框架,长度为57.74 米,宽度为 20.9 米,建筑面积:1200 平方米。本工程为轻钢结构。采 用 三 种 型 号 钢 柱 , 其 中 钢 柱 1 为 H400×400×25×25 、 钢 柱 2 为H300×600×25×25、钢柱 3 为 H300×300×10×10,钢材均为 Q235B。两种型号钢梁,其中钢梁 1 为 H700×250×10×16,钢材为 Q235B;钢梁 2为 H700×250×12×18,钢材为 Q345B。钢柱为焊接 H 型柱,钢梁为焊接H 型钢梁。本工程施工范围:北京工体酒店屋顶钢结构主钢架部分的制作与安装。第二章 施工总体布署为了合理地安排,组织好施工,根据本工程自身的特点,结合实际情况,本工程流水法施工。钢结构采取分批分段施工。2.1 施工布署: 本工程施工包括施工准备及钢结构施工两个阶段。2.1.1 施工准备阶段:包括施工现场准备、技术准备、材料准备、劳动力和工机具准备,均在工程开工之前完成。2.1.2 钢结构施工阶段:包括钢结构加工制作、运输、吊装、安装、校正、涂刷油漆、等,均组织好流水施工。2.2 施工顺序和进度计划: 2.2.1 本工程施工顺序如下:钢结构部分:材料检验—材料矫直—放样—号料—切割—加工(矫正、成型、制孔)--对接(焊接)--X 光检验—校正—组装—焊接—校正—划线—制孔—除锈—试装—装配—质量检验--涂层--编号...

1、当您付费下载文档后,您只拥有了使用权限,并不意味着购买了版权,文档只能用于自身使用,不得用于其他商业用途(如 [转卖]进行直接盈利或[编辑后售卖]进行间接盈利)。
2、本站所有内容均由合作方或网友上传,本站不对文档的完整性、权威性及其观点立场正确性做任何保证或承诺!文档内容仅供研究参考,付费前请自行鉴别。
3、如文档内容存在违规,或者侵犯商业秘密、侵犯著作权等,请点击“违规举报”。

碎片内容

北京某酒店工程施工组织设计

确认删除?
VIP
微信客服
  • 扫码咨询
会员Q群
  • 会员专属群点击这里加入QQ群
客服邮箱
回到顶部