拖动LOGO至书签栏,立即收藏小米粒文库
首页
党建公文
汇报报告
综合大类
党性分析
乡村振兴
意识形态
调查研究
党建工作
思想汇报
剖析整改
典型案例
换届选举
自我评价
主题教育
先进事迹
述职述廉
自查报告
通知报告
心得体会
综合大类
经验交流
观后感
读后感
学习体会
主题教育
教育整顿
总结计划
综合大类
工作计划
安全生产
教育整顿
主题教育
意识形态
党建工作
党风廉政
年终总结
季度半年
讲话发言
讲话稿
发言稿
演讲稿
主持词
致辞
党课讲稿
教育整顿
主题教育
廉政建设
慰问信
竞职竞聘
研讨材料
表彰大会
任职表态
安全生产
灾害防治
金融会议
组织生活
对照检查
批评意见
方案报告
讲话发言
谈心谈话
主持词
电脑桌面
添加小米粒文库到电脑桌面
安装后可以在桌面快捷访问
立即添加
上传文档
开通会员
限时优惠
充值
登录 | 注册
雏圣文化
个人创作者
实名认证
内容提供者
欢迎光临,大量办公文档供您挑选。
关注
收藏
海报
分享
微信扫码分享
或点击分享到
QQ空间
QQ好友
新浪微博
首页
文档
文章
资料
文档
20P
混凝土小型空心砖填充墙裂缝控制施工工法
58
20P
混凝土外观质量缺陷产生原因预防处理措施
161
4P
混凝土墙内电气管线预埋技术
175
4P
混凝土地坪工程施工中的注意事项
53
3P
混凝土及抹灰表面施涂油性涂料施工工艺
130
3P
混凝土加工合同范本
51
5P
混凝土冬季施工和电热毯养护
198
5P
混凝土养护与拆模监控要点
123
2P
深松秋整地合同-精品文案范文
198
4P
深基坑联合支护结构在郑州市某工程中的设计与应用
76
12P
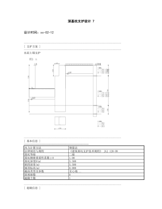
深基坑支护设计计算书
143
2P
深基坑支护方案-精品文案范文
155
首页
上页
79
80
81
82
83
下页
尾页
0
粉丝
0
关注
0
收藏
19
人气
阅读排行
复旦版《2025年度中国医院排行榜》完整版
《大家一起来》讲述一家人共享天伦之乐的故事。-天伦之乐的意思
《中小学教育惩戒规则》重点内容全面解读(全文内容)2024年3月1日起实施讲稿
女性生殖器称谓
打赌输了被暗恋的人摆布集合6篇
辅警谈心谈话一问一答内容7篇
光猫如何恢复出厂设置
养殖户要谨防临产母猪外阴水肿病
关于接收预备党员会议记录的模板
螺旋输送机绞龙叶片下料CAD画法及计算公式
确认删除?
VIP
微信客服
扫码咨询
会员Q群
会员专属群
客服邮箱
客服邮箱
xiaomilidoc@163.com
回到顶部