(一)、施工工艺及流程: 绿化灌工程施工工艺流程图 (图见附件) 灌溉工程施工主要就是与绿化工程相配合。同时道路工程与绿化灌溉工程...
目 录XX 奥体中心室外沥青基层工程建设工程施工合同发包人:XX 市城市建设投资有限公司 承包人:XXXX 路桥工程公司 XXXX 年十月第一...
合肥高新区永和家园二期室外工程施工招 标 文 件 招标编号:2025GCGZ1151 招标单位:合肥高新城创建设投资有限公司合肥招标投标中心二...
应答文件递交场所名称:北京国际贸易公司 [北京国际贸易公司一层开标室(北京建国门外大街甲 3 号)]工程名称:北京师范大学化学楼东南...
百家汇玄武创新药物孵化平台一期室外综合管网、道路、景观工程 施 工 组 织 设 计 编制单位: 江苏华苑环境建设有限公司 日 期:...
高科·总部壹号一期工程室外景观和屋顶绿化工程施工方案编制单位:株洲高科建设工程有限公司二 0 一四年六月目 录1、编制总则2、工程...
3D 游戏引擎中的室外大场景渲染技术讨论与实现关键字: 室外场景渲染 LOD 技术 GeoMipMap 场景管理 多纹理混合3D 游戏特别是网络在...
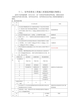
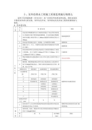
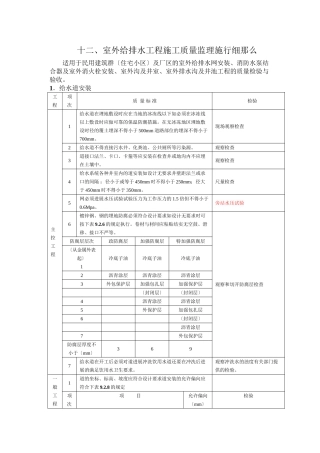
试述住宅小区室外排水系统的常见问题试述住宅小区室外排水系统的常见问题 摘要:居民住宅的排水系统包括了室内排水系统和室外排水系统,其...
第一篇室外拓展培训心得体会 室外拓展培训心得体会 2025 年 5 月 25 日和 26 日,是个值得纪念的日子。公司为了增强全体员工之间...
[幼儿园中班体育教案] 中班室外体育教案 20篇 幼儿园中班体育教案幼儿园中班体育教案设计意图: 冬天来临,幼儿会自然地感受到气候的变...
一、施工方案根据招标文件,结合现场实际,制定科学合理的施工方案,保证工程的正常施工和开通使用。(一)、室外临时用电基础及设备的安装...
专项施工方案报验申请表工程名称:马鞍山市云河贸易有限责任公司新建项目 编号:致:马鞍山市云河贸易有限公司 我方已根据施工合同的有关规...
室外电梯租赁合同(标准版合同模板)甲 方:** 单位或个人 乙 方:** 单位或个人 签订日期: ** 年 ** 月 ** 日 签订地点: ...
室外场地出租合同展场经营单位(下称“甲方”)_________地址:_________________________________电话:________________________________...
室外电梯出租合同甲方(出租方):乙方(承租方):甲乙双方就乙方租赁甲方电梯轿厢设置看板媒体(以下简称“看板”)、刊发广告一事进行友...
合同编号: 室外灯具购销通用版合同甲 方: 乙 方: 签约时间: Word 模板 A4 打印 标准格式 可随意修改室外灯具购销通用版合同...
室外灯具购销合同样本编号:____________采购单位(甲方):____________供应商(乙方):____________鉴证方:____________根据《中华人民共和...
室外广告位租赁合同书甲方:___________乙方:___________甲乙双方本着互惠互利、平等和友好协商的原则,就乙方租用甲方的户外广告位作广告宣...
室外广告位出租合同甲方(承租方):乙方(出租方):根据《中华人民共和国合同法》、《中华人民共和国广告法》及其他法律、法规之规定,在...
团队室外拓展训练项目 拓展训练是指通过专业的机构,对久居城市的人进行的一种野外生存训练。我为大家分享的团队室外拓展训练项目,欢迎大...

