电脑桌面
添加小米粒文库到电脑桌面
安装后可以在桌面快捷访问

伺服驱动器外部接线及详细说明

伺服驱动器外部接线及详细说明_第1页
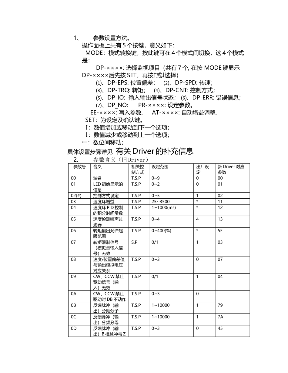
1/14
伺服驱动器外部接线及详细说明_第2页
2/14
伺服驱动器外部接线及详细说明_第3页
3/14
伺服驱动器外部接线及详细说明(14 页)Good is good, but better carries it.精益求精,善益求善。一、伺服驱动器外部接线及说明。 INHSRV-CTRLOZ-OZ+S-RDYALMPLC COINSRV-ONCOM-外部电源(DC 24V)COM+PULS1PULS2SRV-CTRLSIGN1 SIGN2说明:1、SRV-CTRL 指 PLC 的伺服控制模块;2、以→指向者为输入,以←指向者为输出。3、各信号含义如下:INH: 禁止输入脉冲指令(开路时禁止);OZ-: Z 相输出;OZ+: Z 相输出;S-RDY: 伺服驱动器已准备就绪;ALM: 伺服驱动器故障报警;COIN: 定位已完成;SRV-ON: 伺服驱动器“开”信号;COM-: 电源负极;COM+: 电源正极; PULS1: 指令脉冲输入端;PULS2: 指令脉冲输入端; SIGN1: 指令脉冲符号输入端;SIGN2: 指令脉冲符号输入端;二、参数说明:1、参数设置方法。操作面板上共有 5 个按键,意义如下: MODE:模式转换键,按此键可在 4 个模式间切换,这 4 个模式是:DP-××××: 选择监视项目(共有 7 个, 在按 MODE 键显示 DP-××××后先按 SET,再按↑或↓选择)⑴、DP-EPS: 位置偏差; ⑵、DP-SPD: 转速;⑶、DP-TRQ: 转矩; ⑷、DP-CNT: 控制方式;⑸、DP-IO: 输入输出信号状态; ⑹、DP-ERR: 错误信息;⑺、DP_NO: PR-××××: 设定参数。 EE-××××: 写入参数。 AT-××××: 自动增益调整。 SET:为设定及确认键。 ↑:数值增加或移动到下一个选项; ↓:数值减少或移动到上一个选项; ←:数位间移动; 具体设置步骤详见 有关 Driver 的补充信息2、参数含义(旧 Driver)参数号含义相关控制方式设定范围出厂设定新 Driver 对应参数00轴名T.S.P0~900001LED 初始显示的信息T.S.P0~200102(#)控制方式设定T.S.P0~510203速度环增益T.S.P25~3500*1104速度环 PID 控制的积分时间常数T.S.P1~1000(ms)*1205速度检测噪声过滤器T.S.P0~441306转矩输出允许超限范围T.S.P0~400(%)*5E07转矩限制信号(模拟量输入信号)无效S.P0/110308速度/位置偏差值与输出模拟电压对应关系T.S.P0~300709CW、CCW 禁止驱动信号(输入)无效T.S.P0/11040ACW、CCW 禁止驱动时 DB 不动作T.S.P0~300B反馈脉冲(输出)分频分子T.S.P1~100001790C反馈脉冲(输出)分频分母T.S.P1~1000017A0D反馈脉冲(输出)B 相脉冲与 ZT.S.P0~3045相脉冲、A 相脉冲的关系10加减速时间S0~5000058/5912到达速度T.S0~10000(r/min)10006213速度指令(输入)增益T.S10~...

1、当您付费下载文档后,您只拥有了使用权限,并不意味着购买了版权,文档只能用于自身使用,不得用于其他商业用途(如 [转卖]进行直接盈利或[编辑后售卖]进行间接盈利)。
2、本站所有内容均由合作方或网友上传,本站不对文档的完整性、权威性及其观点立场正确性做任何保证或承诺!文档内容仅供研究参考,付费前请自行鉴别。
3、如文档内容存在违规,或者侵犯商业秘密、侵犯著作权等,请点击“违规举报”。

碎片内容

伺服驱动器外部接线及详细说明

您可能关注的文档

不二商店+ 关注
实名认证
内容提供者

我是你的不二选择

确认删除?
VIP
微信客服
  • 扫码咨询
会员Q群
  • 会员专属群点击这里加入QQ群
客服邮箱
回到顶部