自粘式防水卷材施工施工技术交底工程名称厦门市禾山路下穿铁路通道工程部位自粘式防水卷材施工一、基层要求:1、衬砌背后先施作3cm 的砂浆...
自粘式防水卷材施工工法防水工程的施工质量直接影响到建筑物的使用,甚至结构安全。随着建筑技术的发展, 对建筑物防水的施工质量、 环保...
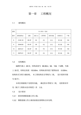
融侨城 Ι 期 B2 区 8#、9#、10#、 11#工程- 1 - 第一章工程概况1.1建筑概况建筑编号本工项目一览表建筑面积㎡层数高度 m 工程...
屋面防水施工方案TPO自粘(理工大学)
技 术 交 底 记 录 表C2-1 资料编号 工 程 名 称 北闸口镇云著花园项目 交底日期 2018 年 4 月 1 日 施工单位 福建宏...
屋 面 SBS 自 粘 防 水 卷材施工方案 屋面防水工程施工方案 第一章 编制前言 一、编制说明 防水体系是否完好将直接影响到建筑...
下载后可任意编辑王牌防水自粘预铺式卷材施工方案1下载后可任意编辑王牌预铺式高分子防水卷材施工工艺一、 产品要求1) 成卷卷材应卷紧、...
下载后可任意编辑双面自粘橡胶改性沥青聚酯胎防水卷材施工方案12024 年 4 月 19 日下载后可任意编辑1 工程概况浦东古北御庭酒店公寓...
下载后可任意编辑自粘高分子防水卷材施工技术交底12024 年 4 月 19 日下载后可任意编辑自粘卷材施工技术交底工程名称黄冈产业园棚户区...
下载后可任意编辑自粘防水卷材施工技术交底12024 年 4 月 19 日下载后可任意编辑技 术 交 底 记 录编号:工程名称XX 花园施工单...
下载后可任意编辑自粘湿铺防水卷材施工方案12024 年 4 月 19 日下载后可任意编辑自粘(湿铺)防水卷材施工方案1 前言高分子自粘橡胶...
下载后可任意编辑自粘施工方案完整1单面反应粘接型高分子防水卷材1 前言 防水工程的施工质量直接影响到建筑物的使用, 甚至结构安全。随...
屋面防水一、作业条件:1、基层必须牢固,无松动现象;表面应平整、牢固、干燥;阴阳角处均应做成圆弧形(半径 50mm)。2、每部位屋面施工...
. . . 湿铺自粘防水卷材简介及施工工艺成都桂湖防水保温工程有限公司二 0 一七年九月十日. . . 湿铺自粘卷材简要分析一、湿铺自粘...
湿铺/ 预铺自粘防水卷材施工方案一、 产品介绍湿铺/ 预铺自粘防水卷材是目前国内防水市场推广的卷材系列的首选产品,它以独特的粘结机理...
下载后可任意编辑防水卷材技术交底工程名称:经开区国际金融商业中心施工班组:防水班施工部位:地下室底板、地下室剪力墙外侧板、交底人: ...
下载后可任意编辑中国电子科技集团公司第十讨论所驻京办事处办公楼屋 面 防 水 工 程施工方案 北京远大洪雨防水工程有限公司北京远大...
下载后可任意编辑 精品文档下载 最新资料,word 文档,可以自由编辑!!下载后可任意编辑【本页是封面,下载后可以删除!】自粘聚合物改...
下载后可任意编辑目 录1 编制依据..........................................................12 工程概况及材料简介....................
下载后可任意编辑AU3 自粘橡胶沥青防水卷材 AU3 无胎自粘防水卷材,是将特别配方合成的自粘聚合物改性橡胶沥青制成能长久自粘的防水卷材...

