车库顶板耐根穿刺防水工程项目施 工 方 案施工单位: 单位地址: 联系电话: 目 录一、设计依据及原则...............................
地下室顶板而施穿刺防水工程编制:审核:批准:目 录错误味.定义书.签。二、编制目的 3工组织设计与方案一、编制依据四 、 施工准备 4...
车库顶板耐根穿刺防水工程项目施 工 方 案施工单位: 单位地址: 联系电话: 目 录一、设计依据及原则...............................
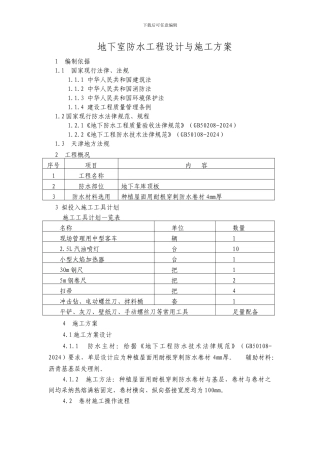
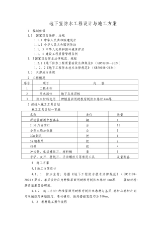
地下室防水工程设计与施工方案1 编制依据1.1 国家现行法律、法规1.1.1 中华人民共和国建筑法1.1.2 中华人民共和国消防法1.1。3 中华人...
一、方案编制依据1、《屋面工程技术规范》国家标准(GB50345-2012)2、《屋面防水施工技术规程》(DBJ01-93-2004)3、《城市园林绿化工程施工及...
梧桐新苑车库顶板防水工程施工方案〔丙纶耐根穿刺防水卷材〕 潍坊市宏源防水材料 2024 年 2 月 26 日目 录第一章 编制依据及编制...
目 录 第一节 概述…………………………………………………………01 一、工程概述…………………………………………………… 01 二、...
内增强型防水卷材耐根穿刺防水卷材)一万案二材料介绍三施工工艺四质量控制措施五质量控制网络六工期和工程进度保证措施七安全文明施工和环...
本工程拟采取的主要技术措施材料选用:4mm 厚 SBS 耐根穿刺防水卷材干铺聚酯纤维无纺布一层1. 基层清理1)基层表面应坚实具有一定的强...
ARC 聚合物改性沥青耐根穿刺防水卷材 【产品特征】 雨虹牌ARC 聚合物改性沥青耐根穿刺防水卷材是以长纤聚酯纤维毡、特殊复合铜胎基或铜...
车库顶板耐根穿刺防水工程项目 施 工 方 案 施工单位: 单位地址: 联系电话: 2 目 录 一、设计依据及原则 ....................
SBS改性沥青卷材屋面防水工程施工工艺 广东科顺化工实业有限公司 1 目 录 1 编制说明及编制依据 ....................................
PVC 内增强型防水卷材ZPV 耐根穿刺防水卷材)(目录一 方案二 材料介绍三 施工工艺四 质量控制措施五 质量控制网络六 工期和工程进...
下载后可任意编辑耐根穿刺防水卷材施工方案12024 年 4 月 19 日下载后可任意编辑地下室防水工程设计与施工方案1 编制依据1.1 国家现...
车库顶板耐根穿刺防水工程项目施 工 方 案施工单位: 单位地址: 联系电话: 目 录一、设计依据及原则...............................
下载后可任意编辑地下室防水工程设计与施工方案1 编制依据1.1 国家现行法律、法规1.1.1 中华人民共和国建筑法1.1.2 中华人民共和国消防...
诚 信 永 松 雨 顺 天 下 1 SBS橡胶改性沥青防水卷材 施工工艺 云南永松建筑材料有限公司 诚 信 永 松 雨 顺 天 下 2...
2/13一、编制依据............................................3二、编制目的............................................3三、组织机构...
耐根穿刺防水卷材目录耐根穿刺防水卷材简介耐根穿刺防水卷材种类耐根穿刺防水卷材行业标准耐根穿刺防水卷材简介由于传统防水卷材以及普通高...
.本工程拟采取的主要技术措施材料选用:4㎜厚SBS耐根穿刺防水卷材干铺聚酯纤维无纺布一层1.基层清理1)基层表面应坚实具有一定的强度,清洁...

