环保油助剂供货合同 供方:____________ 地址:____________邮码:____________电话:____________ 法定代表人:____________职务:____...
橡塑助剂有限公司质量手册编号:Q/CXZ-0101- 质 量 手 册分发序号:受控状态:朝阳好优达橡塑助剂有限公司 06 月 01 日发布 06 月 ...
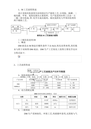
1、M 工艺流程简述设计采纳有机溶剂全封闭清洁生产提纯工艺,以苯胺、硫磺、二硫化碳、甲苯、氢氧化钠为主要原料。生产促进剂 M 得工艺由...
染色常用助剂 一: 酸 类 1:硫酸 分子式 H2SO4 无色或棕色得油状液体,强氧化剂,腐蚀性机吸水性极强,遇水大量放热,稀释时必须将...
常用染整用助剂之作用(3页)Good is good, but better carries it.精益求精,善益求善。常用染整用助剂之作用1.精练剂:具有渗透及洗...
化工助剂企业突发环境事件风险等级1 分级程序根据企业生产、使用、存储和释放的突发环境事件风险物质数量与其临界量的比值(Q),评估生产...
金溪进大精细化工有限公司系列化工助剂项目可行性研究报告二 OO 八年叁月目 录第一章 总论.............................................
山东阳谷华泰化工股份有限公司年产 6500 吨新型橡胶助剂项目可行性讨论报告二〇一一年七月1目录第一章 总论---------------------------...
目 录第一章 项目概况..............................................21.1 项目名称...................................................
年产 4000 吨人造革、革基布助剂生产线项目可行性研究报告 松阳县东泰助剂实业有限公司(筹)二 O 一 O 年十月目 录第一章 项目概...
目 录第一章 项目概述………………………………………… 3 第二章 市场需求及建设规模…………………………… 10 第三章 原辅材料...
下载后可任意编辑,修改 年产 4000 吨人造革、革基布助剂生产线项目可行性研究报告 XX 县 XX 助剂实业有限公司(筹)二 O 一 O ...
沙县 XX 化工有限公司3000 吨化学试剂助剂(硫酸类)项目可行性讨论报告沙县 XX 化工有限公司3000 吨化学试剂助剂(硫酸类)项目可行...
第 一 章 总 论第 一 节编 制 依 据 和 原 则一 、编 制 依 据1.中国石油化工总公司《石油化工项目可行性讨论报告编制规 ...
本规程适用于大连特钢公司 380mm×490mm 矩形坯连铸机技术操作。2.2 冶炼前认真检查各部分水冷系统、机电设备、液压设备,如有故障及时...
目 录1 总 论.......................................................................11.1 编制依据和原则...........................
目 录1 总 论.......................................................................11.1 编制依据和原则...........................
1300t/a 环保型油田助剂建设项目可行性研究报告申报日期:2025 年 6 月 26 日目录目录...............................................
yLISTOFRUBBERCHEMICALS No.ASTMChemicalCompositionCAS#BayerFlexsysChemtura(Crompton/Uniroyal)VanderbiltMisc.Misc.Manufacturer1.6PP...
零碳助剂方案随着全球气候变化的加剧,减缓和适应气候变化成为全球关注的焦点。碳减排是减缓气候变化的主要手段之一。在生产、运输、储存等...

