饰面板(砖)工程 9-22 室外贴面砖施工工艺标准1 范围本工艺标准适用于工业与民用建筑的外墙饰面贴面砖工程。2 施工准备2.1 材料要求...
景观石材饰面防泛碱工艺工法•实用技术语和定义泛碱指混凝土中的主要成分硅酸钙(弱酸强碱性盐),遇水后发生水化反应,形成游离钙、硅酸和...
..WORD.格式整理....专业.知识.分享..内墙乳胶漆饰面施工方案一、施工准备1本分项工程所需用的材料、成品、半成品等按照材料的质量标准要求...
内墙涂料乳胶漆饰面施工方案一、工程概况1、本工程为山东博兴花园新城项目,位于博兴县博城一路北,博昌承建。二、施工安排1、进度目标:根...
墙面木饰面施工工艺一、施工准备:1、材料要求:1)木材的树种、材质等级、规格应符合设计图纸要求及有关施工及验收规范的规定。2)龙骨料...
技术交底记录编号表C2-1工程名称福建海丝博亚国际酒店有限公司19-24层客房装饰工程交底日期施工单位中国装饰股份有限公司福建分公司分项工...
饰面装修设计与施工作法饰面装修设计与施工作法施工手册施工手册•一釉面砖的施工作法•⑴基层处理:混土墙面:将大模板上用清洗干净,常用...
不锈钢饰面安装施工工艺不锈钢饰面已是现代室内装饰工程中常用饰面。为了取得较好的装饰效果,一般不锈钢饰面用材厚度不宜低于1.2mm,最好...
粘贴挤塑板外墙外保温施工工艺(瓷砖饰面)一:编制依据1、外墙外保温建筑构造(一)(02J121-1)2、墙身-外墙外保温图集(节能65%)(88...
定制家具板材、饰面以及特点简介家庭装修一定会用到板材,那么如何选购板材,在板材选购时候要怎样鉴别。做家具的板材有哪些类别,又各有什...
第一篇吊顶工程第五章木饰面吊顶施工1·5·1总则1·5·1·1适用范围本章适用于工业与民用建筑中轻钢骨架下面安装木饰面面板的顶棚安装工程...
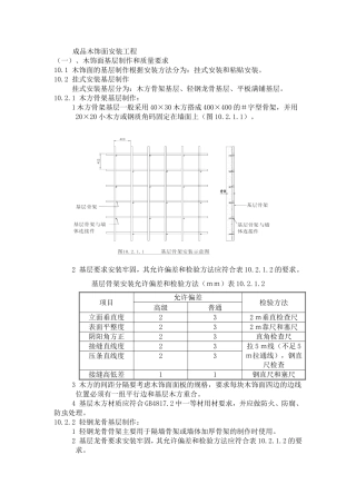
成品木饰面安装工程(一)、木饰面基层制作和质量要求10.1木饰面的基层制作根据安装方法分为:挂式安装和粘贴安装。10.2挂式安装基层制作挂...
不锈钢饰面施工方案1、适用范围1.1不锈钢板特点是表面平滑、光亮如镜,耐潮、耐火、耐腐蚀,具有高级、华贵、富丽堂皇的气派,坚固耐用、美...
饰面轧花钢板幕墙工程施工技术【摘要】随着现代建筑技术水平的不断发展,一些新的建筑施工技术与施工材料被不断研发应用。就以建筑幕墙工程...
1/5饰面板(砖)工程9-22室外贴面砖施工工艺标准1范围本工艺标准适用于工业与民用建筑的外墙饰面贴面砖工程。22施工准备2.1材料要求:2.1.1...
钢结构铝塑板饰面施工方案本项塑铝板幕墙为顶民建筑造型饰面。一、工艺流程预构件安装锚固——测量放线——确认主体放线——确认主体结构轴...
天棚抹灰的乳胶漆饰面工程1、施工准备1.1材料准备1.1.1乙酸乙烯乳胶漆1.1.2腻子用料:大白粉、石膏粉、羟甲基维维素、聚醋酸乙烯乳液、108...
外墙饰面青砖施工方案一、施工准备1、外墙铺贴面砖的基层表面应保持干燥,并将尘土、杂物彻底清扫干净,基层清理后应浇水湿润,但面砖粘贴...
幕墙饰面岩棉板薄抹灰外墙外保温工程施工方案施工单位:湖南省第六工程有限公司编制日期:2015年11月5日目录11:编制依据....................
岩棉板薄抹灰外墙外保温系统施工方案合肥****有限公司目录一、料编制依据.................................................................

