第1页共3页编号:时间:2021年x月x日书山有路勤为径,学海无涯苦作舟页码:第1页共3页彪福金属制品有限公司第2页共3页第1页共3页编号:时间...
生产经营单位安全生产管理台帐目录妥善保管存档备查1、职工花名册台帐2、安全生产网络组织台帐3、安全生产会议及活动台帐4、安全生产检查及...
第1页共199页编号:时间:2021年x月x日书山有路勤为径,学海无涯苦作舟页码:第1页共199页建设工程项目质量安全监督委派通知单湘建质安监字...
有限空间管理台账范本1目的:为保证进入有限空间作业安全,防止事故发生,特制定本办法。2名词解释2.1作业方:指实施具体作业操作的公司基...
第7页共8页编号:时间:2021年x月x日书山有路勤为径,学海无涯苦作舟页码:第7页共8页空分车间静设备台账序号位号设备名称及台数压力Mpa温...
第1页共61页编号:时间:2021年x月x日书山有路勤为径,学海无涯苦作舟页码:第1页共61页腾远煤化工发电公司设备检修台账2016年9月20腾远发...
×××××(单位名称)201×年度安全管理台账××××(单位名称)制二〇一×年×月目录一、组织体系台账二、安全文件台账三、安全制度台账...
安徽响水涧抽水蓄能有限公司消防系统设备台账深圳市威警安全技术有限公司响水涧维保部目录一、维护设备档案.................................
第1页共33页编号:时间:2021年x月x日书山有路勤为径,学海无涯苦作舟页码:第1页共33页台账一:安全生产管理制度一、安全生产管理制度二、...
第1页共11页编号:时间:2021年x月x日书山有路勤为径,学海无涯苦作舟页码:第1页共11页安全生产管理台帐1卷一安全生产责任制度(参考表样...
建设工程施工安全标准化管理资料设备设施安全管理工程名称:通沟棚户区B5区二期工程一标段建设单位:白山市丰润置业有限公司施工单位:吉林...
原辅料进货制度宿州市创新生态农业科技有限公司原辅料进货记录产品名称规格生产许可证编号数量进货时间供货商名称供货商电话生产日期或批号...
安全生产管理台账年度企业名称:安全生产管理台账目录序号台账种类序号台账种类序号台账种类一企业基本情况、安全组织机构台账六事故隐患整...
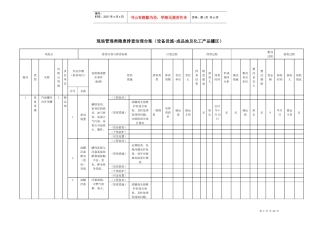
第1页共63页编号:时间:2021年x月x日书山有路勤为径,学海无涯苦作舟页码:第1页共63页现场管理类隐患排查治理台账(设备设施-成品油及化...
平昌县石垭小学2017×年度安全管理台账二〇一七年九月(制)目录一、组织体系台账二、安全文件台账三、安全制度台账四、目标责任书台账五、...
危险品安全生产管理台账年度企业名称:安全生产管理台账目录序号台账种类序号台账种类序号台账种类一企业基本情况、安全组织机构台账六事故...
第1页共81页编号:时间:2021年x月x日书山有路勤为径,学海无涯苦作舟页码:第1页共81页建设部安全管理台账资料安全检查一、安全检查的制度...
第1页共61页编号:时间:2021年x月x日书山有路勤为径,学海无涯苦作舟页码:第1页共61页台帐九安2安全检查与纠正目录一、安全检查汇总表二...
第1页共96页编号:时间:2021年x月x日书山有路勤为径,学海无涯苦作舟页码:第1页共96页《建设工程施工安全监理规程》(DG/TJ08-2035-2008...
第1页共61页编号:时间:2021年x月x日书山有路勤为径,学海无涯苦作舟页码:第1页共61页设备台账第1页主机名称增安型无刷磁同步电动机安装...

