◎超声波加湿器报价2.1对空气细菌的消毒效果见表1表1两种消毒方法对空气细菌(CFU/m3)的杀灭率(%)产品名称:湿膜加湿器产品型号:QS-9产品...
著名家装品牌!全国连锁加盟“先装修后付款干不好不要钱”官网:www.njjspzx.com北京装修队装修项目基价表一、铺砖:1、铺地砖:35元/平米...
FEA报价及草图作业流程1.0目的:有效及正確管理FAE報價及草圖作業流程。2.0範圍:所有LCM產品的報價需求及草圖需求。3.0定義:QRF:Quotatio...
室内装饰材料报价一览表基层处理编号:20130308装修部位序号项目名称单位单价(元)做法及说明一、墙面处理1墙面披灰,刷乳胶漆立邦美得丽菊花...
彩钢板规格标准及报价和区别1、彩钢板简介彩钢板,是指彩涂钢板,彩涂钢板是一种带有有机涂层的钢板。彩钢板分为单板、彩钢复合板、楼承板...
湛江厨房设备有限公司地址:工程名称:电话:传真:工程地点:电邮:联系人:电话:工程报价/结算单合同编号:序号项目规格单位数量单价(元)金额...
办公室增项隔断工程决算表工程发包方:昆明市土地整理中心序号项目单价单位数量金额项目解说1小会议室二级叠级吊顶260㎡85.222152木龙骨、...
办公打印耗材商品报价表商品零售价备注莱盛数码碳粉盒京瓷2550碳粉盒KM1620粉盒带有防伪¥330元¥230元原装正品东芝T1810C-5k碳粉182/211/2...
出口报价案例案例1利润=报价金额-采购成本-各项费用+退税收入退税收入=采购成本÷(1+增值税率)×出口退税率总体积=报价数量÷每箱...
此资料由网络收集而来,如有侵权请告知上传者立即删除。资料共分享,我们负责传递知识。2020最低投标报价承诺书选集投标报价在开标前肯定是...
此资料由网络收集而来,如有侵权请告知上传者立即删除。资料共分享,我们负责传递知识。oppor12什么时候上市报价多少oppor12上市时间及报价...
此资料由网络收集而来,如有侵权请告知上传者立即删除。资料共分享,我们负责传递知识。报价外贸邮件范文6篇外贸邮件是和客户沟通的主要工...
word格式-可编辑-感谢下载支持2011年度家装人工费报价行情施工项目价格(元)/单位20元/m2报价说明规格800*800以内,普通抛光砖,超大砖、...
建筑施工企业管理系统软件价格表[2014年3月版]CPM•企业版内容说明价格一、适用性及特点适用企业适用于想通过事前控制和加强管理出效益的,...
等保服务内容及报价CompanyDocumentnumber:WUUT-WUUY-WBBGB-BWYTT-1982GT等保服务内容及报价;一、信息安全等级保护服务流程及内容;信息安...
1DDDDDDDDDDDDDDGBDDGCSDDDDDDD2DDDDDDPGLDDDDDDDDBFCDDDDDDDDMNSDABBDDDDGG—1AUFDDDDDDDDDGGDDDDDDDDDDDDGCLDKDDDDDDDDDDDDDDDDDDDDDDDDD...
doc0密封固化剂地坪报价及施工方案甲方:乙方:固宇混凝土固化剂施工队15150041204全国施工,价格低,质量好)doc1名称工艺厚度(渗透材料...
设计方案设计单位:上海XXXXXXXX科技有限公司设计日期:2018年3月12日联系人:XXX电话:xxxxxxxxxxxx第一章系统概要1.项目名称XXXXXXXXXXXX...
安防监控报价方案方案一:八路标准型(工控式)一、报价:1、监控主机/ZYA-8,1ntel945监控专用主板,CPU2.66G以上,内存1G,希捷500G硬盘,鑫...
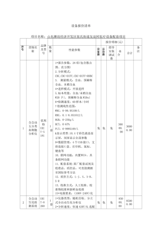
设备报价清单项目名称:山东潍坊经济开发区张氏街道友谊村医疗设备配套项目品牌及型号报价明细(元)序号货物名称数量性能参数设备费运杂费指...

