刮板机水槽改造方案刮板机煤矿工作面刮板输送机安装安全技术措施刮板输送机的安装方法及注意事项1、刮板输送机的安装顺序为。装机头——铺...
刮板机水槽改造方案安全操作口袋书刮板机司机山西柳林寨崖底煤业有限公司编者语随着煤矿装备水平的迅速提高,从业人员素质与现代化矿井管理...
裁板員培訓教材:一.作業內容:1.1切板機操作:1.1.1開機:1.1.1.1檢查總電源開關是否已打開,然后打開電源1.1.1.2為了將受傷的可能減至最小,...
刮板机水槽改造方案记录编号:rj04-qg-1836X推焦车刮板机水槽施工方案施工名称:6X推焦车刮板机水槽施工方案编制单位:四厂设备科申请部门...
机器设备类、剪板机操作规范:1、剪板机应有专人负责使用和保管。操作者必须熟悉机床的结构、性能。2、严禁超负荷使用剪板机。不得剪切淬火...
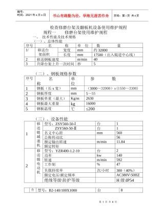
检查修磨台架及翻板机设备使用维护规程规程一修磨台架使用维护规程一、技术性能及技术规格(一)、总体性能序号名称单位数量1/移送台架面积...
刮板机水槽改造方案记录编号:rj04-qg-1836X推焦车刮板机水槽施工方案施工名称:6X推焦车刮板机水槽施工方案编制单位:四厂设备科申请部门...
第1页共8页编号:时间:2021年x月x日书山有路勤为径,学海无涯苦作舟页码:第1页共8页编号:JXYCCG-2010-151宜春市第三人民医院全自动洗板机...
基于S7-200PLC剪板机定长控制系统电气控制部分设计摘要自动剪板机是一种按照生产工艺的要求对板材进行自动定长、自动剪切并且通过运料小车...
卷板机作业平安技术交底工程名称:节能大厦施工中天宝业集团建立设备名称卷板机作业内容交底部门交底人施工限年月日至年月日承受交底班组或...
剪板机作业平安技术交底工程名称:节能大厦施工中天宝业集团建立设备名称剪板机作业内容交底部门交底人施工限年月日至年月日承受交底班组或...
第1页共8页编号:时间:2021年x月x日书山有路勤为径,学海无涯苦作舟页码:第1页共8页检查修磨台架及翻板机设备使用维护规程规程一修磨台架...
剪板机折弯机哪里好剪板机(英文名称:plateshears;guillotineshear)是用一个刀片相对另一刀片作往复直线运动剪切板材的机器。是借于运动的上...
扬州市职业大学毕业论文(设计)论文(设计)题目:剪板机液压系统设计系别:机械工程系专业:机电一体化班级:02机电(2)姓名:周金秋学号:...
机械原理课程设计说明书设计题目:学院:班级:组名:组员:指导老师:2016年月1目录一、机构简介..........................................
榆林神华能源有限责任公司科技创新项目立项建议书项目名称:配仓刮板断链欠速保护器申报单位:郭家湾煤矿机电运转队申报日期:2015.2.25榆...
SGB420/30T刮板输送机安装方案编制:工程技术部2015年8月19日刮板输送机安装方案及安全技术措施一、安装地点:SGB420/30T刮板运输机计划安...
SD-WXEC-ZLBZ-JOYGBLL-3X855维修中心二厂刮板机链轮组装质量控制标准编制:二厂四部审批:李全新批准:刘混田日期:2010.8JOY三机系列刮板...
刮板机制造部社会治安综合治理工作措施刮板机制造部社会治安综合治理工作措施一、切实加强对社会治安综合治理工作的组织领导,建立健全刮板...
刮板机水槽改造方案安全操作口袋书刮板机司机山西柳林寨崖底煤业有限公司编者语随着煤矿装备水平的迅速提高,从业人员素质与现代化矿井管理...

