第1页共8页编号:时间:2021年x月x日书山有路勤为径,学海无涯苦作舟页码:第1页共8页目录一、活动简介(一)、活动时间:2011年元月中旬(...
第1页共31页编号:时间:2021年x月x日书山有路勤为径,学海无涯苦作舟页码:第1页共31页项目五配送作业项目目标:1.会根据配送需求进行配...
——目录——第一章总论------------------------------------------------------------------1第一节项目背景---------------------------...
********钢铁物流加工配送中心项目可行性研究报告编月目录第一章总论1.1项目背景……………………………………………………11.2项目概况…...
钢材加工配送中心项目可行性研究报告(立项+批地+贷款)编制单位:北京中投信德国际信息咨询有限公司编制时间:二〇二四二〇二四年十一月咨...
黑龙江省地方标准钢筋工厂化集中加工及配送技术规程ReinforcedfactorycentralizedprocessinganddistributionoftechnicalspecificationUDCDB...
SCHOOLOFECONOMICS&MANAGEMENT,TSINGHUAUNIVERSITYNOTE03:配送管理*供应链上的配送环节是指产品制造完成之后,从制造商、批发商、经销商、...
生鲜农产品配送商业计划书生鲜农产品配送商业计划书目录第一章:概要1.公司2.市场3.投资与财务4.风险与对策第二章:公司简介1.公司名称、宗...
第1页共80页编号:时间:2021年x月x日书山有路勤为径,学海无涯苦作舟页码:第1页共80页莂薃膂葿蚁蚂袁节薇蚁羄蒇蒃蚁肆芀荿蚀芈肃螈虿羈莈...
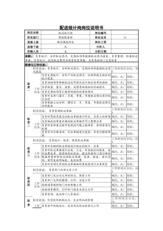
配送统计岗岗位说明书岗位名称配送统计岗岗位编号所在部门营销服务部岗位定员10直接上级物流调度班长岗位工资直接下级无分析人所辖人员无分...
第1页共56页编号:时间:2021年x月x日书山有路勤为径,学海无涯苦作舟页码:第1页共56页生鲜农产品配送商业计划书目录第2页共56页第1页共56...
第1页共67页编号:时间:2021年x月x日书山有路勤为径,学海无涯苦作舟页码:第1页共67页生活日用消费品配送中心升级改造项目可行性第2页共6...
第一讲:配送中心概论随着我国经济体制改革的深入,传统的流通模式越来越不能满足市场多品种小批量的需求,一些商业或流通企业纷纷准备或开...
第1页共30页编号:时间:2021年x月x日书山有路勤为径,学海无涯苦作舟页码:第1页共30页生鲜农产品配送商业计划书目录第2页共30页编号:时...
生鲜农产品配送商业计划书生鲜农产品配送商业计划书目录第一章:概要1.公司2.市场3.投资与财务4.风险与对策第二章:公司简介1.公司名称、宗...
配送调度岗岗位说明书岗位名称配送调度岗位编号所在部门营销服务部岗位定员10直接上级配送调度班长岗位工资直接下级无分析人所辖人员无分析...
物流仓储与配送优化设计-以顺丰集团为例西华大学毕业论文目录摘要.................................................................1ABS...
专题研讨报告第五组研究生:郭承玮8932505陈鸿文8932516杨家铭9032506黄建安9032521目录第一章物流之配送概論...............................
第1页共80页编号:时间:2021年x月x日书山有路勤为径,学海无涯苦作舟页码:第1页共80页莂薃膂葿蚁蚂袁节薇蚁羄蒇蒃蚁肆芀荿蚀芈肃螈虿羈莈...
第1页共305页编号:时间:2021年x月x日书山有路勤为径,学海无涯苦作舟页码:第1页共305页目录CONTENTS引言..................

