第1页共69页编号:时间:2021年x月x日书山有路勤为径,学海无涯苦作舟页码:第1页共69页水利水电工程给水排水构筑物工程施工及验收规范单元...
第1页共92页编号:时间:2021年x月x日书山有路勤为径,学海无涯苦作舟页码:第1页共92页水利水电工程给水排水构筑物工程施工及验收规范单元...
北京天堂河治理工程附属建筑物工程(第二标段)安全专项施工方案编制:审核:审批:湖南益众水利建设有限公司2016年8月第0页共32页编号:时...
-1-市政构筑物施工技术措施以及安全文明施工措施本工程建(构)筑物包括泵站及辅助建筑施工。1、钢筋工程施工技术措施钢筋均在加工场内集中...
第1页共104页编号:时间:2021年x月x日书山有路勤为径,学海无涯苦作舟页码:第1页共104页目录第一章电厂人工挖孔灌注桩.....................
第1页共10页编号:时间:2021年x月x日书山有路勤为径,学海无涯苦作舟页码:第1页共10页构筑物清水混凝土施工工法(河北建工集团有限责任公...
第1页共103页编号:时间:2021年x月x日书山有路勤为径,学海无涯苦作舟页码:第1页共103页给水排水构筑物施工规范第一章总则第1.0.1条为使...
混凝土构筑物裂缝原因分析与处理混凝土构筑物裂缝原因分析与处理(1)1概述在当今的整个社会的建设中,不论什么样的建筑,都是采用钢筋混凝...
第1页共34页编号:时间:2021年x月x日书山有路勤为径,学海无涯苦作舟页码:第1页共34页电力检查井及附属构筑物施工本章由电力检查井和电力...
第1页共39页编号:时间:2021年x月x日书山有路勤为径,学海无涯苦作舟页码:第1页共39页给水处理厂净水构筑物的设计计算1设计规模给水处理...
水利水电工程给水排水构筑物工程施工及验收规范单元工程质量评定表目录JZ1围堰单元工程质量评定表..........................................
水利水电工程给水排水构筑物工程施工及验收规范单元工程质量评定表目录JZ1围堰单元工程质量评定表..........................................
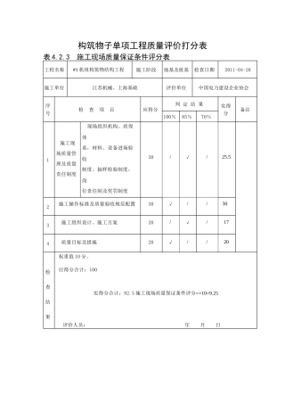
构筑物子单项工程质量评价打分表表4.2.3施工现场质量保证条件评分表工程名称#1机组构筑物结构工程施工阶段地基及桩基检查日期2011-04-28施...
第25页共10页编号:时间:2021年x月x日书山有路勤为径,学海无涯苦作舟页码:第25页共10页管道工程技术网上辅导材料2第2章排水系统概论【教...
2019年最新中级建(构)筑物消防员(中级消防工程师)理论知识及实操试题试卷一、选择题(160题,每题分,共80分)1.一氧化碳的爆炸极限范...
水工程构筑物施工课件•水工程构筑物的基本类型与特点•施工前的准备工作•施工过程的技术要点•施工质量的控制•安全文明施工管理•案例分...
铸造建筑物、构筑物治理制度1目的为了加强我公司工业建筑物、构筑物的治理,合理使用,增加其耐久性,明确职责落实到人,制定我公司工业建...
中铁六局集团有限公司石济客专引入石家庄枢纽工程第一项目分部目录1.编制说明.............................................................
技术交底记录〔C1105-2〕编工程名称施工交底提要:预处理一级构筑物附属房砌体工程交底内容:1、砂浆拌合严格按试配提供的数据进展根据砂...
目录第一章编制依据和原则·····················································...

