单选题-建筑材料1.下列防水材料中,具备拉伸强度高,抵抗基层和结构物变形能力强、防水层不易开裂的是(A)。A.防水卷材B.防水涂料C.嵌...
一、混凝土试件的取样及制作(一)现场搅拌混凝土根据《混凝土结构工程施工质量验收规范》(GB50204-2002)和《混凝土强度检验评定标准》(...
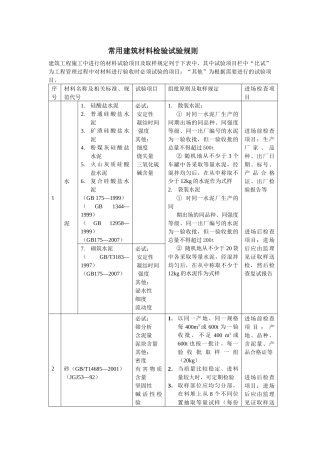
常用建筑材料检验试验规则建筑工程施工中进行的材料试验项目及取样规定列于下表中,其中试验项目栏中“比试”为工程管理过程中对材料进行验...
中国贺州新型装配式建筑材料产业发展规划(2016—2030)(征求意见稿)广西财经学院二〇一六年六月目录第一章发展基础.........................
建筑材料工业“十二五”发展指导意见前言“十二五”是我国加快转变经济发展方式的关键时期,是我国工业化向现代工业化发展、经济社会向“资...
(四)材料与技术新建筑材料的出现和科学技术的不断进步,不仅带动建筑施工的革新,更给建筑的艺术效果及功能上的变化,产生极大的影响,甚至...
本次作业是本门课程本学期的第1次作业,注释如下:一、单项选择题(只有一个选项正确,共20道小题)1.采用沸煮法测得硅酸盐水泥的安定性不良...
《建筑材料》复习资料第一章材料的基本性质一、填空题1、材料的吸水性用_吸水率___表示,吸湿性用__含水率__表示。2、材料耐水性的强弱可以...
此为习题参考答案,仅供参考,如有异议,以课堂为准习题:建筑材料P29-36一、单选题1、硅酸盐水泥的运输和储存应按国家标准规定进行,超过...
一、混凝土试件的取样及制作(一)现场搅拌混凝土根据《混凝土结构工程施工质量验收规范》(GB50204-2002)和《混凝土强度检验评定标准》(...
建筑材料理论第一章建筑材料基本性质本章为全书重点之一。在讨论具体性质之前,要求同学理解不同材料,在结构物中的功用不同,所处的环境不...
广州市轨道交通二、八号线延长线工程施工13标段建筑材料监理实施细则编制人:审批人:日期:广东铁路建设监理有限公司广州地铁监理8标监理...
建筑材料放射性现场检测项目完成人员:徐锴陆逊周绚乙项目完成单位:上海市计量测试技术研究院【摘要】本文对影响建材表面空气比释动能率...
建筑材料复习材料注意:计算题请同学们认真看(建筑材料期末复习指导)第二章建筑材料的基本性质填空题1、当润湿角>90时,此种材料称为增...
中华人民共和国国家标准建筑材料及制品燃烧性能分级GB8624—2006(代替GB8624—1997)Classificationforburningbehaviorofbuildingmaterial...
建筑材料抽样检测标准一.砼用砂1.执行标准:JGJ52-92《普通砼用砂质量标准及检验方法》2.检验批次:应以在施工现场堆放的同产地,同规格...
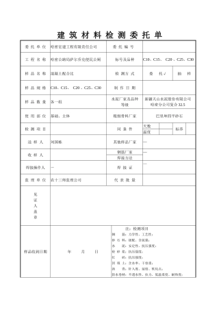
建筑材料检测委托单委托单位哈密宏建工程有限责任公司委托编号工程名称哈密公路局萨尔乔克便民公厕标号及品种C10、C15、C20、C25、C30样品...
编号样品名称依据标准检验参数取样频率样品规格及数量备注126漏电保护器模拟漏电现场测试GB50303-2002/见有关规定125电气接地电阻现场测试G...
更多资料请访问.(.....)更多企业学院:...../Shop/《中小企业管理全能版》183套讲座+89700份资料...../Shop/40.shtml《总经理、高层管理...
更多资料请访问.(.....)更多企业学院:...../Shop/《中小企业管理全能版》183套讲座+89700份资料...../Shop/40.shtml《总经理、高层管理...

