第一部分矿井危险因素仟祥煤业位于登封市徐庄镇刘沟村境内,隶属河南省嵩基能源投资有限公司。开采二1煤层,设计生产能力60万吨/年,属突出...
嘉元煤矿二〇一七年度安全风险辨识评估报告神木嘉元煤业集团(加盖公章)目录第一章年度安全风险辨识评估会议纪要...........................
第一章编制依据1、###工程实施性施工组织设计。2、###勘测设计研究院设计的《##相关施工图纸》。3、《杭州市市政建筑工地安全生产、文明管...
达州市兴旺煤业有限公司兴旺煤矿(2017年度)编制单位名称:兴旺煤矿二〇一七年四月1安全风险辨识评估人员名单序号姓名单位(部门)职务专...
黔越矿业有限公司高家岩煤矿2017年度安全风险辨识评估报告贞丰县挽澜乡高家岩煤矿2017年7月1日安全风险辨识评估人员名单序号姓名单位(部门...
2017年度安全风险辨识评估报告xx煤业有限公司(加盖公章)2017年6月10日目录第一章矿井概况................................................
××煤矿2017年度安全风险辨识评估报告2017年6月1日目录第一部分矿井危险因素.............................................................
第1页共37页编号:时间:2021年x月x日书山有路勤为径,学海无涯苦作舟页码:第1页共37页某某矿井“三违”辨识标准及管理办法第一章“三违”...
案例示范:××煤矿××××年度安全风险辨识评估报告编制单位名称(加盖公章)年月日目录第一部分矿井危险因素.............................
年度安全风险辨识评估报告xx焦煤有限公司二〇一七年六月安全风险辨识评估人员名单序号姓名单位(部门)职务专业签字1煤矿矿长2煤矿总工程师...
山西灵石天聚鑫源煤业有限公司2017年度安全风险辨识评估报告二0一七年一月前言为贯彻执行煤安监行管〔2017〕5号《煤矿安全生产标准化考核定...
第1页共37页编号:时间:2021年x月x日书山有路勤为径,学海无涯苦作舟页码:第1页共37页某某矿井“三违”辨识标准及管理办法第一章“三违”...
........c目录第一章工作面基本情况....................................1第一节工程概况.......................................1第二章...
xxx有限公司xx煤矿2017年度安全风险辨识评估报告编制单位:xxx有限公司xx煤矿编制日期:2017年5月28日目录第一章安全风险辨识评估时间........
第1页共101页编号:时间:2021年x月x日书山有路勤为径,学海无涯苦作舟页码:第1页共101页技术产业发展--无线射频辨识系统RFID第一章绪论本...
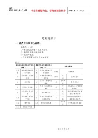
第1页共107页编号:时间:2021年x月x日书山有路勤为径,学海无涯苦作舟页码:第1页共107页事故发生的可能性(L)暴露于危险环境的频繁程度...
危险源辨识方案一、危险源的分类、分级及辨识方法危险源定义。危险源是指可能造成人员伤害、疾病、财产损失或工作环境破坏或这些情况组合的...
安全风险辨识分级管控工作方案为提高公司辨识管控安全风险和防范事故能力,根据XX省道路运输管理局关于《XX省“两客一危”道路运输企业安全...
危险源辨识表风险评价和控制一览表(质量管理部)编制:审核:批准:时间:危险源辨识表单位:质量管理部Q/HNJX—JL—403—000—001序号作...
非煤矿山安全生产岗位风险辨识汇总表岗位:通用部分(上班期间)危险因素可能导致的事故管控措施人的不安全行为1酒后上岗各种责任事故落实...

