一、判断题(将判断结果填入括号中。正确的填“√”,错误的填“×”。每小题1分,共20分)()1、液压传动系统在工作时,必须依靠油液内部的压...
姓名考号单位职业技能鉴定统一试卷《数控车工》高级知识题试卷注意事项1.请首先按要求在答题卡上填涂考生信息,在试卷上填写姓名。2.请用2B...
配合件的工艺与编程【摘要】数控技术是用数字信息对机械运动和工作过程进行控制的技术,数控装备是以数控技术为代表的新技术对传统制造产业...
数控车削实习作业一、填空1、数控车主要用于和的回转零件的加工。2、数控系统经历了和两个阶段。3、数控车床主要由、、、、等组成。4、数控...
项目一数控车削加工基础1.1学习目标通过本课题学习,掌握数控车床的基本结构及其各轴移动方向对应的坐标轴;理解坐标系的确立原则,并结合...
车工高级理论参考复习题一、单项选择1.职业道德的内容不包括(C)。A、职业道德意识B、职业道德行为规范C、从业者享有的权利D、职业守则2...
《数控车削编程与操作训练》教案班级:2008届数控班教师:陈广达课题:§2.3N、F、T、S功能及数控车床指令(G00、GO1、GO2、GO3)课型:新...
姓名考号单位职业技能鉴定统一试卷《数控车工》高级知识题试卷注意事项1.请首先按要求在答题卡上填涂考生信息,在试卷上填写姓名。2.请用2B...
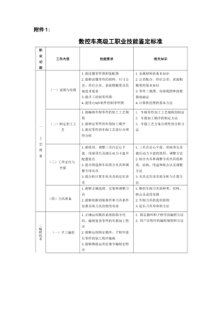
附件1:数控车高级工职业技能鉴定标准职业功能工作内容技能要求相关知识一工艺准备(一)读图与绘图1.能读懂零件图和装配图2.能够读懂零件的...
姓名考号单位职业技能鉴定统一试卷《数控车工》高级知识题试卷注意事项1.请首先按要求在答题卡上填涂考生信息,在试卷上填写姓名。2.请用2B...
山东省第一届数控技能大赛数控车理论知识竞赛题学生组注意事项1.请在试卷的标封处填写您的工作单位、姓名和准考证号2.请仔细阅读题目,按要...
数控车高级理论知识试卷一单选题(120题)1.金属材料硬度符号HRC表示()。A、布氏硬度B、硬度C、维氏硬度D、洛氏硬度2.钢的热处理工艺中(...
山东省第一届数控技能大赛数控车理论知识竞赛题学生组注意事项1.请在试卷的标封处填写您的工作单位、姓名和准考证号2.请仔细阅读题目,按要...
附件1:数控车高级工职业技能鉴定标准职业功能工作内容技能要求相关知识一工艺准备(一)读图与绘图1.能读懂零件图和装配图2.能够读懂零件的...
第三章数控车削加工技术第一节数控车床简介一、概述1、数控车床的用途车削轴类或盘类等回转体零件——内、外圆柱面,圆锥面、圆弧面和直、...
数控车编程基础概要课件•数控车床概述数控车床概述数控车床的定义01数控车床是一种高精度、高效率的自动化机床,通过数控系统控制机床运动...
简易数控车安全及解决引言数控车床加工中,特别是对于刚刚接触或初学者,经常会出现异常情况,这些突发异常情况出现时,轻者损坏刀具,工件...
数控编程与操作外径单一循环G80指令谷城职教中心韦吉波学情分析教学目标、重点、难点教法与学法分析教学设计5134目录2课程及教材分析一、课...
实习教学授课进度安排表单元课程课题(项目)名称课时工艺理论教学实践操作课时实习图纸、器材工量具准备内容课时10月10日一数车文明生产和...
^`职业技能鉴定国家题库车工(数控车工)高级理论知识试卷注意事项1、本试卷依据2001年颁布的《车工》国家职业标准命制,考试时间:120分钟。...

