十二经络走向1.容易感冒保肺经肺经上班时间是早上3:00-5:00肺部功能欠佳者,在清晨时过敏性鼻炎及咳嗽、气喘易发作;有严重气喘患者,应...
一、肺经:(手太阴)1、中府穴:2、天府穴:治过敏性鼻炎的要穴3、尺泽穴:尺指肾泽为恩泽故为补肾要穴!治高血压、哮喘4、孔最穴:最,汇...
十二经络主要穴位及功效一、手太阴肺经主咳喘、心烦、掌中热、心里烦躁、咳喘中府:胸骨旁开六寸(脾肺之气汇集的地方)兼治脾肺两脏之病,...
十二经络主要穴位及功效一、手太阴肺经主咳喘、心烦、掌中热、心里烦躁、咳喘中府:胸骨旁开六寸(脾肺之气汇集的地方兼治脾肺两脏之病,治疗...
每日十二经络养生每日的十二时辰与人体的十二条经脉联系在一起,而这些经脉又和人体的五脏六腑相配。寅时梦里深呼吸时辰时间对应经络:寅时...
十二经络穴位歌1太阴肺经穴歌手太阴肺十一穴,中府云门天府决。侠白尺泽孔最存,列缺经渠太渊涉。鱼际少商如韭叶。2手阳明大肠经手阳明穴起...
手臂经络疏通手法手三阴经(肺经、心包经、心经)疏通手法:预备式——1、将艾盐包放于腹部和脚底温热2、滚拓——将热拓隔着毛巾沿经脉来回...
十二经络时辰、分寸歌诀、经络循行图6足少阳胆经子时(23点至1点)—胆经旺。子时睡得足,黑眼圈不露;中医理论认为;“肝之余气,泄于明胆...
十二经络流注注解1、寅时(凌晨3——5点)是肺经开穴运行的时间。肺经旺,寅时睡得熟,色红精气足。“肺朝百脉。”肝在丑时把血液推陈出新...
十二经络的走向、分布及作用和经络养生提到经络,相信很多的伙伴都看过电视或者武侠小说,像什么任督二脉啊,练功时头顶冒烟啊,气沉丹田啊...
十二经络作用表时间经脉子时23:00—1:00胆经,这时要上床睡觉,利于骨髓造血。丑时1:00—3:00肝经,此时是肝脏修复的时间。寅时3:00—5:00肺...
十二建星吉凶详解及择吉运用在民俗生活中,许多人的嫁娶、移居、修造、埋葬、开市、出行等择吉者,往往只考虑当事人的“四柱八字”,而忽略...
十二宫位神煞图(总)宫帛财宫命宫貌相宫德福丁乙癸辛戊丙甲壬庚丁乙癸辛庚戊丙甲壬官偏生长官正午浴沐印正未带冠肩比申禄建51392715352402...
十二对脑神经十二对脑神经一、十二对脑神经出脑部位:端脑:嗅神经中脑:视神经、动眼神经、滑车神经脑桥:三叉神经、展神经、面神经、前庭...
地支三会亥子丑三会水在北寅卯辰三会木在东巳午未三会火在南申酉戌三会金在西地支三合局申子辰三合水局,水生于申,旺于子,墓于辰巳酉丑三...
岗位职责一、资料员1、工程开工前,列出项目所需的技术资料清单并备齐所需的有关表格,并下发给相应关部门和有关人员。2、负责管理项目所有...
习作一教学目标1、学会记事,要把事情的经过写清楚,也可以写这件事使你明白了什么。2、通过事情表达童年的美好,旨在突出“趣”,选择自己...
培养良好的学习习惯(12)1、本册课文中要求我们养成读万卷书行万里路和在实践中学会运用的学习习惯。“读万卷书,行万里路”告诉我们,语...
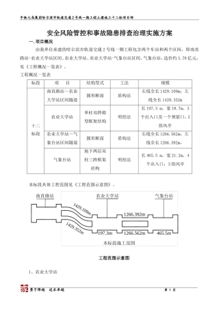
第1页中铁七局集团哈尔滨市轨道交通2号线一期工程土建施工十二标项目部安全风险管控和事故隐患排查治理实施方案一.项目概况由我单位承建的...
1.Idon'tthinkthatthenecklaceismadeofdiamond,________?A.doIB.doyouC.isn'titD.isit2.Hiswifehadthecarpetsandthecurtainscleaned,______...

