职位说明书基本情况职位名称技术科科长职位编号10301所属单位烧结厂所属部门技术科直接上级职位厂长直接下属职位科员、工艺组长职位设置目...
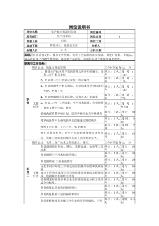
岗位说明书岗位名称生产技术科副科长岗岗位编号所在部门生产技术科岗位定员1直接上级科长岗位工资直接下级质检班长、化验室主任分析人所辖...
更多资料请访问.(.....)生产技术科岗位职责一、生产技术科岗位责任制1、认真贯彻国家法律法规、行业规范标准,认真执行集团公司制定的有...
规划技术科XX年上半年工作总结规划技术科2014年上半年工作总结2014年上半年,规划技术科继续按局领导的统一部署,认真贯彻《关于进一步明确...
岗位说明书岗位名称酵母扩培管理员岗位编号所在部门生产技术科岗位定员2人直接上级化验室主任岗位工资直接下级无分析人所辖人员无分析日期...
第1页共4页【仅供参考】2024年信息技术科工作总结范文部门:_________姓名:_____________年___月___日(此文内容仅供参考,可自行修改)20...
第1页共3页编号:_____广电中心工程技术科工作总结学校:_________教师:_____________年___月___日(此文内容仅供参考,可自行修改)广电...
第1页共4页编号:_____2024年信息技术科工作总结范文学校:_________教师:_____________年___月___日(此文内容仅供参考,可自行修改)202...
2024技术科工作计划例文与2024技术部员工个人工作计划书汇编2024技术科工作计划例文20xx年技术部工作计划主要以公司目标、产品开发、产品突...
2024技术工作计划范文模板与2024技术科工作计划例文汇编2024技术工作计划范文模板光阴似箭,转眼间五年的幼教生活将要过去了。回想起这五年...
技术科对分包单位的管理制度一、总承包对施工进度的管理1、施工进度计划管理总承包依据亿包单位招标工期时间编排合理的总进度计划,对生产...
技术科科长职责大全1、在总工程师的领导下,配合总工对项目部实行技术管理工作,全面负责技术科的日常管理工作;2、负责熟悉本项目工程技术...
技术科岗位岗位制度及工作标准一、范围本岗位工作标准规定了生产技术科的工作职责、管理内容与要求。二、工作职责1、负责贯彻执行国家关于...
登康口腔护理用品股份有限公司岗位说明书一、岗位标识信息分析日期:2002年11月6日岗位名称:技术科长隶属部门:技术发展部岗位编码:直接...
绩效考核表被考核者所属分厂轧钢厂所属部门技术科职位名称工程师考核者技术科长考核期考核指标指标定义权重(%)量化标准得分得分依据打分...
化妆品公司技术科主管岗位说明书岗位名称技术科主管岗位编号所在部门生产技术管理部技术科岗位定员直接上级生产技术管理部部长工资等级直接...
某口腔护理用品股份有限公司岗位说明书一、岗位标识信息分析日期:岗位名称:技术科长隶属部门:技术发展部岗位编码:直接上级:技术发展部...
XX年技术科“安全生产月”活动方案根据公司及炼钢厂的安全环保部布置,要求组织开展“安全生产月”活动,技术科结合科室的实际情况,围绕“...
绩效考核表被考核者所属分厂烧结厂所属部门技术科职位名称科员考核者考核期考核指标指标定义权重(%)量化标准得分得分依据打分标准区间产...
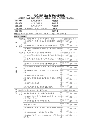
一、岗位情况调查表(职务说明书)(后面附件中的职务说明书仅供参考,调查表内容填写以<填写说明>要求为准)岗位名称生产技术科科长岗位编号...

