工艺技术科安全生产责任制(含设计)(1)组织编制、修改和审定技术操作规程、工艺技术指标,并经常检查执行情况。(2)在考虑增产措施和修...
第1页共7页编号:时间:2021年x月x日书山有路勤为径,学海无涯苦作舟页码:第1页共7页更多资料请访问.(.....)生产技术科岗位职责一、生产...
绩效考核表被考核者所属分厂炼钢分厂所属部门技术科职位名称副科长考核者厂长考核期考核指标指标定义权重(%)量化标准得分得分依据打分标...
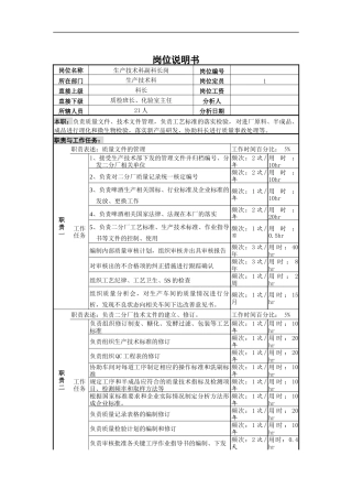
岗位说明书岗位名称生产技术科副科长岗岗位编号所在部门生产技术科岗位定员1直接上级科长岗位工资直接下级质检班长、化验室主任分析人所辖...
第1页共4页【仅供参考】2024技术科工作计划例文部门:_________姓名:_____________年___月___日(此文内容仅供参考,可自行修改)2024技术...
公司生产技术科安全目标责任考核表考核日期20年月日序号考核内容扣分标准应得分数扣减分数实得分数1安全技术管理对制订各工种安全技术操作...
广电中心工程技术科工作总结工程技术科在公司经营班子的正确领导下,紧紧围绕广播电视安全播出中心工作,以省公司“五个以”和“六个意识”...
生产技术科设计员安全生产责任制1、严格遵守国务院第446号《国务院关于预防煤矿生产安全事故的特别规定》和第493号《生产安全事故报告和调...
某口腔护理用品股份有限公司岗位说明书一、岗位标识信息分析日期:岗位名称:技术科长隶属部门:技术发展部岗位编码:直接上级:技术发展部...
生产技术科采掘科员安全生产责任制1、严格遵守国务院第446号《国务院关于预防煤矿生产安全事故的特别规定》和第493号《生产安全事故报告和...
生产技术科职业病危害防治岗位责任制(一)坚持“管生产必须管安全”的原则,合理组织生产,贯彻安全生产方针、安全规章制度及施工组织设计...
工贸企业生产技术科设计人员安全生产责任制1.严格执行国家有关法律、法规、行业标准和技术规范。2.执行安全生产责任制和各项管理制度。3.按...
职位说明书基本情况职位名称科员职位编号10303所属单位烧结厂所属车间技术科所属班组科室直接上级职位技术科科长职位设置目的稳定生产车间...
I2024年信息技术科工作总结范文2024年度信息技术室工作仔细落实学校工作要求,在学校领导的关怀和全体教职工的支持下,较好地完成了信息技...
第1页共18页编号:时间:2021年x月x日书山有路勤为径,学海无涯苦作舟页码:第1页共18页目录1、生产技术科工作职责12、生技科长工作职责33...
职位说明书基本情况职位名称工艺检测员职位编号10304所属单位烧结厂所属车间技术科所属班组工艺检测组直接上级职位工艺检测组长职位设置目...
职位说明书基本情况职位名称技术科科长职位编号30301所属单位炼钢厂所属部门技术科直接上级职位技术厂长直接下属职位技术科付科长职位设置...
绩效考核表被考核者所属分厂轧钢厂所属部门技术科职位名称工程师考核者技术科长考核期考核指标指标定义权重(%)量化标准得分得分依据打分...
职位说明书基本情况职位名称铁水计量员职位编号30308所属单位炼钢厂所属车间技术科所属班组直接上级职位原料大班长职位设置目的及时上报炼...
检察院增设技术科报告01xx检察院技术科工作总结一年来,在院党组和上级院的领导下,紧紧围绕高检院关于加快科技强检和创新检察技术工作发展...

