电脑桌面
添加小米粒文库到电脑桌面
安装后可以在桌面快捷访问

生产技术科副科长岗位说明书VIP专享VIP免费

生产技术科副科长岗位说明书_第1页
1/4
生产技术科副科长岗位说明书_第2页
2/4
生产技术科副科长岗位说明书_第3页
3/4
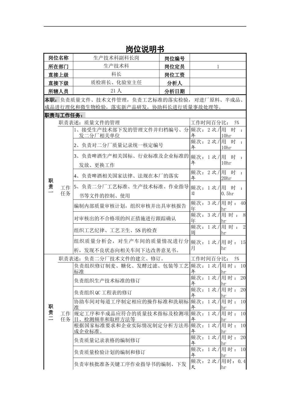
岗位说明书岗位名称生产技术科副科长岗岗位编号所在部门生产技术科岗位定员1直接上级科长岗位工资直接下级质检班长、化验室主任分析人所辖人员21人分析日期本职:负责质量文件、技术文件管理,负责工艺标准的落实检验,对进厂原料、半成品、成品进行理化和微生物检验,落实新产品研发,协助科长进行质量事故处理等。职责与工作任务:职责一职责表述:质量文件的管理工作时间百分比:5%工作任务1、接受生产技术部下发的管理文件并归档编号、分发二分厂相关单位频次:2次/年用时:10hr2、负责对二分厂质量记录统一核定编号频次:2次/年用时:10hr3、负责啤酒生产相关国标、行业标准及企业标准的发放、更换工作频次:1次/年用时:10hr4、负责啤酒相关国家法律、法规在本厂的落实频次:2次/年用时:20hr5、负责二分厂工艺标准、生产技术标准、作业指导书等文件的控制、使用频次:1次/日用时:0.5hr编制内部质量审核计划,组织审核并出具审核报告频次:3次/年用时:40hr对审核出的不合格项的纠正措施进行跟踪确认频次:3次/年用时:8hr组织工艺纪律、工艺卫生、5S的检查频次:1次/周用时:2hr组织质量分析会,对生产车间的质量情况进行分析,发现不良状态向相关车间下达改善意见书。频次:1次/月用时:15hr职责二职责表述:负责二分厂技术文件的建立、修订。工作时间百分比:5%工作任务负责组织修订制麦、糖化、发酵过滤、包装等工艺标准频次:1次/年用时:10hr负责组织生产技术标准的修订频次:1次/年用时:20hr负责组织QC工程表的修订频次:1次/年用时:20hr协助车间对每道工序制定相应的操作标准和洗刷标准频次:1次/年用时:10hr规定工序和半成品应符合的质量技术指标及检测项目、检测频率和取样方法等频次:1次/年用时:10hr根据国家标准要求和企业实际情况制定分析方法形成企业标准。频次:1次/年用时:10hr负责质量记录表格的编制修订频次:1次/年用时:20hr负责质量检验计划的编制和修订频次:1次/年用时:10hr负责审核批准各关键工序作业指导书的编制、下发频次:2次/天用时:0.4hr职责三职责表述:负责工艺标准、作业指导书等质量文件的执行和落实工作时间百分比:15%工作任务对工艺管理人员的工作进行安排频次:2次/天用时:0.5hr通过听取工艺管理人员的汇报和观察现场质量控制情况,掌握工艺执行情况,并对出现的问题进行处置频次:1次/天用时:0.5hr组织工艺纪律、工艺卫生、5S的检查频次:1次/周用时:2hr编制二厂质量内审计划和开展质量认证工作频次:2次/年用时:120hr职责四职责表述:安排实施《酵母扩培计划》工作时间百分比:5%工作任务组织制订《酵母扩培计划》,并签署审核意见频次:1次/月用时:0.5hr协调《酵母扩培计划》的实施频次:1次/月用时:0.5hr根据生产需要对《酵母扩培计划》适时调整频次:1次/月用时:0.5hr职责五职责表述:对进厂原料、半成品、成品进行理化和微生物检验,向各生产部门提供准确可靠的数据指导生产,保证进厂原料和出厂产品合格工作时间百分比:30%工作任务组织执行《质量检验计划》频次:1次/天用时:0.5hr监督检查质量检测人员依照检验规范的操作步骤进行操作频次:1次/天用时:1hr对化验分析设备进行日常维护保养,使其处于良好工作状态。频次:1次/周用时:4hr对化验员进行操作知识和技能培训频次:1次/年用时:10hr负责对新开展分析项目进行指导频次:1次/年用时:10hr对化验室出具的化验单进行审核频次:1次/天用时:1hr对质检室出具的检验单进行审核频次:1次/天用时:0.5hr对每批成品酒的《质量保证书》进行审核频次:1次/天用时:0.5hr对出口啤酒《强制检验报告单》进行编制审核频次:1次/月用时:0.5hr职责六职责表述:负责对产品质量事故进行处置工作时间百分比:5%工作任务及时向上级领导生产工序异常、不合格品率增加、顾客投诉汇报等情况频次:2次/月用时:0.5hr组织调动相关人员、部门进行原因及严重性调查分析频次:2次/月用时:1hr根据调查结果采取纠正和预防措施,书写《事故异常报告书》,上报分管厂长及相关部门频次:2次/月用时:0.5hr确认纠正和预防措施的效果频次:2次/月用时:0.5hr问题彻底解决后形成标准,...

1、当您付费下载文档后,您只拥有了使用权限,并不意味着购买了版权,文档只能用于自身使用,不得用于其他商业用途(如 [转卖]进行直接盈利或[编辑后售卖]进行间接盈利)。
2、本站所有内容均由合作方或网友上传,本站不对文档的完整性、权威性及其观点立场正确性做任何保证或承诺!文档内容仅供研究参考,付费前请自行鉴别。
3、如文档内容存在违规,或者侵犯商业秘密、侵犯著作权等,请点击“违规举报”。

碎片内容

生产技术科副科长岗位说明书

确认删除?
VIP
微信客服
  • 扫码咨询
会员Q群
  • 会员专属群点击这里加入QQ群
客服邮箱
回到顶部