安全生产管理标准建筑施工安全生产技术交底目录【一】建筑施工安全生产技术交底第 1页【二】建筑设备、机械施工安全生产技术交底第121页【...
建筑施工分部分项安全技术交底泥水工安全技术交底一、砌体施工: ⒈挖掘土方,两人操作间距保持 2~3m,并由上而下逐层挖掘,禁止实行掏洞...
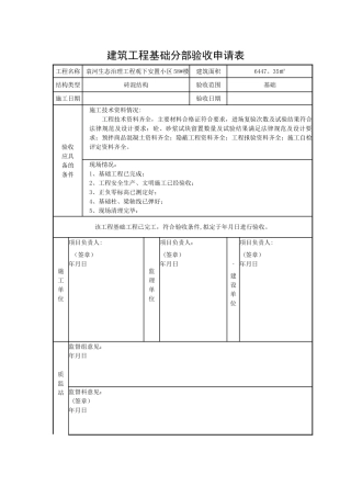
建筑工程基础分部验收申请表工程名称袁河生态治理工程观下安置小区 58#楼建筑面积6447。35㎡结构类型砖混结构验收范围基础施工日期验收日...
建筑工程安全专项施工方案编制要求 第一部分 总要求1、安全专项施工方案编制范围 根据《建筑施工组织设计法律规范》(GB/T50502-2024)...
建筑工程各个分部工程材料需要送检与实体检验(检测)明细表一、桩基础子分部工程:序号项目名称检验项目取样数量取样方法取样要求采纳标准...
建筑工程分部包括:地基与基础、主体结构、建筑装饰装修、建筑屋面、 建筑给水排水及采暖、建筑电气、智能建筑、通风与空调、电梯、建筑节...
建筑工程分部分项工程危险源清单序号涉及的危险活动或出现的场所危险源名称控制措施一土方工程1基坑机械开挖坍塌安全施工组织设计 技术交...
建筑工程分部分项工程划分表(新版)2024—05-09序号分部工程子分部工程分项工程1地基与基础土方土方开挖,土方回填,场地平整基坑支护灌注...
表 B 建筑工程的分部工程、分项工程划分(GB50300—2024)序号 分部工程子分部工程分项工程1地基与基础地基素土、灰土地基,砂和砂石地...
建筑工程分部、子分部工程、分项工程名称一览表(红色代表有此项)序号分部工程名称子分部工程名称分项工程名称(分项技术交底卡可参照此项)建...
表 B。0。1 建筑工程分部工程、分项工程划分序号分部工程子分部工程分项工程1地基与基础无支护土方土方开挖、土方回填有支护土方排桩、降...
建筑工程分部(子分部)工程、分项工程划分表分部工程代号分部工程子分部工程代号子分部工程分项工程备注01地基与基础01无支护土方 土方开...
建筑工程分部分项工程划分表(新版)2024-05—09序号分部工程子分部工程分项工程1地基与基础土方土方开挖,土方回填,场地平整基坑支护灌注桩...
分部分项工程安全技术交底卷内目录1、安全交底制度 2、安全技术交底卡安全技术交底制度1、工程开工前,工程技术负责人要将工程慨况,施...
表 B 建筑工程的分部工程、分项工程划分(建筑工程施工质量验收统一标准 GB50300-2024)序号分部工程子分部工程分项工程1地基与基础地基...
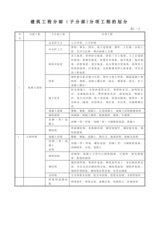
建 筑 工 程 分 部 ( 子 分 部 ) 分 项 工 程 的 划 分表2 -2序号分 部 工 程子 分 部 工 程分 项 工 程1地...
建筑工程分部(子分部)工程、分项工程划分 表 B。0。1 建筑工程分部工程、分项工程划分 序号分部工程子分部工程分项工程1地基与基础无...
金色国际主体结构分部工程质量评估报告昆明建设咨询监理有限公司金色国际项目监理部2013 年 1 月 4 日编制人审核人审定人批准人目 录...
GD2202403□□建筑屋面 分部工程专项施工方案编制单位: 编 制 人 : 编制日期: 年 月 日 审批单位 : 编 制 人: 审批日期...
危险性较大的分部分项工程安全管理 1★专项施工组织设计(方案)(0)2★方案专家评审报告(0)3 专项施工组织设计(方案)的交底(23)4 危...

