StudyonstructuresofcashmereandwoolfibersbyconfocallaserramanmicroscopyHOUXiu2liang1,WANGShan2yuan2(1.CollegeofTextile&GarmentofSou...
18铁道建筑RailwayEngineering0ctober,2009文章编号:1003—1995(2009)10.0018.04高速铁路桥梁盆式橡胶支座灌浆料的研制及应用仲朝明,...
天津纺织工学院学报第18卷第1期(1999)JOURNALOFTIANJININSTITUTEOFVol.18No.1(1999)TEXTILESCIENCEANDTECHNOLOGYSum64纺织浆料的应用与发展...
���一�变性玉米淀粉浆料��一�变性玉米淀粉浆料是沙市科委的科研项目。由中国纺织大学提供技术,沙市杂粮公司纺织浆料厂承担试制任务...
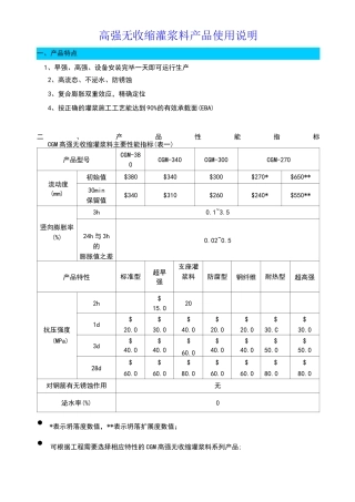
高强无收缩灌浆料产品使用说明一、产品特点1、早强、高强、设备安装完毕一天即可运行生产2、高流态、不泌水、防锈蚀3、复合膨胀双重效应,...
1.□□□□□□1-3□□□□□□□30—50Mpa叮口2.□□□□□□□□□□□□□□□□□□□□□□□□□3.□□□□□□□□□□□□□□□□...
3万吨环保型水溶性聚酯纺织浆料项目可行性研究报告(立项+批地+贷款)编制单位:北京中投信德国际信息咨询有限公司编制时间:二〇二四二〇...
双衡牌XR无机保温材料外墙保温系统产品介绍上海裕宸科技有限公司2010年6月目录1、系统简介2、系统组成3、系统优势4、系统构造5、施工工艺流...
防水浆料成分及使用方法介绍课件•防水浆料简介•防水浆料成分解析•防水浆料使用方法•防水浆料性能测试与评估•防水浆料应用案例与效果展...
第1页共10页编号:时间:2021年x月x日书山有路勤为径,学海无涯苦作舟页码:第1页共10页ZY胶粉聚苯颗粒保温浆料外墙外保温系统涂料饰面施工...
双衡牌XR无机保温材料外墙保温系统产品介绍上海裕宸科技有限公司2010年6月目录1、系统简介2、系统组成3、系统优势4、系统构造5、施工工艺流...
ZY胶粉聚苯颗粒保温浆料外墙外保温系统涂料饰面施工工法前言ZY胶粉聚苯颗粒外墙保温体系包括ZY胶粉聚苯颗粒保温层、抗裂砂浆复合耐碱涂塑玻...
浆料制备是锂电池生产的第一道工艺,混料工艺在锂离子电池的整个生产工艺中对产品的品质影响度大于30%,是整个生产工艺中最重要的环节。可...

