临电施工方案交底出席人员:交 底 人:交底地点:项目会议室 交底时间:2025 年 1 月 10 日一、工程概况业 务 用 房 工 程 ...
D/A-154/2025/03-业务用房及通讯机房工程临电施工组织设计中建一局建设进展公司业务用房及通讯机房项目经理部二零零三年一月七日目 录第一...
深 圳 市 城 市 轨 道 交 通 7 号 线 BT项 目 7305标华 强 南 站 临 水 临 电 施 工 方 案批 准 :审 核 :...
一.编制依据序号文 件 内 容备 注1施工现场临时用电安全技术法律规范JGJ46-20252低压配电设计法律规范GB50054-953建筑工程施工现场供电...
高层现场临电施工方案 目录 一、编制依据 二、工程概况 三、电源及进线 四、负荷计算 五、配电线路设计 六、配电箱及开关箱的设计 ...
目录1 编制依据....................................................................22 工程概况......................................
规划展馆升级改造精装修临水临电施工方案一、编制依^据 O O . O O . OOOOOOO . O . . O. . O O . O O . OOO . O O...
室内船台车间工程 临 时 用 电 施 工 组 织 设 计 北京建工集团有限责任公司 工程经理部 年 月室内船台车间工程 临 时 用...
JI—A2临时用电施工方案报审表工程名称:雷波县雷池乡嘎窝村易地扶贫搬迁配套基础设施建设项目编号:致:(监理单位):现报上雷波县雷池乡...
JL-A2临时用电施工方案报审表工程名称:雷波县雷池乡嘎窝村易地扶贫搬迁配套基础设施建设项目编号: 致:(监理单位):现报上雷波县雷池乡...
现场临电施工方案目录第一章概况 2第二章临电设计 22.1 施工现场临电设施配置 22.2 电箱系统图 32.3 总用电负荷计算及电缆截面选择...
1.编制依据2. 工程概况3. 用电设备3.1 现场用电设备3.2 负荷计算4. 线路电缆选用4.1 变压器至一级配电箱线路电流计算及主电缆线选用4...
机场扩建工程临电布置方案 现场临电布置施工方案目录一编制依据 2 二工程概况 12.1 工程简介 12.2 施工现场场地条件 2 三施工临电...
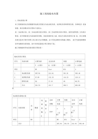
施工现场临电布置1、用电容量计算本工程现场用电负荷根据用电机具类别分为电动机负荷、电焊机负荷和照明负荷,各种机具 设备容量、相关参...
一、编制依据二、工程概况三、工程临时用电特点分析四、现场实际勘察五、现场配电设置、机械布置5.1 现场配电设置5。2 施工现场主要机械...
坤邦城市公园 2、3#楼临水临电防护方案 编 制:XXX审 核:XXX日 期: 2025 年 3 月 1 日 目 录1 工程概况.....................
市政道路临电安装安全技术交底一、接地与防雷1、电力变压器或发电机的工作接地电阻值不得大于 4Ω;在 TN 接零保护系统中,重复接地应与...
目录一、编制依据....................................................1二、工程概况 ..................................................
*********** 临时用电施工方案 审批: ***********有限企业二○一八年一月目 录第一章 工程概况.......................................
目 录 第 1 章 编制依据„„„„„„„„„„„„„„„„„„„„„„2 第 2 章 工程概况„„„„„„„„„„„„„„„„„„...

