塔式起重机使用安全管理台帐使用登记编号:EM-T-II-0380-EM-0001-01U设备型号:QTZ-40产权登记编号:EM-T-II-380工程名称:展华精密机电 O...
塔式起重机安全规程 GB5144-2006所属分类:电力规范安全规范性质:强制性有效性:现行状态:制定发文单位:国家质量监督检验检疫总局文号...
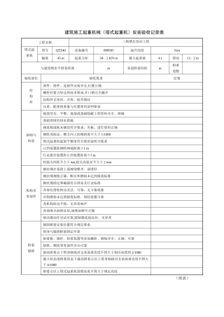
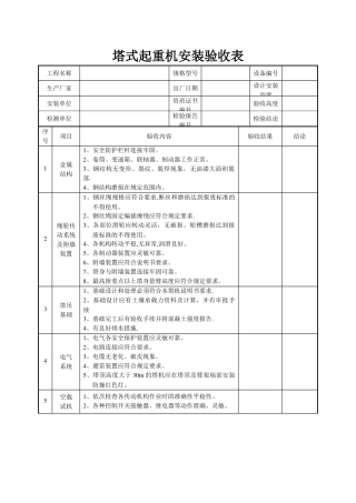
塔 式 起 重 机安装自检使用验收表施工单位(盖章): 中西企业工 程 名 称: 铭欣华府工 程 地 点:市开发区文峰北路东侧,金...
QTZ63 塔式起重机械安装方案XX 工程公司年月日目 录1 安装任务.......................................................................
目 录 1、编制阐明·······················································...
塔式起重机司机新版试题及塔式起重机司机模拟考试题库1、【多选题】钢丝绳进行安全检查的内容有( )。(ABD)A、钢丝绳磨损和腐蚀状况B、钢...
塔式起重机司机考试题及塔式起重机司机考试题库1、【多选题】事故简要通过:一机器厂内,驾驶员陈某和李某午后准备进入 20 吨电磁吊驾驶室...
最全塔式起重机安全操作规程与塔吊十不吊新东港控股集团有限公司 李宜普 2024.11。7一、一般要求 1。塔吊司机和指挥司索人员,必须经专门...
GD220246□□富通圣堤雅花园塔式起重机防碰撞监理细则编写:审批:东莞市杰高建设工程监理有限公司富通圣堤雅花园监理部()年()月()日(一...
沉箱预制厂塔式起重机防腐工程施工方案1、编制依据 1.1 钢结构工程施工质量验收法律规范(GB50205—2001) 1。2《工程机械涂装通用技术法...
北高营村旧村改造工程 33 楼塔式起重机使用安全事故应急救援预案编制人:审核人:批准人:江苏省建工集团有限公司石家庄分公司起重设备使...
塔式起重机拆、装安全生产事故应急预案编制人:审批人:日 期:北京博兴泰机械施工有限公司 为了仔细贯彻落实“安全第一、预防为主"的安全...
融安县长锌老乡家园 3#、5#、7#楼及地下室工程塔吊防碰撞施工方案编 制:审 核:审 批:编制单位:十一冶建设集团有限责任公司编制日期:...
专项施工方案报审表 工程名称:新疆八音和大厦 1#塔吊致:新疆金石建设项目管理有限公司(项目监理机构)我方已完成新疆八音和大厦 1# ...
塔式起重机维护保养制度 1、塔式起重机的维护和保养应有塔式起重机维护和保养资质的 单位进行. 2、塔吊应当常常进行检查,维护和保养,...
南通 XXXXX 有限公司一期工程 XXX 楼塔塔式式起起重重机机使使用用方方案案南通 XXXX 工程有限公司塔式起重机操作使用方案 1 内容...
生物医药创新孵化园项目总承包三标段塔吊防碰撞方案施工单位:四川大安建筑工程有限责任公司2024 年 10 月目录一、 工程及塔吊概况二、...
塔式起重机维护、保养、管理制度(一)一般说明塔式起重机属露天高空作业,环境比较恶劣,为了保证塔机的正常安全运转,提高塔机的使用寿命...
塔式起重机维护保养安全技术交底GDAQ20402施工单位: ***工程名称***分部分项工程塔吊维保工种安 全 技 术 交 底 内 容1、塔...
GDAQ21101-10塔式起重机生产安全事故应急救援预案工程名称: 保利 ( 湛江)原景花园项目一期(二标) 总包单位(公章): 广州富利建筑...

