电脑桌面
添加小米粒文库到电脑桌面
安装后可以在桌面快捷访问

企业塔式起重机安装自检使用验收表

企业塔式起重机安装自检使用验收表_第1页
1/20
企业塔式起重机安装自检使用验收表_第2页
2/20
企业塔式起重机安装自检使用验收表_第3页
3/20
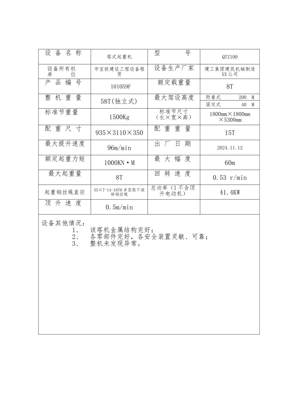
塔 式 起 重 机安装自检使用验收表施工单位(盖章): 中西企业工 程 名 称: 铭欣华府工 程 地 点:市开发区文峰北路东侧,金峰北路西侧设 备 准 用证号:质 量 监 督编号:市建设业安全生产监督管理站设 备 基 本 情 况设 备 名 称塔式起重机型 号QTZ100设备所有权单 位市宝铁建设工程设备租赁设备生产厂家建工集团建筑机械制造XX 公司产 品 编 号 101059F额定载重量8T整 机 重 量58T(独立式)最大驾设高度附着式 200 M固定式 40 M标准节重量1500Kg标准节尺寸(长×宽×高)1800mm×1800mm×5300mm配 重 尺 寸935×3110×350配 重 重 量15T最大提升速度96m/min出 厂 日 期2024.11.12额定起重力矩1000KN·M最 大 幅 度60m最大起重量8T回 转 速 度0.53 r/min起重钢丝绳直径35×7-14-1870 多层股不旋转钢丝绳总功率(I 不含顶升电动机)41.4KW顶 升 速 度0.5m/min设备其他情况:1、该塔机金属结构完好;2、各零部件完好,各安全装置灵敏、可靠;3、整机未发现异常。资 料 查 验 情 况查验相关资料施工企业起重机备案登记表有起重机制造单位生产许可证有产品合格证、产品说明书有塔机出厂检验记录有起重机械产品安全性能监督检验证书有安装拆卸企业的资质证有塔式起重机安装(拆卸)技术方案(应有技术负责人审核、监理公司总监审批同意)有塔式起重机安装(拆卸)申请书有塔式起重机安装(拆卸)任务书有塔式起重机安装(拆卸)安全交底书有塔式起重机安装(拆卸)安全协议书有安装和塔机操作人员有设备安全保护装置是否齐全齐全查验情况:查验人: 年 月 日对设备和资料真实性负责:使用单位意见:(盖章) 年 月 日安 装 单 位 情 况安 装 单 位建工集团建筑机械制造 XX 公司安装资质证号B 01-9/6负 责 人韦红云拆 装 方 案审 批 人黄毓桥主要安装工钟炜民上 岗 证 号T1安 装 工明上 岗 证 号T9安 装 工吉胜上 岗 证 号266安装方案与技术交底:(包括应急预案) 安装方案、技术交底、应急预案详见安装告知申报资料方案编制人: 安装企业技术负责人 总监审核意见:年 月 日 年 月 日 年 月 日基 础 施 工 验 收基础施工情况并附基础竣工图:(标明周围建筑物、障碍物、高压线、塔机回转半径)尺寸现场施工员: 制图员: 现场监理:基 础 交 验 单基础施工单位:是否按审批的方案与图纸施工,地基持力层(地耐力)情...

1、当您付费下载文档后,您只拥有了使用权限,并不意味着购买了版权,文档只能用于自身使用,不得用于其他商业用途(如 [转卖]进行直接盈利或[编辑后售卖]进行间接盈利)。
2、本站所有内容均由合作方或网友上传,本站不对文档的完整性、权威性及其观点立场正确性做任何保证或承诺!文档内容仅供研究参考,付费前请自行鉴别。
3、如文档内容存在违规,或者侵犯商业秘密、侵犯著作权等,请点击“违规举报”。

碎片内容

企业塔式起重机安装自检使用验收表

您可能关注的文档

确认删除?
VIP
微信客服
  • 扫码咨询
会员Q群
  • 会员专属群点击这里加入QQ群
客服邮箱
回到顶部