T8(80)级 高强度 起重链条T8 级链条是采用先进的制链设备与先进的制链技术选用优质合金钢加工而成,其范围为: Φ 6-Φ 48,也可以根...
起重机械吊装质重量和吊装高度计算4.1.1 凡新购、大修、改造以及长时间停用的起重机械,均应按有关规定进行技术检验,合格后方可使用。4...
一、双头螺栓重量表规格直径×长度A 型 (双头丝 )B 型(全丝 )规格直径×长度A 型(双头丝 )B 型(全丝 )每千个螺栓重量(公斤)每千个...
最全的常用钢材理论重量理论表面积
无缝钢管理论重量计算公式
序号 规格 元/tkg/m 元/米122*2.56330 1.27.60222*36330 1.41 8.93322*3.56330 1.610.13422*46330 1.78 11.27525*2.56250 1.39 ...
序号型号/壁厚长度(m)重量 kg/m总重量(kg)价格(元/吨)157*3.564.61827.7086135273*365.17931.0746135373*3.505.99900473*4...
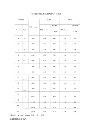
镀锌钢管理论重量无缝钢管管径壁厚理论重量DN80.648Φ 142.5 0.709DN100.857Φ 1630.962DN151.317Φ 1831.11DN201.703Φ 2031.258DN25...
2.533.544.555.56321.822.152.462.763.053.333.593.85382.192.592.983.353.724.074.414.74422.442.893.353.754.164.564.955.33452.623.113....
镀锌管工称直径-外径对照表 镀锌管、焊管工称直径-外径对照表 大外径系列 DN15-ф22mm DN20-ф27mm DN25-ф34mm DN32-ф42mm DN40-...
方形钢管特性表GB 6728-2002 边长/Amm 壁厚/t mm 理论重量 kg/m 截面面积 cm2 惯性矩 cm4 截面模数 cm3 惯性半径 cm 80*80...
矩形管理论重量表|矩形管国标标准 理论重量表 基本尺寸 截面面积 F /cm2 理论质量G /(kg/m) 惯性矩 截面系数 A B S Jx Jy...
方管.矩形管理论重量
弯头重量计算公式 圆环体积=2X3.14X3.14(r^2)R r--圆环圆半径 R--圆环回转半径 中空管圆环体积=2X3.14X3.14((r^2)-(r'^2))R r'--圆环...
钢筋 Φ 6 ;kg/m 0.222 钢筋 Φ 8 ;kg/m 0.3950 钢筋 Φ 10 kg/m 0.6169 钢筋 Φ 12 kg/m 0.8880 钢筋 Φ 14 kg...
常用材料密度表 石灰岩 密度 g/cm3 2.60 花岗岩 密度 g/cm3 2.60~2.80 (石灰岩)碎石 密度 g/cm3 2.60 砂 密度 g/cm3 2...
各类材料理论重量表 一、角钢/圆钢/钢管/汽油/柴油理论重量计算方法 角钢:每米重量=0.00785*(边宽+边宽-边厚)*边厚 圆钢:每米重量=0...
◆压力单位换算表单位Pa KPaMP a b ar mba r kgf/cm 2 cmH 2OmmH 2O mmHg p.s. iPa 110 - 310 -610-51...
脚手架钢管重量、长度=0.02466*(48-3.5)*3.5=3.84kg/m,一吨约折260 米。国标 (JGJ130-2001) 要求外钢管 脚手架 采用 φ 48x3.5 钢...
美标槽钢规格美标槽钢型号美标型号腰宽 *腿高腰厚腿厚单位重量BSC1-1/2*9/1638*14.34.76 4.76 2.145BSC2*1*1/851*253.00 5.50 2.37 B...

