拖动LOGO至书签栏,立即收藏小米粒文库
首页
党建公文
汇报报告
综合大类
党性分析
乡村振兴
意识形态
调查研究
党建工作
思想汇报
剖析整改
典型案例
换届选举
自我评价
主题教育
先进事迹
述职述廉
自查报告
通知报告
心得体会
综合大类
经验交流
观后感
读后感
学习体会
主题教育
教育整顿
总结计划
综合大类
工作计划
安全生产
教育整顿
主题教育
意识形态
党建工作
党风廉政
年终总结
季度半年
讲话发言
讲话稿
发言稿
演讲稿
主持词
致辞
党课讲稿
教育整顿
主题教育
廉政建设
慰问信
竞职竞聘
研讨材料
表彰大会
任职表态
安全生产
灾害防治
金融会议
组织生活
对照检查
批评意见
方案报告
讲话发言
谈心谈话
主持词
电脑桌面
添加小米粒文库到电脑桌面
安装后可以在桌面快捷访问
立即添加
上传文档
开通会员
限时优惠
充值
登录 | 注册
首页
文档
Tag聚合标签
“炼钢区”的相关文档
标签
“炼钢区”
的相关文档,共2条
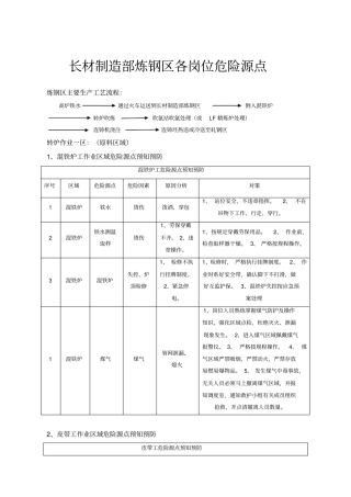
炼钢区
各区域危险源点
长材制造部
炼钢区
各岗位危险源点
炼钢区
主要生产工艺流程:高炉铁水通过火车运送到长材制造部
炼钢区
倒入混铁炉转炉吹炼吹氩站吹氩处理(或LF...
2024-12-24发布
86 浏览
30 页
11 次下载
629.62 KB
炼钢区
各区域危险源点
VIP
长材制造部
炼钢区
各岗位危险源点
炼钢区
主要生产工艺流程:高炉铁水通过火车运送到长材制造部
炼钢区
倒入混铁炉转炉吹炼吹氩站吹氩处理(或LF...
2024-11-14发布
152 浏览
30 页
14 次下载
629.62 KB
首页
上页
1
下页
尾页
文档阅读TOP10
日
周
1
县委常委、组织部长在2025年学习教育读书班作风建设集中研讨会上的讲话
289
2页
2
国外油画:第一女巫55x84高清大图鉴赏油画教程
156
2页
3
2025党费收缴标准
445
6页
4
十八届四中全会公报(全文)
346
5页
5
吉林九哥是谁
203
3页
6
军转干部八一座谈会发言稿范文
309
4页
7
幸福女人俱乐部
460
9页
8
爱国诗歌的四人朗诵稿
155
5页
9
农业观光如何实现
96
3页
10
释经学的重要原则
222
21页
1
十八届四中全会公报(全文)
350
5页
2
居家养老服务项目收费标准一览表
575
2页
3
县委常委、组织部长在2025年学习教育读书班作风建设集中研讨会上的讲话
289
2页
4
军转干部八一座谈会发言稿范文
309
4页
5
国外油画:第一女巫55x84高清大图鉴赏油画教程
156
2页
6
2025党费收缴标准
445
6页
7
2025年河南省中招考试数学试卷及答案
250
7页
8
圆明园的毁灭资料历史背景
256
2页
9
烟草码怎么看生产日期
893
1页
10
幸福女人俱乐部
460
9页
确认删除?
VIP
微信客服
扫码咨询
会员Q群
会员专属群
客服邮箱
客服邮箱
xiaomilidoc@163.com
回到顶部