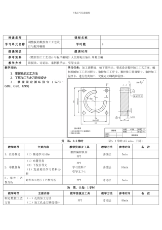
下载后可任意编辑学习单元7教案授 课 老 师课 程 名 称学 习 单 元 名 称调整板的数控加工工艺设计与程序编制学 时 数8授 课...
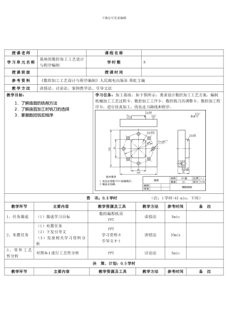
下载后可任意编辑学习单元8教案授 课 老 师课 程 名 称学 习 单 元 名 称基座的数控加工工艺设计与程序编制学 时 数8授 课 ...
下载后可任意编辑学习单元6教案授 课 老 师课 程 名 称学 习 单 元 名 称凸模板的数控加工工艺设计与程序编制学 时 数8授 课...