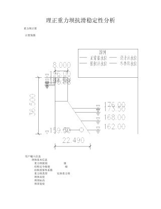
理正重力坝抗滑稳定性分析 重力坝计算 ---------------------------------------------------------------------- [计算简图] --------...
项目名称:几内亚凯勒塔(KALETA)水电站工程项目阶段:复核阶段计算书名称:重力坝抗滑稳定及应力计算审查:校核:计算:黄河勘测规划设计...
重 力 坝 抗 滑 稳 定 与 应力 计 算精品文档收集于网络,如有侵权请联系管理员删除项目名称:几内亚凯勒塔(KALETA )水电站工...

