6金属结构设计6。3金属结构设计计算6。3.1设计资料(1)闸门型式:露顶式平面钢闸门(2)孔口尺寸(宽x高):6mx3m(3)设计水头:3.16m(4)结构材料...
-1/E-v/E0-(1a1LTT1>-v/E1/E0a2LLT2001/Ga3L3c、8-SS1112V8>SS222800300S661>但必须写出S2i表明单层正轴向的任何一个应力分量到达极限应第...
混凝土结构设计原理试题库及其参考答案一、判断题(请在你认为正确陈述的各题干后的括号内打“√”,否则打“×”。每小题1分。)1.混凝土...
江苏省注册土木工程师:结构力学与结构设计模拟试题一、单项选择题(共25题,每题2分,每题的备选项中,只有1个事最符合题意)1、某场地岩...
创业公司股权结构设计(案例)▌一、股权架构员工+顾问15%投资人15%合伙人70%阿里巴巴:香港资本市场要求同股同权,因为合伙人制度受...
1混凝土设计原理1.混凝土结构:以混凝土为主要材料制作的结构。包括:素混凝土结构、钢筋混凝土结构、预应力混凝土结构。钢筋混凝土结构优...
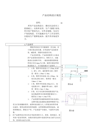
图产品结构设计规范说明:所有产品结构设计,都应在品质至上的基础上,以简单实用、生产(装配)容易、符合客户要求为主。分件及装配,先从生...
《混凝土结构设计原理》第1章绪论思考题1.1钢筋混凝土梁破坏时的特点是:受拉钢筋屈服,受压区混凝土被压碎,破坏前变形较大,有明显预兆,...
互联网时代最系统的股权激励与股权结构设计互联网战略曾庆学2016-08-0815:50互联网时代创业战略设计是基础,战略设计包括商业模式顶层设计...
绪论0-1:钢筋和混凝土是两种物理、力学性能很不相同的材料,它们为什么能结合在一起工作?答:其主要原因是:①混凝土结硬后,能与钢筋牢...
结构篇塑料的外观要求:产品表面应平整、饱满、光滑,过渡自然,不得有碰、划伤以及缩孔等缺陷。产品厚度应均匀一致,无翘曲变形、飞边、毛...
5.1.1机械结构设计的任务机械结构设计的任务是在总体设计的基础上,根据所确定的原理方案,确定并绘出具体的结构图,以体现所要求的功能。...
钢结构设计规范第一章总结第二章材料第三章基本设计规定第四章受弯构件的计算第五章轴心受力构件和拉弯、压弯构件的计算第六章疲劳计算第七...
合同编号:建设工程设计合同工程名称:钢结构设计设计证书等级:建筑行业建筑工程甲级委托方:设计方:签订日期:2020年10月30日建设工程设...
混凝土结构设计规范GB50010-2010强制性条文3.1.7设计应明确结构的用途,在设计使用年限内未经技术鉴定或设计许可,不得改变结构的用途和使...
江苏省注册土木工程师:结构力学与结构设计考试试题一、单项选择题(共25题,每题2分,每题的备选项中,只有1个事最符合题意)1、价值工程...
一、单选题1.(4分)当时,按()计算。A.整体小开口墙B.整片墙C.联肢墙D.壁式框架答案C解析2.(4分)当(),为大偏压剪力墙。A.B.C...
钢结构设计原理课程作业解答第三章连接3-1解:由于施焊时加引弧板,因此即:解得:故该连接能承受的最大荷载为505.9kN。3-2解:得到:同理...
生态格网结构设计计算实例目录1生态格网结构的设计要求..................................................................................
混凝土和砌体结构设计课程设计――多层框架结构设计指导教师:张蕾春班级:11土木(2)班学生姓名:施迎宁学号:Xf11220222设计时间:2014....

