年产千吨级六氟环氧丙烷及其下游系列产品扩建项目环境影响
1 目录 第一章 绪 论 ····················································...
下载后可任意编辑巴斯夫环氧系统施工技术方案 巴斯夫环氧产品采纳进口材料,环氧砂浆系统具有优异的抗冲击性和耐磨性。产品经过欧美体系认...
中华人民共和国石油天然气行业标准 埋地钢质管道环氧煤沥青 防腐层技术标准 Standard of coal tar epox y coating for bu ried...
——文章来源网络,仅供个人学习参考建筑水性环氧涂料涂装施工工具及施工建议一、涂装施工工具1、刷子:分为两类,即天然刷毛(动物鬃毛制...
化学化工学院课程设计可行性报告第 1 页 共 49 页年产 2 万吨环氧丙烷HPPO法生产项目可行性研究报告化学化工学院课程设计可行性报告...
内衬环氧玻璃钢施工方案 一、编制依据:1、《涂装前钢材表面锈蚀等级和除锈等级》GB/T8923-882、《防腐蚀工程施工操作规程》(YSJ411-89)3、...
稀释剂可分为活性与非活性稀释剂,通常的溶剂称为非活性稀释剂,它们不与环氧树脂、固化剂反应,纯属物理掺渗,随固化反应而挥发,因此会给...
精彩文档环氧树脂胶泥粘贴耐酸瓷砖施工方案审核:批准:编制:2010 年 1 月 15 日施工方案一、编制依据:1、《建筑安装工程质量检验评...
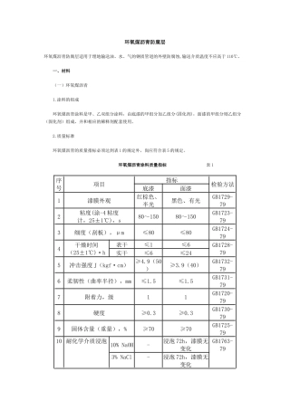
环氧煤沥青防腐层环氧煤沥青防腐层适用于埋地输送油、水、气的钢质管道的外壁防腐蚀,输送介质温度不应高于 110℃。 一、材料 (一)环氧...
1 / 34 中华人民共和国石油天然气行业标准SY/T 0447 — 96 埋地钢质管道环氧煤沥青防腐层技术标准Standard of coal tar epoxy...
醚和环氧化合物课件目录• 醚的介绍• 环氧化合物的介绍• 醚和环氧化合物的关系• 醚和环氧化合物的制备方法• 醚和环氧化合物的应用...
五、施工组织设计 1. 投标人编制施工组织设计的要求:编制时应采用文字并结合图表形式说明施工方法与技术措施;拟投入本工程的主要施工设...
五、施工组织设计 1. 投标人编制施工组织设计的要求:编制时应采用文字并结合图表形式说明施工方法与技术措施;拟投入本工程的主要施工设...
醚和环氧化合物课件目录• 醚的介绍• 环氧化合物的介绍• 醚和环氧化合物的关系• 醚和环氧化合物的制备方法• 醚和环氧化合物的应用...
无溶剂型环氧木器清漆0 引 言 我国目前家装木器漆中用量最大的是醇酸聚氨酯和硝基漆 , 在施工时都有大量溶剂挥发 , 醇酸聚氨酯涂料...
1DDDDD□□□□□□□□□□□□□(GB/T50589-2010)2DDDDDDDDDD2.1DDDD□□□□□□□□□□□□□□□□a5000□□□□□□□□□□□□□...
环氧自流坪施工方案编制人:编制时间:目录1.编制依据..................................................................................
环氧防腐防水胶泥施工方案松原市供热公司江南江北热源厂综合调节池和浓缩池池壁出现腐蚀现象,由于该水池存在高温和腐蚀环境,普通施工办法...
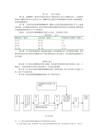
第三章设计与构造第6条地脚螺栓一般采用光面直杆形式,埋设深度为10d(d为螺栓直径)。在特殊重要部位及螺栓直径为64毫米以上时,则螺栓埋入端...

