擦亮党建品牌 为康养产业提亮增色党的十九大报告指出,要积极应对人口老龄化,加快老龄事业和产业发展。四川攀枝花市委坚持以习近平新时代...
教育+文旅+康养+田园将是新地产最新模式为贯彻落实《中共中央国务院关于打赢脱贫攻坚战的决定》《“十三五”脱贫攻坚规划》精神,切实做好...
康养综合项目合作建议书xxx 营销策划二〇一八年四月五日目 录一、合作项目情况………………………………………………………3二、公司优势...
康养产业类型划分及康养小镇规划思路我国居民正在进入避暑避霾避寒、养生养心养老的大众旅游休闲时代,人们愈加追求健康和精神享受,作为新...
森林康养规划一、对森林康养的认识•国家:生态安全健康社会•部门:资源保护合作发展•政府:绿色发展社会发展林区小康•经营:资源增值增...
本科论文目 录摘 要.................................................................................................................
^古建中圏wwwFgLijianchina,cn康养小镇开发模式和五大成功运营要点!康养小镇是指以“健康”为小镇开发的出发点和归宿点,以健康产业为核心...
*****************投资开发框架协议书甲方:****************************乙方:*******************...
“***@避暑山庄”营销建议一、项目分析1、优势现房优势,已有近 50 栋属于现房,与施工中项目相比这是很大优势。并且可先对前面这 ...
“***@避暑山庄"营销建议一、项目分析1、优势现房优势,已有近 50 栋属于现房,与施工中项目相比这是很大优势。并且可先对前面这 50...
康养产业类型划分及康养小镇规划思路我国居民正在进入避暑避霾避寒、养生养心养老的大众旅游休闲时代,人们愈加追求健康和精神享受,作为新...
工作心得:文化康养的智慧(最新)DDDDDDDDDDDDDDDDDDDDDDDDDDDDDDDDDDDDDDDDDDDDDDDDDDDDDDDDDDDDDDDDDDDDDDDDDDDDDDDDDDDDDDDDDDDDDDDDDD...
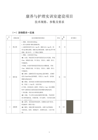
1康养与护理实训室建设项目技术规格、参数及要求(一)货物需求一览表序号货物名称技术参数和使用要求单位数量参考图片1展示柜1.规格:900*...
康养综合项目合作建议书xxx 营销策划有限公司二〇一八年四月五日目 录一、合作项目情况………………………………………………………3二、...
中铁任之健康城项目一、项目简介1、基本情况中铁任之•健康城是在“居、医、护、康、养、智、乐、游〃八位一体的新型居家养老模式(HCM)下...
康养产业类型划分及康养小镇规划思路我国居民正在进入避暑避霾避寒、养生养心养老的大众旅游休闲时代,人们愈加追求健康和精神享受,作为新...
关于在石南底村建设生态休闲康养旅游基地暨美丽乡村建设的构思DDDDDDDDDDDDDDDDDDDDDDDDDDDDDDDDDDDDDDDDDDDDDDDDDDDDDDDDDDDDDDDDDDDDDDDD...
康养小镇战略定位的思考以湘西红枫谷康养小镇为例该项目土地早在几年前就已准备,业主方吉首华泰公司在全国各地进行了参观考察,一直找不到...
康养小镇,如何走好“康养”这步棋“三避三养(避暑避霾避寒、养生养心养老)+微度假”是对旅游度假需求的集中诠释,是旅游度假发展的重要...
康养小镇战略定位全过程“康养小镇”是指以“健康”为主题的新建或改建的小镇,以健康旅游产业为核心,将健康、养生、养老、休闲、旅游等多...

