范文范例 指导参考word 版 整理双控体系管理制度第一章总则第一条为确保风险分级管控和隐患排查治理双重预防体系 (以下简称 “双控体...
xxx 安全风险分级管控与隐患治理建设手册编制单位:xxx 编制人:审核人:联系:二〇一九年九月前言本手册是依据国家安全生产法律法规及手...
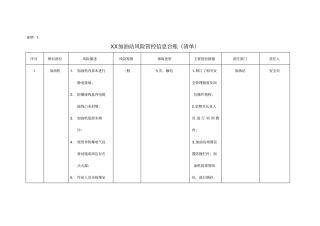
附件 1:XX加油站风险管控信息台账(清单)序号辨识部位风险描述风险等级事故类型主要管控措施责任部门责任人1 加油机1.加油机内部未进行...
.企业双控机制实施方案2————————————————————————————————作者:———————————————————...
迁安市体育运动学校深化学校安全风险分级管控和隐患排查治理“双控”机制建设实施方案意见稿学校安全风险分级管控和隐患排查治理双重预防控...
安全生产安全风险分级管控与隐患排查体系建设主讲:何远贵州省劳动保护科学技术研究院2018年3月28日要求及基础概念工作流程及方法体系建设...
1双控体系管理制度第一章总则第一条为确保风险分级管控和隐患排查治理双重预防体系(以下简称“双控体系”)前期顺利推进、后期双控体系的...
1“双控”体系岗位责任制为明确公司安全风险分级管控和隐患排查治理双重预防体系(以下简称“双控”体系)建设工作责任,确保有效推进体系...
郑州登电阳城煤业有限公司煤矿“双控”机制授课人:授课时间:2018年6月10日郑州登电阳城煤业有限公司煤矿“双控”机制是指煤矿安全生产风...
邯郸市招贤建筑工程有限公司办公室2019年08月01日印发邯郸市招贤建筑工程有限公司伽)邯招建2【】双控第号关于成立桃源居项目部“双控”机...
XXX电力“双控”体系建设工作实施方案为进一步扎实安全生产基础,推进安全生产风险分级管控与隐患排查治理双重预防控制体系(以下简称“双控...
XX煤矿关于印发《XX煤矿双控体系建设方案》的通知矿属各部门、各单位:根据金安委办[2018]23号文件关于印发《金沙县2018年安全生产双控体系...
河北省矾山磷矿有限公司“双控”体系建设情况汇报河北省矾山磷矿有限公司“双控”体系建设情况汇报河北省矾山磷矿有限公司2018年4月20...
×××公司安全风险分级管控与隐患排查治理双重预防机制建设实施方案为深入学习中央、省、市、县有关安全生产系列重要指示精神,贯彻落实各...
下载后可任意编辑双控工作自查报告3篇【篇一】双控工作自查报告“十三五”时期,推动生态文明建设,解决资源约束趋紧,环境污染,生态系统...
第1页共14页某市2021年能源消耗“双控”工作及节能措施落实状况的报告通过整理的某市2021年能源消耗“双控”工作及节能措施落实状况的报告...
建筑施工项目安全生产双控机制学习材料河北华祥建筑工程有限公司2020年5月20日、基本概念1、现提出的“双重预防机制”即为原来的“两个体系...
双控存储系统随着我国科技的发展和信息化建设的不断深入,各种数据量迅速增长,数据应用的深度也不断增加。在英国工业革命之后,各种书籍等...
.精品贵州XX公司XXX煤矿“双控体系”建设管控制度XX煤矿2018年6月30日.精品双控体系”建设管控制度第一章总则第一条为进一步实现安全生产的...
.专业.专注..word可编辑.双控体系管理制度第一章总则第一条为确保风险分级管控和隐患排查治理双重预防体系(以下简称“双控体系”)前期顺...

