电脑桌面
添加小米粒文库到电脑桌面
安装后可以在桌面快捷访问

加油站安全管理双控台账资料VIP免费

加油站安全管理双控台账资料_第1页
1/37
加油站安全管理双控台账资料_第2页
2/37
加油站安全管理双控台账资料_第3页
3/37
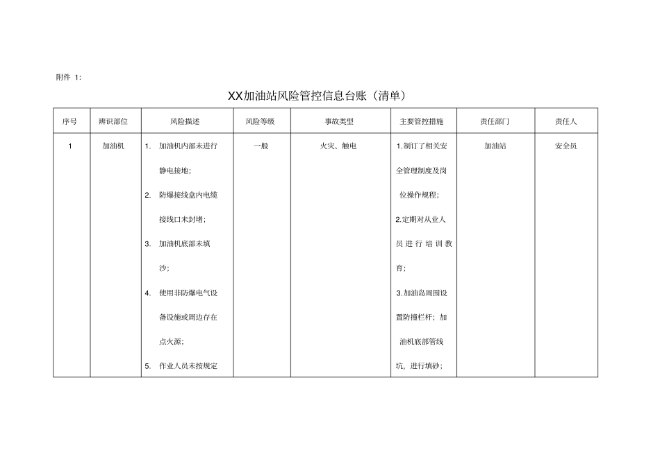
附件 1:XX加油站风险管控信息台账(清单)序号辨识部位风险描述风险等级事故类型主要管控措施责任部门责任人1 加油机1.加油机内部未进行静电接地;2.防爆接线盒内电缆接线口未封堵;3.加油机底部未填沙;4.使用非防爆电气设备设施或周边存在点火源;5.作业人员未按规定一般火灾、触电1.制订了相关安全管理制度及岗位操作规程;2.定期对从业人员 进 行 培 训 教育;3.加油岛周围设置防撞栏杆;加油机底部管线坑,进行填砂;加油站安全员配戴劳动防护用品;6.未配备消防器材。加油枪上设置拉断阀;管线法兰(小于 5 个螺栓)用铜片接地装置;4.设加油油气回收系统;5.加油机上设置导出静电、防雷接地装置;6.加油机上油号标识;7.加油区“警示标识”;8.加油机电器设施等为防爆型;加油机内设流量计、流速控制系统等。2 储油罐1.法兰、管道等连接处未进行等电位跨接;2.油罐、管道腐蚀、老化;3.卸油口盖密封不严;4.量油口未加锁、腐蚀严重;一般火灾、爆炸、中毒和窒息1.岗位工作人员需经培训合格后上岗;2.卸车处应设置静电接地报警仪,管道、法兰、液位仪胶管连接加油站安全员5.未张贴安全操作规程及职业危害告知牌;6.使用非防爆电气设备设施或周边存在点火源;7.作业人员未按规定配戴劳动防护用品;8.未配备消防器材。处、各卸油接口应进行等电位跨接;3.各卸油接口扣盖应用绝缘胶垫密封,油罐及管道定期进行检维修,量油口加锁并定期检维修;4.张贴安全操作规程、安全警示标识及职业危害告知牌;5.作业场所禁止烟火、禁止打手机等;6.防护用品穿戴齐全;7.按规定配备灭火器、消防沙等消防器材。3 罩棚1.钢结构腐蚀,易造成坍塌2.车辆撞击造成罩棚坍塌低坍塌、物体打击1.加强对罩棚的检查,钢结构损坏的及时修复2.罩棚立柱设加油站加油员置防撞钢梁4 加油员1.违规使用手机,造成着火2.不按规定穿工作服,产生静电引发着火3.现场作业疏于观察,造成人身伤害一般车辆伤害、火灾1. 教育员工遵守规章制度2. 加油站入口处设置限速标识3. 教育员工提高自我防范意识加油站安全员5 加油作业1.加油机内部未进行静电接地;2.防爆接线盒内电缆接一般火灾爆炸、触电1.岗位工作人员需经培训合格后上岗;加油站安全员线口未封堵;3.加油机底部未填沙;4.使用非防爆电气设备设施或周边存在点火源;5.作业人员未按规定配戴劳动防护用品;6.未配备消防器材。2.加油机内防爆电盒、泵、加油机身等所有部件进行静电跨接,所有接地线接到一个接...

1、当您付费下载文档后,您只拥有了使用权限,并不意味着购买了版权,文档只能用于自身使用,不得用于其他商业用途(如 [转卖]进行直接盈利或[编辑后售卖]进行间接盈利)。
2、本站所有内容均由合作方或网友上传,本站不对文档的完整性、权威性及其观点立场正确性做任何保证或承诺!文档内容仅供研究参考,付费前请自行鉴别。
3、如文档内容存在违规,或者侵犯商业秘密、侵犯著作权等,请点击“违规举报”。

碎片内容

加油站安全管理双控台账资料

您可能关注的文档

确认删除?
VIP
微信客服
  • 扫码咨询
会员Q群
  • 会员专属群点击这里加入QQ群
客服邮箱
回到顶部