第1页共53页编号:时间:2021年x月x日书山有路勤为径,学海无涯苦作舟页码:第1页共53页某水泥有限公司单机设备巡检规程1设备巡检通用规程1...
污水处理(三期)机电设备单机调试方案说明本施工组织设计方案主要内容包括:施工组织措施、施工进度计划及人员配置计划、调试技术措施、环...
第1页共51页编号:时间:2021年x月x日书山有路勤为径,学海无涯苦作舟页码:第1页共51页新疆庆华环保建材有限公司单机设备巡检规程一,目的...
第1页共6页编号:时间:2021年x月x日书山有路勤为径,学海无涯苦作舟页码:第1页共6页设备单机试车记录工程名称:湘潭市教育局两院办公楼试...
数据仓库ORACLE安装规范第1部分ORACLE11.2.0.5FORAsianux3.04.1.2-50(X64)安装手册版权所有侵权必究oracle11.2.0.5forasianux3.0.4.1.2-50...
第1页共61页编号:时间:2021年x月x日书山有路勤为径,学海无涯苦作舟页码:第1页共61页传输设备单机检验检验批质量验收记录表07020201单位...
工程名称:中泰矿冶100万吨SH/T3903-A.14机器单机试车报验申请表/年电石项目100m³/h废水回用处理站致新疆冠新工程监理部(监理单位)我方已...
XXX项目机泵单机试运方案编制:审核:批准:XXX——公司二零零九年五月十日目录一.编制依据................................................
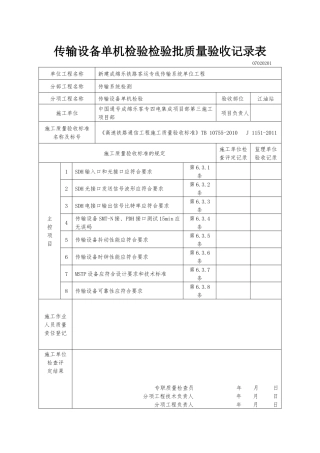
传输设备单机检验检验批质量验收记录表07020201单位工程名称新建成绵乐铁路客运专线传输系统单位工程分部工程名称传输系统检测分项工程名称...
第1页共16页编号:时间:2021年x月x日书山有路勤为径,学海无涯苦作舟页码:第1页共16页化工单机试车方案一、概述xxxx投资建设的2000t/a五...
第1页共60页编号:时间:2021年x月x日书山有路勤为径,学海无涯苦作舟页码:第1页共60页(六)维保期的零部件、备品备件、易损件清单及价格...
项目名称:生产厂家:日期:第2页共38页编号:时间:2021年x月x日书山有路勤为径,学海无涯苦作舟页码:第2页共38页目录一、项目授权书……...
项目名称:生产厂家:日期:第2页共38页编号:时间:2021年x月x日书山有路勤为径,学海无涯苦作舟页码:第2页共38页目录一、项目授权书……...
锅炉转动机械设备单机分部试运方案1工程概况1.1概述龙煤矿业集团鹤岗分公司立达矸石热电厂新建2×50MW机组锅炉采用无锡华光锅炉有限公司生...
单机操作制粉工安全操作规程1.先开通风系统进行抽气,防止灰尘外溢。2.对机械设备进行试行运转,检查是否正常,并按规定加油润滑。3.干...
项目名称:生产厂家:日期:目录一、项目授权书……………………………………………………………3二、工程方案…………………………………...
项目名称:生产厂家:日期:目录一、项目授权书……………………………………………………………3二、工程方案…………………………………...
第1页共31页编号:时间:2021年x月x日书山有路勤为径,学海无涯苦作舟页码:第1页共31页定报单机程序操作手册一、程序安装、卸载与升级1、...
考勤管理系统使用说明书版本:1.8日期:2011年5月内容介绍本文档主要介绍了考勤管理系统的使用说明。包括软件的安装/卸载,数考勤管理系统...
PC单机体育游戏市场调查本章PC单机体育游戏包括除了网络游戏以外的PC单机体育游戏出版物和局域网游戏出版物。以下统称PC单机体育游戏。游戏...

