电脑桌面
添加小米粒文库到电脑桌面
安装后可以在桌面快捷访问

单机施工方案及配件VIP免费

单机施工方案及配件_第1页
1/60
单机施工方案及配件_第2页
2/60
单机施工方案及配件_第3页
3/60
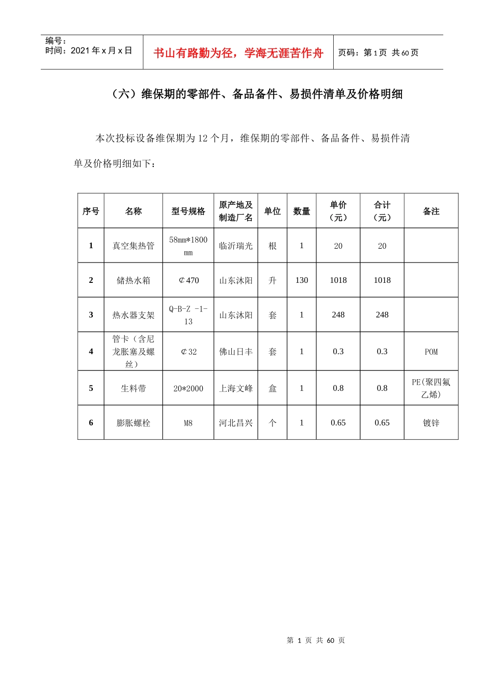
第1页共60页编号:时间:2021年x月x日书山有路勤为径,学海无涯苦作舟页码:第1页共60页(六)维保期的零部件、备品备件、易损件清单及价格明细本次投标设备维保期为12个月,维保期的零部件、备品备件、易损件清单及价格明细如下:序号名称型号规格原产地及制造厂名单位数量单价(元)合计(元)备注1真空集热管58mm*1800mm临沂瑞光根120202储热水箱¢470山东沐阳升130101810183热水器支架Q-B-Z-1-13山东沐阳套12482484管卡(含尼龙胀塞及螺丝)¢32佛山日丰套10.30.3POM5生料带20*2000上海文峰盒10.80.8PE(聚四氟乙烯)6膨胀螺栓M8河北昌兴个10.650.65镀锌第2页共60页第1页共60页编号:时间:2021年x月x日书山有路勤为径,学海无涯苦作舟页码:第2页共60页(七)质量保证及措施山东沐阳太阳能科技有限公司自成立以来,沐阳人对企业、对产品始终精益求精,企业注册资金达到5000万,先后荣获中国驰名商标、山东名牌、家电下乡中标品牌、节能产品惠民工程中标企业等荣誉,并通过了ISO9001、ISO14001、国家3C认证、环境标准认证、康居认证等等,所有产品全部通过国家级、省级检测实验室检验为合格产品。沐阳完善而先进的太阳能热水器产业链,强大的产品开发、创新能力,也成为太阳能热水工程产品的首选,在全国已完成近千个工程安装案例。沐阳太阳能,与建筑的完美融合,也成为引领太阳能建筑一体化的助推者之一!山东沐阳太阳能热水器,严格遵守并执行国家规范、标准、方法及依据进行生产制造、检验及验收,严把原材料、元器件质量关,确保企业生产质量合格、稳定的太阳能热水器。公司质检部、质管部每批次产品都进行产品质量抽查,抽查质量情况,发现存在的问题,采取纠正和预防措施。质检员负责对产品进行质量跟踪检查,发现问题立即通知生产班组改正,质检员以质量有否决权,未经质检员验收不得进入下一道工序施工。发现不合格应按《不合格控制程序》和《纠正和预防措施控制程序》处理。严格按公司ISO9001质量保证体系中《采购过程控制程序》进行采购和按《材料设备(部件)进货检验控制程序》及相关检验作业指导书进行检验。入第3页共60页第2页共60页编号:时间:2021年x月x日书山有路勤为径,学海无涯苦作舟页码:第3页共60页库后,应按《搬运及贮存控制程序》进行库房管理。不合格品不予验收入库并清退出生产厂房,做好不合格品标识和隔离,严格不合格物料混入工程中。关键工种如电工必须持有效证件上岗,在生产过中实行挂牌作业做好安装记录,做到每道工序生产人员明确责任到人,以增加作业人员的责任心,出现质量问题利于追溯。检测仪器和设备精度符合要求,量程适当,并有质量监督部门的鉴定合格证,在使用中注意保管和保护,使之经常保持在正常工作状态。不合格的检测仪器和设备不得使用。严格按公司建立的ISO9001质量保证体系运行。由公司总经理、质检部、质管部、设计技术部和生产部等有关管理人员、技术人员和质检员组成工程质量领导小组,负责制定保证措施,组织定期检查,跟踪纠正预防措施制定和执行情况和效果,及时纠正质量通病。将质量目标进行分解,把质量责任落实到每一项工程、每个质量管理人员及每个施工人员,相应制定严格的奖惩制度。在项目经理部设专职质检员,各班组设兼职质检员。质检员对职责范围内的质量问题具有一票否决权,做到不合格的物料必须尽快退货,不合格的工序必须返工,严格不合格流入下一道工序。对不合格的原因、责任和纠正预防措施必须认真按《不合格控制程序》和《纠正预防措施控制程序》办理。物料的采购必须按公司ISO9001《供应商选择控制程序》、《采购过程控制程序》和《甲方供料控制程序》办理,供应商必须从经评定的《合格供应商名录》中选取,并以甲方同意后采购。第4页共60页第3页共60页编号:时间:2021年x月x日书山有路勤为径,学海无涯苦作舟页码:第4页共60页生产质量严格按检验、检查程序进行,实行“三检制”,即班组自检、质检员专检和专业主管工程师复检。检验结果必须按检验作业指导书要求填写有关检验质量记录表,并对检验状态进行标识。有关产品技术资料和体系文件资料的管理,按公司《质量体系文件及资料控制程序》办...

1、当您付费下载文档后,您只拥有了使用权限,并不意味着购买了版权,文档只能用于自身使用,不得用于其他商业用途(如 [转卖]进行直接盈利或[编辑后售卖]进行间接盈利)。
2、本站所有内容均由合作方或网友上传,本站不对文档的完整性、权威性及其观点立场正确性做任何保证或承诺!文档内容仅供研究参考,付费前请自行鉴别。
3、如文档内容存在违规,或者侵犯商业秘密、侵犯著作权等,请点击“违规举报”。

碎片内容

单机施工方案及配件

确认删除?
VIP
微信客服
  • 扫码咨询
会员Q群
  • 会员专属群点击这里加入QQ群
客服邮箱
回到顶部