耐火炉料销售方案前言耐火炉料是生产耐火材料的重要原材料,其种类繁多、用途广泛。随着工业化和城市化的不断推动,耐火炉料的需求量越来越...
耐火喷涂施工方案耐火喷涂是一种用于防火、防腐、防侵蚀和保温的涂料,广泛应用于建筑、工业和船舶等领域。本文将介绍耐火喷涂施工方案,以...
耐火模型设计方案背景耐火模型是一种用于模拟建筑火灾烟气扩散、温度变化等情况的实验室工具,主要用于评估建筑物的消防安全性能。由于耐火...
提高构件耐火极限和改变其燃烧性能的方法建筑构件的耐火极限和燃烧性能,与建筑构件所采纳的材料性质、构件尺寸、保护层 厚度以及构件的构...
建筑耐火设计的进展趋势建筑耐火设计的进展趋势是什么下面为大家详细介绍。十几年以前,人们 JF 始考虑用分析法取代耗资巨大的试验。因计...
建筑耐火设计的进展趋势建筑耐火设计的进展趋势是什么十几年以前,人们 JF 始考虑用分析法取代耗资巨大的试验。因计算机技术的进展,近几...
建筑结构耐火性能的介绍建筑结构耐火性能的分析(一)结构类型1.钢结构钢结构是由钢材制作结构,包括钢框架结构、钢网架结构和钢网壳结构、...
建筑结构的耐火设计1.建筑结构耐火的作用与意义保证建筑物的结构安全是在建筑物内开展各式各样的活动的基本条件,也是楼内的财产得以依附...
建筑物的耐火等级是如何确定的?正确确定建筑物的耐火等级,并相应限制其层数及防火墙间的最大允许占地面积,是防止发生火灾或一旦着火防止...
全封闭燃气自动加热耐火试验炉的研制【摘要】为测试防火门、防火窗等建筑防火分隔设施的耐火极限,根据 GB/T7633 标准的技术要求,设计了...
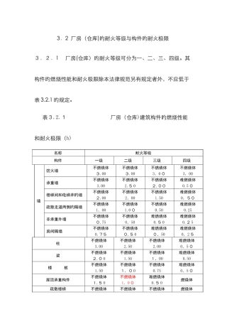
3.2 厂房(仓库)旳耐火等级与构件旳耐火极限3.2.1 厂房(仓库)旳耐火等级可分为一、二、三、四级。其构件旳燃烧性能和耐火极限除本...
推断建筑构件达到耐火极限的条件构件的受火条件是墙壁和隔板、门窗一面受火;楼板、屋面板、吊顶:下面受火横梁:两侧和底面共三面受火;柱子...
北京理工大学珠海学院 2020 届本科生毕业设计基于耐火实验炉燃烧余热回收利用装置基于耐火实验炉燃烧余热回收利用装置摘 要随着我国经济...
目 录 施工组织设计........................................- 2 -( 1) 施工组织设计 ....................................... ...
石膏板有关耐火方面知识 ☆ 纸面石膏板为什么具有良好的耐火性能? 纸面石膏板的芯材由建筑石膏水化而成,所以石膏板中石膏是以CaSO4•2H...
河南省耐火原料及制品单位产品能耗消耗限额
第 1 页精品文档---下载后可任意编辑年采 3.5 万吨耐火粘土、石墨矿扩建工程 环境影响报告书的批复明环评永[2024]10 号 三明市生态...
精品文档---下载后可任意编辑高温耐火涂层的讨论—溶胶凝胶法制备耐高温绝缘涂层的开题报告一、讨论背景随着工业化程度的不断提高,高温环...
精品文档---下载后可任意编辑预应力型钢混凝土结构耐火性能试验讨论的开题报告一、讨论背景随着我国经济的不断进展和城市化进程的推动,高...
精品文档---下载后可任意编辑钢结构防火涂料耐火性能检测试验的讨论的开题报告一、选题背景和讨论意义随着钢结构在建筑中的应用越来越广泛...


