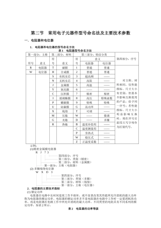
第二节常用电子元器件型号命名法及主要技术参数一.电阻器和电位器1.电阻器和电位器的型号命名方法表1电阻器型号命名方法第一部分:主称第...
各种电子元件符号二极管变容二极管表示符号:D表示符号:D双向触发二极管稳压二极管表示符号:D表示符号:ZD,D稳压二极管桥式整流二极管表示符...
中国电子元件制造产业重点企业经营数据分析及2011-2016年行业前景预测报告报告目录及图表目录睿博数据研究中心编制www.reboreport.com第2页...
《电子技术基础》复习题电子元件一、单项选择题:在下列各题中,将唯一正确的答案代码填入括号内1、在同一测试条件下,测得三个同型号二极...
第1页共4页本文格式为Word版下载后可任意编辑和复制电子元件加工合同甲方:_______________电话:_______________传真:_______________公...
SMT电子元件部分一SMT元器件分类1.片状元件:1)片状电阻第三位:10的倍数第二位:第二位数0第一位:第一位数1该电阻阻值为:10X102=1000(欧姆)=1...
专业合同封面COUNTRACTCOVER20XXPERSONALRESUME甲方:XXX乙方:XXX精密电子元件销售协议示例版A版本合同目录一览1.定义与解释1.1合同双方1....
专业合同封面COUNTRACTCOVER20XXPERSONALRESUME甲方:XXX乙方:XXX电子元件承包协议2024年标准版一本合同目录一览1.定义与术语1.1合同各方1...
各种电子元件符号二极管表示符号:D变容二极管表示符号:D双向触发二极管表示符号:D稳压二极管表示符号:ZD,D稳压二极管表示符号:ZD,D桥式整流...

