双氧水装置安装施工管理双氧水装置安装施工管理 摘要:本文首先介绍了双氧水的生产工艺流程和双氧水设备的安装特点,然后分析了双氧水设备...
双 氧 水 生 产工 艺 操 作 规程******* 股 份 有 限公 司 编 制厂痴秸梅嘶切益诅侄撤拍碱挝缠函蝗则亮阐者泛涕冲幕鹏趁抨...
蒽醌法生产双氧水过程当中不安全因素分析及事故预防方法近几年来,我国双氧水行业进展速度迅猛,尤其是 2025 年全国“非典”疫情以后,产...
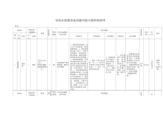
双氧水装置基础管理类隐患排查治理台帐基础管理类隐患排查台账计划过程排查过程整改过程验收过程序号排查项目排查内容与排查标准排查类型排...
(一)工程概况1、工程名称:XX 公司 80kt/a 双氧水提纯装置土建工程2、建设地点:XX 公司精细化工区3、建筑特点:① 建筑简介:本工...
实行日期:编制/修订:日期:审核:日期:批准:日期:相关部门复议并参照执行:综合部:日期:财务部:日期:供应部:日期:安所有:日期:...
杨木化机浆车间双氧水泄漏应急救援预案宋建涛审批:郭平时间:2025 年 6 月时间:2025 年 6 月双氧水应急救援预案1. 双氧水的危害双...
双氧水装置风险分级管控清单及风险点、危险源统计表表 A.1 作业活动风险分级管控清单A.1 风险分级管控清单风险点作业步骤(危险源)危险...
双氧水装置设备设施风险分级控制清单单位:风险点检查项目(危险源)标准评价级别管控级别不符合标准情况及后果管控措施管控层级责任单位责...
双氧水脱硝技术(11 页)Good is good, but better carries it.精益求精,善益求善。一、 低温烟气脱硝技术介绍(组合氧化法)我司合...
双氧水技术操作章程一、工艺说明尿素双氧水防腐系统就是将一定浓度的双氧水送入高压系统(气提塔、高压甲铵冷、高压洗涤器),替代原来的部...
双氧水+硫酸体系的微蚀液失效(1 页)Good is good, but better carries it.精益求精,善益求善。一、双氧水+硫酸体系的微蚀液失效的...
双氧水储运安全要求1、包装和贮运双氧水应用塑料或不锈钢容器,且其上盖应设有防尘的排气,以安全释放可能产生的气体,避开爆炸的产生。2、...
第1章 总论1.1 项目名称、主办单位名称、企业性质及法人项目名称:年产15万吨双氧水生产线建设项目主办单位:安徽晋煤中能化工股份有限公...
双氧水生产过程旳处理方案一、概述 双氧水又称过氧化氢,是一种重要旳无机化工产品,在纺织、造纸、化工、轻工、医药、电子、食品、环境保...
目 录第一章 总 论........................................1一、项目概述......................................1二、可行性讨论报告...
目 录第一章 项目概况.........................................21.1 项目名称............................................21.2 项...
中国双氧水专项市场调研与2025-2025 年投资机会分析 XX专业咨询公司目 录CONTENTS第一章 中国双氧水行业进展环境分析....................
浓缩双氧水安全规程 纯净的双氧水,在任何浓度下都很稳定,但与重金属及其盐类,灰尘粗糙表面及碱性物质接触,受光照、受热时都会加速分解...
浓缩双氧水安全规程纯净的双氧水,在任何浓度下都很稳定,但与重金属及其盐类,灰尘粗糙表面及碱性物质接触,受光照、受热时都会加速分解,...

