电脑桌面
添加小米粒文库到电脑桌面
安装后可以在桌面快捷访问

书的编制52工程书的编制副本ccVIP免费

书的编制52工程书的编制副本cc_第1页
1/172
书的编制52工程书的编制副本cc_第2页
2/172
书的编制52工程书的编制副本cc_第3页
3/172
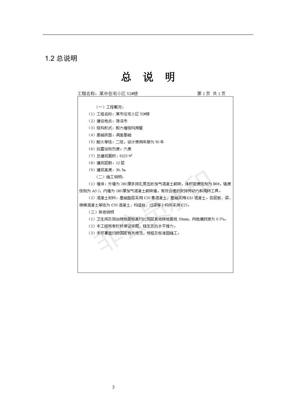
1上篇 商务标部分2第1章 总 论1.1 投标总价投 标 总 价招 标 人: 工 程 名 称: 某市 住宅小区 52# 楼 投标总价(小写): 96 96 843. 94 元 (大写): 玖佰陆拾玖万陆仟捌佰肆拾叁元玖角肆分 投 标 人: (单位盖章)法定代表人或其授权人: (签字或盖章)编 制 人: 孙自前 (造价人员签字盖专用章)编 制 时 间: 2020 年 06 月 1 日31.2 总说明总 说 明41.3 工程项目投标报价汇总表51.4 单项工程投标报价汇总表61.5 单位工程投标报价汇总表78第二章 土建部分2.1 分部分项工程量清单与计价表9101112132.2 工程量清单综合单价分析表14151617181920212223242526272829303132333435363738394041424344454647484950515253545556575859606162636465666768697071727374757677782.3 措施项目清单与计价表(一)792.4 措施项目清单与计价表(二)·802.5 其他项目清单与计价汇总表812.6 规费、税金项目清单与计价表822.7 工程量计算表838485868788第 3 章装饰部分3.1 分部分项工程量清单与计价表89909192939495963.2 分部分项工程量清单综合单价分析表9798991001011021031041051061071081091101111121131141151161171181191201211221231241251261271281291301311321331343.3 措施项目清单与计价表1353.4 其他项目清单与计价汇总表1363.5 规费、税金项目清单与计价表1373.6 工程量计算138139140141142143下篇 技术标部分144第 1 章编制依据及原则1.1 编制依据此设计的基础如下:由测量及测绘公司提供的建筑工地的地面测量报告。 施工单位提供的工程设计工作手册。 规划部门对项目规划和设计条件的批准文件。 国家和地方政府所要求的国家结构设计规范,法规和相关技术法规。 由各种专业提供的建筑制图条件,例如:建筑,给排水,电力,弱电,供暖和通风等。 1.2 编制原则 (1)坚持科学安排,明确合理衔接,做好均衡生产,确保工程准时交付使用。(2)制定严格保证施工质量的措施,确保完成该工程的施工任务。(3)制定严格保证安全、文明施工的措施,确保施工的安全生产和文明施工。(4)遵循国家和地方单位有关环保文件精神,采取有效措施,减少环境的污染,降低产生的噪音,杜绝一定的疾病情况,做好场地的消防措施。(5)采用现有的施工技术,科学地制定施工方案,科学合理地安排施工计划,加强对的经济核算,严格贯彻节约方针。 1.3 施工工序 首先地下,其次进入地面。最后...

1、当您付费下载文档后,您只拥有了使用权限,并不意味着购买了版权,文档只能用于自身使用,不得用于其他商业用途(如 [转卖]进行直接盈利或[编辑后售卖]进行间接盈利)。
2、本站所有内容均由合作方或网友上传,本站不对文档的完整性、权威性及其观点立场正确性做任何保证或承诺!文档内容仅供研究参考,付费前请自行鉴别。
3、如文档内容存在违规,或者侵犯商业秘密、侵犯著作权等,请点击“违规举报”。

碎片内容

书的编制52工程书的编制副本cc

确认删除?
VIP
微信客服
  • 扫码咨询
会员Q群
  • 会员专属群点击这里加入QQ群
客服邮箱
回到顶部