电脑桌面
添加小米粒文库到电脑桌面
安装后可以在桌面快捷访问

物料管理流程

物料管理流程_第1页
1/6
物料管理流程_第2页
2/6
物料管理流程_第3页
3/6
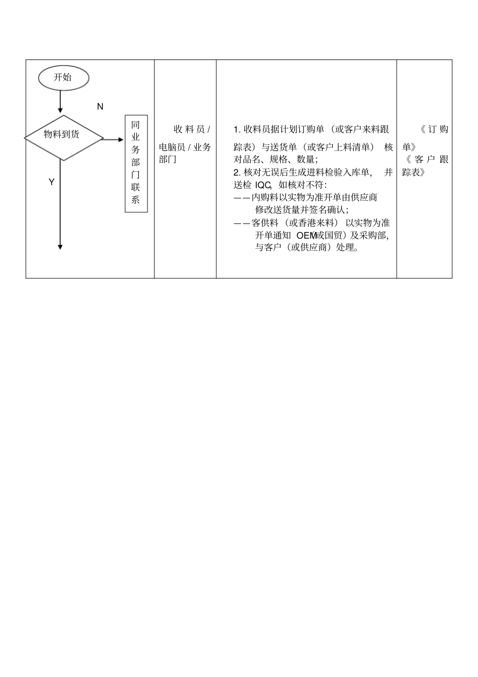
下载更多管理工具,尽在物料管理的流程1. 目的确保收料、入库、储存、防护和发放的准确,责任分明,完善库存管理。2. 适用范围适用于仓储部所有物料及半成品基板、模组的管理。3. 职责仓储部的员工按要求执行,管理人员负责监督检查。4. 相关文件《客户提供物资管理办法》《物料代用的控制流程》《特采料的控制办法》《试产料跟踪流程》《散件出货流程》《退换料控制办法》《仓储部管理制度》5. 物料管理的流程 / 职责和工作要求流程职责工作要求相关文件 /记录N Y收 料 员 /电脑员 / 业务部门1. 收料员据计划订购单 (或客户来料跟踪表)与送货单(或客户上料清单) 核对品名、规格、数量;2. 核对无误后生成进料检验入库单, 并送检 IQC,如核对不符:——内购料以实物为准开单由供应商修改送货量并签名确认;——客供料 (或香港来料) 以实物为准开单通知 OEM(或国贸)及采购部,与客户(或供应商)处理。《 订 购单》《 客 户 跟踪表》同业务部门联系开始物料到货 NY收 料员/IQC仓 管员/ 记账员仓 管员借料检验;2. 检验 OK返还借料、单给收料员办理入库;检验批退生成进料不良处理单给采购部申请特采,将借料返回收料,并作批退标识;3. 经品管部审核批准确认可使用后,需明确特采原因、使用方法(若有机型限制需注明),IQC 以此需在特采贴纸上注明;审批结果退货,则由IQC 将批退单返给收料员开退货单办理退货手续,并知会采购部。1. 核对品名、规格、数量。2. 料单相符:办理入库手续;3. 料单不符:——规格不符,需IQC 确认后在贴纸上写出来料规格或在进料检验入库单上注明来料规格;——数量不符,需由收料员确认后改单;3. 清点数量、做好标识;4. 填单、记账并返单给电脑记账员;5. 记账员入账后分单,财务联返成本核算处(或 OEM处),仓库联自行保存。1. 做好物料的标识(入库时间、数量) ,若为客户来料需有客户名称;2. 掌握好不同物料的储存期限,化学品物料(含各种胶)储存期为3 个月;一般电子料、五金料、胶纸类物料储存期为 6 个月;包材料、塑胶料储存期为1年;液晶显示片、电源、集成电路(含晶片 IC)、贴片料储存期为2 年(含免检料、试产物料)。3. 对有计划排产的超储存期物料,使用前退到 IQC 办理超期重检工作;重检合格的化学品物料(含各种胶)储存期为10 天,除此以外的其它物料储存期为3个月,重检后的物料IQC 检验员在物料状态贴纸上标识...

1、当您付费下载文档后,您只拥有了使用权限,并不意味着购买了版权,文档只能用于自身使用,不得用于其他商业用途(如 [转卖]进行直接盈利或[编辑后售卖]进行间接盈利)。
2、本站所有内容均由合作方或网友上传,本站不对文档的完整性、权威性及其观点立场正确性做任何保证或承诺!文档内容仅供研究参考,付费前请自行鉴别。
3、如文档内容存在违规,或者侵犯商业秘密、侵犯著作权等,请点击“违规举报”。

碎片内容

物料管理流程

您可能关注的文档

确认删除?
VIP
微信客服
  • 扫码咨询
会员Q群
  • 会员专属群点击这里加入QQ群
客服邮箱
回到顶部