电脑桌面
添加小米粒文库到电脑桌面
安装后可以在桌面快捷访问

盘点总结报告模板

盘点总结报告模板_第1页
1/2
盘点总结报告模板_第2页
2/2
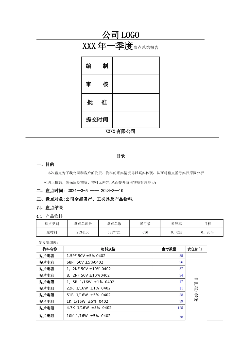
公司 LOGOXXX 年一季度盘点总结报告编 制编 制审 核审 核批 准批 准提交时间提交时间XXXX 有限公司目录一、目的本次盘点为了我公司和客户的物资、物料的账实情况得以真实体现,从而对盘点盈亏实行原因分析和纠正措施,确保后期物资、物料无差异,从而提升我司物资管理能力;二、盘点时间:2024—3-5 —— 2024-3—10三、盘点对象:公司全部资产、工夹具及产品物料.四、盘点结果4.1 产品物料盘点类别盘点总项数盘点总数盈亏数差异率目标原材料253446653177246360。02%0。20%盈亏明细表:物料名称物料规格盘亏数量责任部门 贴片电容 1.5PF 50V ±5% 0402 35 生产部/仓库 贴片电容 68PF 50V ±5%0402 26 贴片电容 1。2NF 50V ±10% 0402 37 贴片电容 8。2NF 50V ±10%0402 24 贴片电阻 1。5R 1/16W ±1% 0402 17 贴片电阻 22R 1/16W ±1% 0402 11 贴片电阻 51R 1/16W ±5% 0402 28 贴片电阻 1K 1/16W ±5% 0402 39 贴片电阻 4.7K 1/16W ±5% 0402 125 贴片电阻 10K 1/16W ±5% 0402 781206 贴片陶瓷电容_4。7uF||GRM31CR71H475KA12L||X7R/50V/4。7uF/±10%216原因分析:此次物资盘亏主要为电子器件类(阻、容、感),主要用于产品贴片,产品验证,中试产品调试使用;盈亏原因为:产品贴片的正常损耗及产品维修的正常损耗、验证等相关使用,盘装物料点数的误差等造成物料的损耗; 整改措施:1、针对维修物料类:PMC 加强维修物料及整改、验证物料的损耗管控,提高整改和维修物料提报的准确性和及时性;中试部及研发部要严格控制物料损耗,严格依据流程进行维修及验证物料申请及领取,工程人员加强管控维修物料领取和使用,避开造成物料浪费;4。2 工装夹具盘点类别盘点项目数盘点总数盈亏数差异率目标工夹具101498300。00%0。00%原因分析:无整改措施:4.3 固定资产盘点类别盘点项目数盘点总数盈亏数差异率目标资产929200.00%0。00%原因分析:无整改措施:五、结论盘点总项目数盘点总数总盈亏数总差异率盘点目标11524692196—210。350.004%0.20%此次物料盘点总数为:4692196,盘点盈亏:210.35,盘点盈亏率:0。004%,公司盘点标准:0。20%,故此次盘点达到公司盘点要求;

1、当您付费下载文档后,您只拥有了使用权限,并不意味着购买了版权,文档只能用于自身使用,不得用于其他商业用途(如 [转卖]进行直接盈利或[编辑后售卖]进行间接盈利)。
2、本站所有内容均由合作方或网友上传,本站不对文档的完整性、权威性及其观点立场正确性做任何保证或承诺!文档内容仅供研究参考,付费前请自行鉴别。
3、如文档内容存在违规,或者侵犯商业秘密、侵犯著作权等,请点击“违规举报”。

碎片内容

盘点总结报告模板

您可能关注的文档

确认删除?
VIP
微信客服
  • 扫码咨询
会员Q群
  • 会员专属群点击这里加入QQ群
客服邮箱
回到顶部