电脑桌面
添加小米粒文库到电脑桌面
安装后可以在桌面快捷访问

产品包装生产线设计和实现 机械工程专业VIP免费

产品包装生产线设计和实现 机械工程专业_第1页
1/27
产品包装生产线设计和实现 机械工程专业_第2页
2/27
产品包装生产线设计和实现 机械工程专业_第3页
3/27
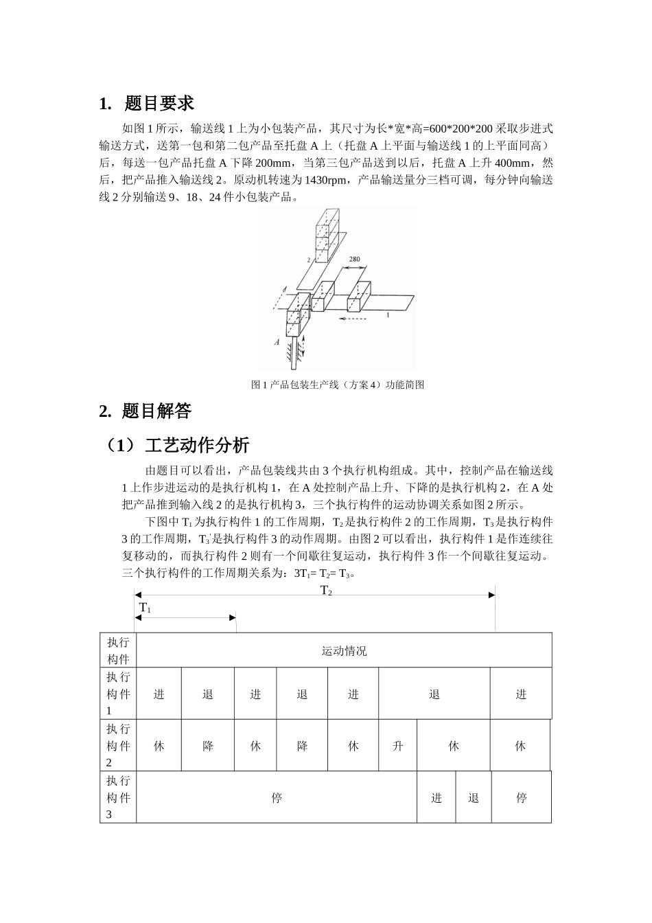
1.题目要求如图1所示,输送线1上为小包装产品,其尺寸为长*宽*高=600*200*200采取步进式输送方式,送第一包和第二包产品至托盘A上(托盘A上平面与输送线1的上平面同高)后,每送一包产品托盘A下降200mm,当第三包产品送到以后,托盘A上升400mm,然后,把产品推入输送线2。原动机转速为1430rpm,产品输送量分三档可调,每分钟向输送线2分别输送9、18、24件小包装产品。图1产品包装生产线(方案4)功能简图2.题目解答(1)工艺动作分析由题目可以看出,产品包装线共由3个执行机构组成。其中,控制产品在输送线1上作步进运动的是执行机构1,在A处控制产品上升、下降的是执行机构2,在A处把产品推到输入线2的是执行机构3,三个执行构件的运动协调关系如图2所示。下图中T1为执行构件1的工作周期,T2是执行构件2的工作周期,T3是执行构件3的工作周期,T3’是执行构件3的动作周期。由图2可以看出,执行构件1是作连续往复移动的,而执行构件2则有一个间歇往复运动,执行构件3作一个间歇往复运动。三个执行构件的工作周期关系为:3T1=T2=T3。T2T1执行构件运动情况执行构件1进退进退进退进执行构件2休降休降休升休休执行构件3停进退停T3图2产品包装生产线运动循环图(2)运动功能分析及运动功能系统图根据前面的分析可知,驱动执行构件1工作的执行机构应该具有运动功能如图3所示。该运动功能把一个连续的单向转动转换为连续的往复移动,主动件每转动一周,从动件(执行构件1)往复运动一次,主动件的转速分别为9、18、24rpm。9、18、24rpm图3执行构件1的运动功能由于电动机转速为1430rpm,为了在执行机构1的主动件上分别得到12、18、26rpm的转速,则由电动机到执行机构1之间的传动比iz有3种分别为:iz1=14309=158.89iz2=143018=79.4444iz3=143024=59.58总传动比由定传动比ic与变传动比iv组成,满足以下关系式:iz1=ic*iv1iz2=ic*iv2iz3=ic*iv3三种传动比中iz1最大,iz3最小。由于定传动比ic是常数,因此3种传动比中iv1最大,iv3最小。若采用滑移齿轮变速,其最大传动比最好不要大于4,即:iv1=4则有:ic=iz1iv1=39.72故定传动比的其他值为:iv2=iz2ic=2.00iv3=iz3ic=1.50于是,有级变速单元如图4:i=4,2.0,1.5执行构件1图4有级变速运动功能单元为保证系统过载时不至于损坏,在电动机和传动系统之间加一个过载保护环节。过载保护运动功能单元可采用带传动实现,这样,该运动功能单元不仅具有过载保护能力,还具有减速功能,如图5所示。i=2.5图5过载保护运动功能单元整个传动系统仅靠过载保护功能单元的减速功能不能实现全部定传动比,因此,在传动系统中还要另加减速运动功能单元,减速比为i=ic2.5=15.9减速运动功能单元如图6所示。i=15.9图6执行机构1的运动功能根据上述运动功能分析,可以得到实现执行构件1运动的功能系统图,如图7所示。1430rpmi=2.5i=4,2.0,1.5i=15.9图7实现执行构件1运动的运动功能系统图为了使用同一原动机驱动执行构件2,应该在图7所示的运动功能系统图加上个运动分支功能单元,使其能够驱动分支执行构件2,该运动分支功能单元如图8所示。执行构件2有一个间歇单向转动。执行构件3有一个执行运动,为间歇往复移动,其运动方向与执行构件1的运动方向垂直。为了使执行构件2和执行构件3的运动和执行构件1的运动保持正确的空间关系,可以加一个运动传动方向转换功能单元,同时该运动单元具有减速的作用,传动比i=3,如图9所示。图8运动分支功能单元1i=3图9运动传动方向转换的运动功能单元执行构件1执行构件2经过运动传递方向转换功能单元输出的运动需要分成两个运动分支分别驱动执行构件2的运动和执行构件3的一个运动。因此,需要加一个运动分支功能分支单元,如图10所示。图10运动分支功能单元2执行构件2的一个运动是间歇往复移动,可以通过一个运动单元将连续转动转换成间歇往复移动。如图11所示。图11连续转动转换为间歇往复移动的运动功能单元根据上述分析可以得出实现执行构件1和执行构件2运动功能的运动功能系统图,如图12所示。1430rpmi=2.5i=4,2.0,1.5i=15.9图12执行构件1、2的运动功能系统图执行构件3需要进行间歇往复移动,为此,需要将连续转动转换为间歇转动。由...

1、当您付费下载文档后,您只拥有了使用权限,并不意味着购买了版权,文档只能用于自身使用,不得用于其他商业用途(如 [转卖]进行直接盈利或[编辑后售卖]进行间接盈利)。
2、本站所有内容均由合作方或网友上传,本站不对文档的完整性、权威性及其观点立场正确性做任何保证或承诺!文档内容仅供研究参考,付费前请自行鉴别。
3、如文档内容存在违规,或者侵犯商业秘密、侵犯著作权等,请点击“违规举报”。

碎片内容

产品包装生产线设计和实现 机械工程专业

确认删除?
VIP
微信客服
  • 扫码咨询
会员Q群
  • 会员专属群点击这里加入QQ群
客服邮箱
回到顶部