电脑桌面
添加小米粒文库到电脑桌面
安装后可以在桌面快捷访问

环保工作监理实施细则

环保工作监理实施细则_第1页
1/15
环保工作监理实施细则_第2页
2/15
环保工作监理实施细则_第3页
3/15
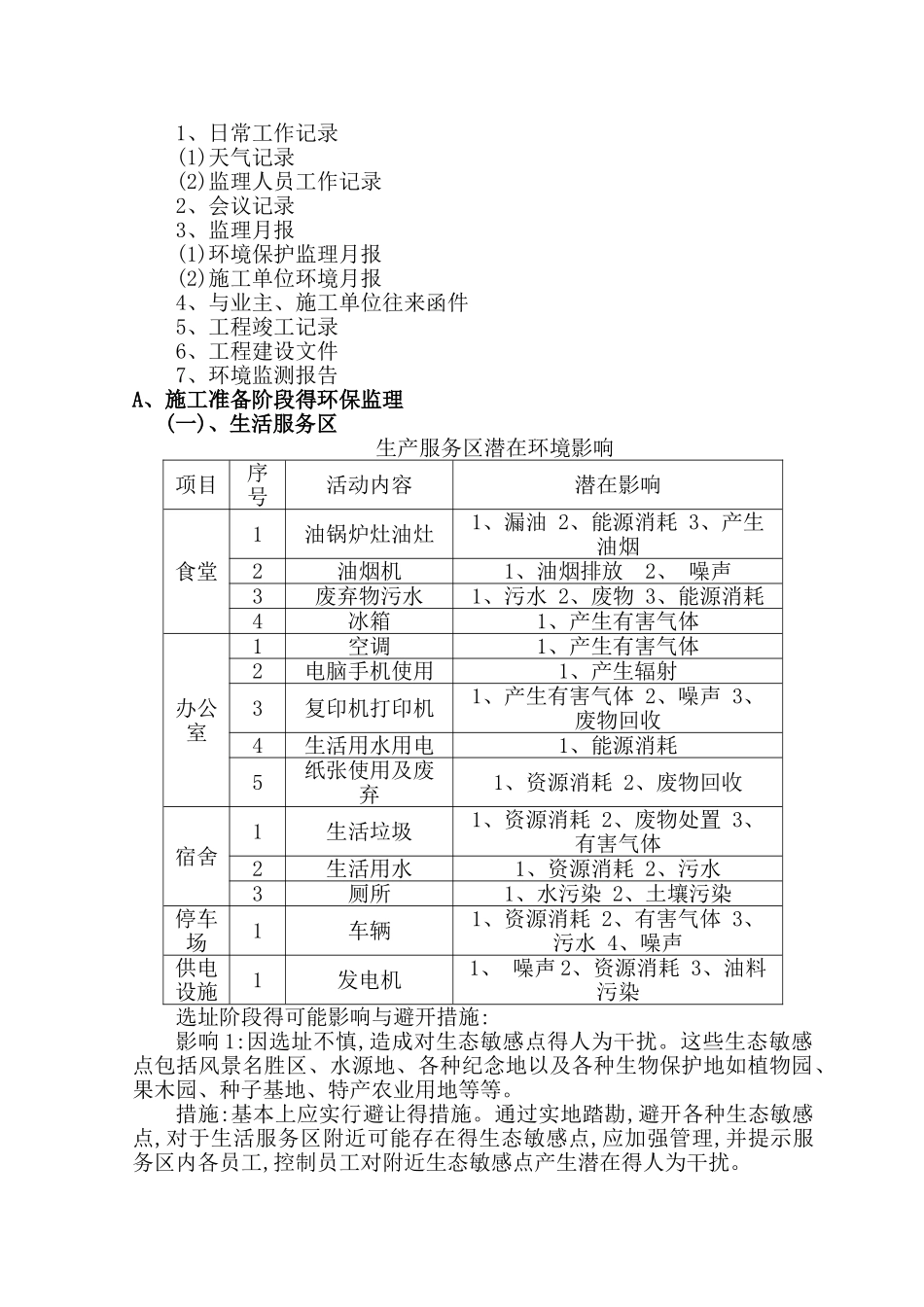
环保监理实施方案一、专业工作特点环境保护监理就是工程监理得重要组成部分,但由于工作内容不仅仅限于工程本身,涉及到环保技术,因此具有特别性与相对独立性。环境保护监理得主要任务一方面就是根据《中华人民共与国环境保护法》及相关法律法规,对工程建设过程中污染环境、破坏生态得行为进行监督管理;另一方面对建设项目配套得环保工程进行施工监理,确保“三同时”得实施。公路环境保护监理包括两部分内容:一就是监理公路主体工程得施工过程应符合环保要求,如噪声、废气、污水等污染物排放应达标、减少水土流失与生态环境破坏,称为“工程环境监理”或“环境监理”;二就是对保护营运与施工期得环境而建设得配套环境保护设施进行监理,称为“环保工程监理”,包括水处理设施、声屏障、绿化工程等。二、监理工作流程环境保护监理程序图三、环保监理控制要点及目标值A、临时设施:承包人永驻地监理师得临时驻地与临时施工现场。(一)供水生活用水必须符合国家有关饮水标准得要求。(二)生活污水1、临时驻地必须建有化粪池或其它满足使用要求得系统,并于以管理维护直至合同终止。此化粪池或系统,以用于汇合与处理由临时驻地得住房,办公室及其它建筑物与流动性设施中排放得污水。2、污水处理系统得位置,容量与设计均应能够满足就是正常使用得需求。3、每一处临时施工现场均应备有临时污水集中设施,对拌与物清洗砂石料得污水应处理回用,不得排出施工现场以外得地方。(三)垃圾处理1、临时驻地产生得一切垃圾必须每天有专人负责清理集中并处理,临时施工现场产生得施工垃圾必须随当地作业班组清理集中处理,以保证作业现场保证干净卫生。垃圾管理工作直至工程竣工交验后为止。2 修建临时工程应尽量减少对原自然环境得损害,在竣工拆除临时工程后,应恢复原来得自然状态。(四)控制扬尘1. 组织施工环境保护监理交底会与有关协调会2. 审核施工组织设计中环境保护方案3. 审核工程材料、设备得环境性能指标1. 督促施工单位履行承包合同中得环境保护条款2. 现场检查、监督并发布各项指令、文件及协调管理3. 结合环境监测数据调整环保监控力度4. 编写工作记录、监理日志、监理月报监理工作报告、监理工作总结等编制施工环境保护监理报告书,参加工程竣工及环境保护验收建立项目施工环境保护监理机构根据实施细则进行施工环境保护监理编制施工环境保护监理规划向建设单位提交施工环境保护监理资料编制单项施工环境保护监理实施细则1、拌与场对于可产生扬尘得细粉料拌与...

1、当您付费下载文档后,您只拥有了使用权限,并不意味着购买了版权,文档只能用于自身使用,不得用于其他商业用途(如 [转卖]进行直接盈利或[编辑后售卖]进行间接盈利)。
2、本站所有内容均由合作方或网友上传,本站不对文档的完整性、权威性及其观点立场正确性做任何保证或承诺!文档内容仅供研究参考,付费前请自行鉴别。
3、如文档内容存在违规,或者侵犯商业秘密、侵犯著作权等,请点击“违规举报”。

碎片内容

环保工作监理实施细则

您可能关注的文档

确认删除?
VIP
微信客服
  • 扫码咨询
会员Q群
  • 会员专属群点击这里加入QQ群
客服邮箱
回到顶部