电脑桌面
添加小米粒文库到电脑桌面
安装后可以在桌面快捷访问

上海震旦家具有限公司SAP实施专案VIP免费

上海震旦家具有限公司SAP实施专案_第1页
1/14
上海震旦家具有限公司SAP实施专案_第2页
2/14
上海震旦家具有限公司SAP实施专案_第3页
3/14
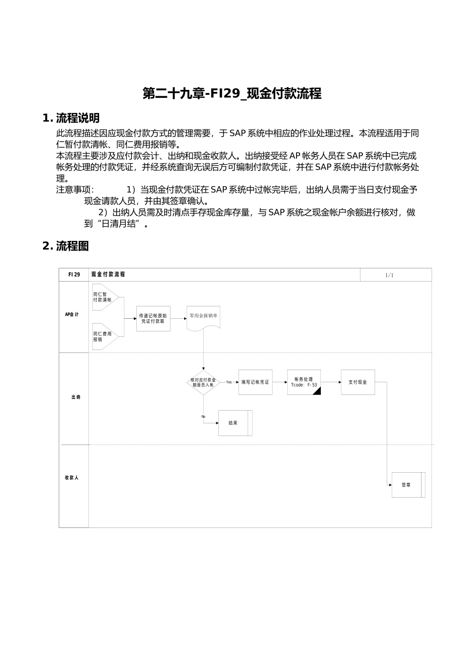
第二十九章-FI29_现金付款流程1.流程说明此流程描述因应现金付款方式的管理需要,于SAP系统中相应的作业处理过程。本流程适用于同仁暂付款清帐、同仁费用报销等。本流程主要涉及应付款会计、出纳和现金收款人。出纳接受经AP帐务人员在SAP系统中已完成帐务处理的付款凭证,并经系统查询无误后方可编制付款凭证,并在SAP系统中进行付款帐务处理。注意事项:1)当现金付款凭证在SAP系统中过帐完毕后,出纳人员需于当日支付现金予现金请款人员,并由其签章确认。2)出纳人员需及时清点手存现金库存量,与SAP系统之现金帐户余额进行核对,做到“日清月结”。2.流程图现金付款流程FI29AP会计收款人出纳同仁暂付款清帐同仁费用报销传递记帐原始凭证付款联核对应付款金额是否入帐填写记帐凭证帐务处理TcodeF-53:支付现金Yes签章结束No零用金报销单1/13.系统操作3.1.操作范例1)全额支付王强差旅费报销,现金付款报销差旅费金额:1000元支付报销金额:1000元2)部分支付王强差旅费报销,现金付款报销差旅费金额:1000元支付报销金额:500元3)同仁江琳暂借款清帐后余额支付,现金付款暂借款金额:1000元(已清帐)报销差旅费金额:5000元支付报销金额:4000元3.2.系统菜单及交易代码1)全额支付王强差旅费报销,现金付款报销差旅费金额:1000元支付报销金额:1000元路径:会计财务会计应付帐款凭证输入付款过帐交易代码:F-532)部分支付王强差旅费报销,现金付款报销差旅费金额:1000元支付报销金额:500元路径:会计财务会计应付帐款凭证输入付款过帐交易代码:F-533)同仁江琳暂借款清帐后余额支付,现金付款暂借款金额:1000元(已清帐)报销差旅费金额:5000元支付报销金额:4000元路径:会计财务会计应付帐款凭证输入付款过帐交易代码:F-533.3.系统屏幕及栏位解释1)全额支付王强差旅费报销,现金付款报销差旅费金额:1000元支付报销金额:1000元路径:会计财务会计应付帐款凭证输入付款过帐交易代码:F-53栏位名称栏位说明资料范例凭证日期会计凭证日期2001/03/10凭证类型以区分不同交易业务产生的会计记帐凭证。不同的记帐凭证具有不同的凭证编号范围,同一种记帐凭证编号连续KZ:同仁报销付款公司代码为财务会计的组织结构基本单元,在其层面上出具资产负债表和损益表等法定会计报表,震旦家具公司之公司代码设定为自“F001”至“F999”F001:震旦总部记帐日期付款入帐日期。2001/03/10记帐期间记帐期间3货币为会计凭证之业务货币种类,本公司之记帐本位币为人民币(RMB),业务货币则有美元(USD)等RMB财务凭证编号会计凭证编号。同一种凭证类型、同一会计年度、同一公司代码的会计凭证编号连续。系统自动编号凭证抬头文本会计凭证摘要王强报销差旅费银行:帐户现金科目编号1101010000:现金-RMB银行:业务范围跨公司代码的核算环境以出具跨公司代码的资产负债表和损益表,震旦家具公司业务范围区分为震旦中国家具董事会(1001)和震旦中国办公家具(1002)1002:震旦中国办公家具银行:金额交易事项金额,付款金额1000供应商:帐户指定总帐科目。对于同仁付款,指定同仁工号80000004:其他应付款-王强供应商:帐户类型确定过帐对象为总帐或子帐K:同仁报销,对子帐过帐按<处理未清项>进入下一画面选择<部分支付>页面,选出进行冲销的行项目。按<模拟>进入下一画面栏位名称栏位说明资料范例项行项次1PK指定行项目的借贷方和科目50:总帐贷方业务范围跨公司代码的核算环境以出具跨公司代码的资产负债表和损益表,震旦家具公司业务范围区分为震旦中国家具董事会(1001)和震旦中国办公家具(1002)1002:震旦中国办公家具帐户科目编号1101010000科目简短说明科目短描述现金-RMB金额付款金额1000按<保存>退出Dr:2171030000其他应付款-员工1000Cr:1101010000现金RMB10002)部分支付王强差旅费报销,现金付款报销差旅费金额:1000元支付报销金额:500元路径:会计财务会计应付帐款凭证输入付款过帐交易代码:F-53栏位名称栏位说明资料范例凭证日期会计凭证日期2001/03/10凭证类型以区分不同交易业务产生的会计记帐凭证。不同的记帐凭证具有不同的凭证编号范围,同一...

1、当您付费下载文档后,您只拥有了使用权限,并不意味着购买了版权,文档只能用于自身使用,不得用于其他商业用途(如 [转卖]进行直接盈利或[编辑后售卖]进行间接盈利)。
2、本站所有内容均由合作方或网友上传,本站不对文档的完整性、权威性及其观点立场正确性做任何保证或承诺!文档内容仅供研究参考,付费前请自行鉴别。
3、如文档内容存在违规,或者侵犯商业秘密、侵犯著作权等,请点击“违规举报”。

碎片内容

上海震旦家具有限公司SAP实施专案

您可能关注的文档

确认删除?
VIP
微信客服
  • 扫码咨询
会员Q群
  • 会员专属群点击这里加入QQ群
客服邮箱
回到顶部