电脑桌面
添加小米粒文库到电脑桌面
安装后可以在桌面快捷访问

串行口数据传输的仿真和硬件实现实验VIP免费

串行口数据传输的仿真和硬件实现实验_第1页
1/15
串行口数据传输的仿真和硬件实现实验_第2页
2/15
串行口数据传输的仿真和硬件实现实验_第3页
3/15
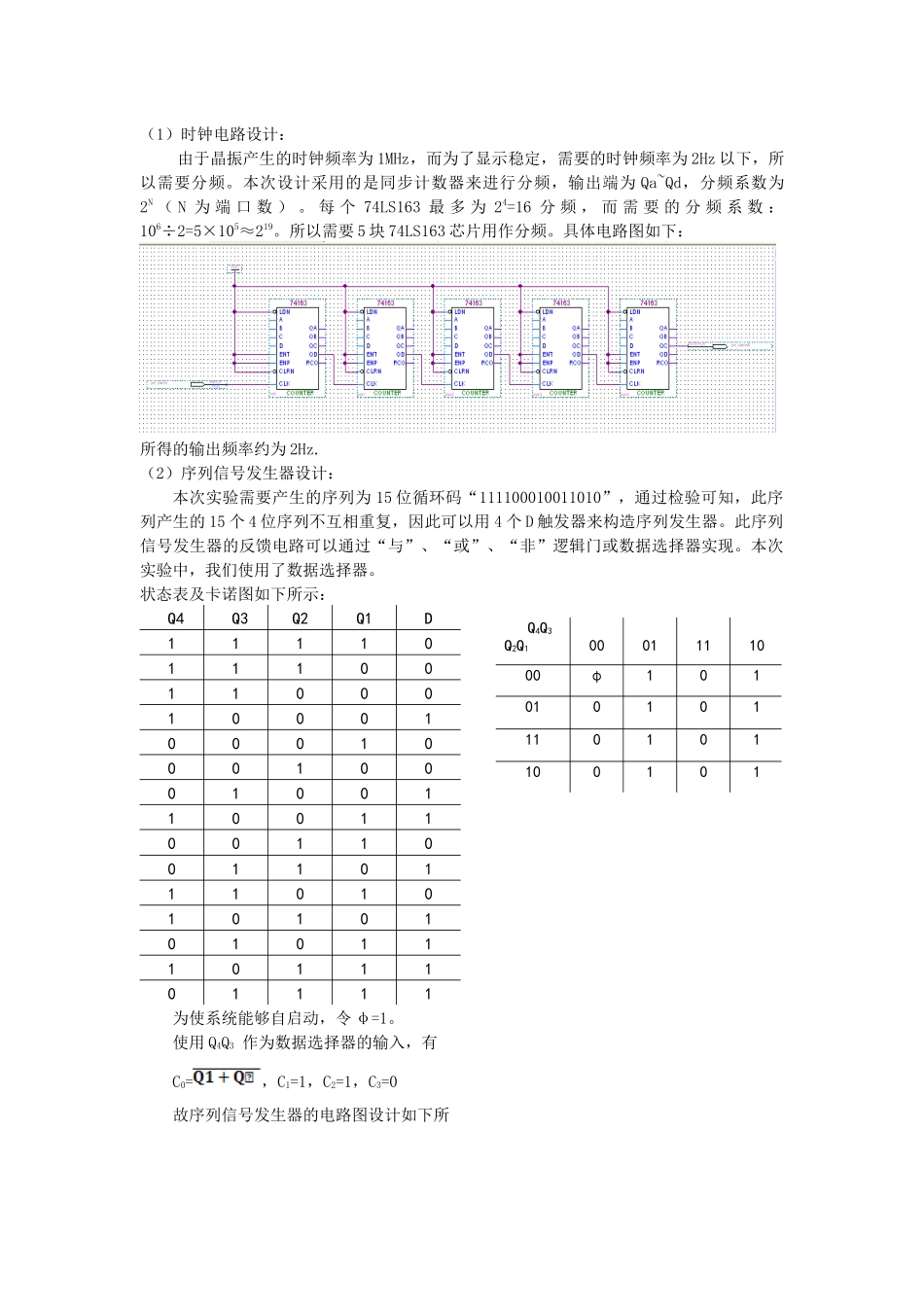
锁存接收显示电路控制电路时钟电路串/并转换字符检测电路同步字符结束字符发生器信息码串行口数据传输的仿真及硬件实现第*组班级:**********姓名:******指导老师:***一、实验目的:串行口数据传输是数字系统中常用的一种数据传输方式。本次课程设计要求学生综合数字逻辑电路和串行口通信的有关知识,用硬件独立设计完成一个简单的串行口数据传输系统,并用FPGA可编程逻辑器件进行仿真。二、实验仪器1双踪示波器1台2直流稳压电源1台3频率计1台4数字万用表1台5面包板1台三、实验内容与设计:1、实验内容:一个简单的串行口数据传输系统的系统框图如下:由图可见,系统分为发送端,接收端两部分。发送端主要是同步字符、结束字符、时钟电路和信息码发生器。接收端包括串/并转换电路、字符检测电路、控制电路、锁存接收和显示电路。2、各部分功能的端口设置:(1)时钟电路:晶振的时钟输入信号、通过分频后提供系统使用的输出信号。(2)信号发生电路:时钟电路发出的时钟信号输入端、生成的序列输出端。(3)串并转换电路:时钟信号输入、串行序列输入端、并行序列输出端。(4)字符检测电路:若采用并行检测,有并行数据输入端、检测信号输出端;若采用串行检测,有串行数据接入端、时钟信号输入端、检测信号输出端。(5)控制电路:时钟信号输如端、检测信号输入端、控制信号输出端。(6)锁存电路:控制信号输入端、并行数据输入端、并行数据输出端。(7)显示电路:并行数据输入端。3、各部分的逻辑设计:(1)时钟电路设计:由于晶振产生的时钟频率为1MHz,而为了显示稳定,需要的时钟频率为2Hz以下,所以需要分频。本次设计采用的是同步计数器来进行分频,输出端为Qa~Qd,分频系数为2N(N为端口数)。每个74LS163最多为24=16分频,而需要的分频系数:106÷2=5×105≈219。所以需要5块74LS163芯片用作分频。具体电路图如下:所得的输出频率约为2Hz.(2)序列信号发生器设计:本次实验需要产生的序列为15位循环码“111100010011010”,通过检验可知,此序列产生的15个4位序列不互相重复,因此可以用4个D触发器来构造序列发生器。此序列信号发生器的反馈电路可以通过“与”、“或”、“非”逻辑门或数据选择器实现。本次实验中,我们使用了数据选择器。状态表及卡诺图如下所示:Q4Q3Q2Q1D111101110011000100010001000100010011001100110011011101010101010111011101111为使系统能够自启动,令φ=1。使用Q4Q3作为数据选择器的输入,有C0=,C1=1,C2=1,C3=0故序列信号发生器的电路图设计如下所Q4Q3Q2Q10001111000φ101010101110101100101(3)串并转换电路的设计因为系统需要7位并行输出,所以串并转换电路可由两块移位寄存器74LS194级联构成。电路图如下:(4)串行字符检测电路的设计:串行字符检测实际就是依次对字符进行检测,符合同步码的输出1,否则输出0。但若对7位同步码都进行检测,需要的触发器较多,电路将非常复杂。通过观察发现同步码后4位1000在整个序列中是唯一的,因此实验中通过检测1000来达到检测同步码的效果。检测电路可通过状态机来实现。状态转移图如下所示:1/00/11/01/00/00/0对A、B、C、D进行编码:A00,B01,C11,D10X=0X=1000001ABDC01ZX=0X=10000010011001010011101111001100001卡诺图如下:Q2Q1D000111100011010000Q2n+1Q2Q1D000111100000110000Z由卡诺图可得:D2=Q2n+1=Q1D1=Q1n+1=Q1+DZ=Q2··可用D触发器实现,电路图如下所示:(5)并行字符检测电路的设计:并行字符检测,即将原序列经串并转换电路后产生的并行信号与同步码1111000相比较,当与同步码相同时,即产生一个高电平。此检测电路可通过两个比较器实现,比较时应由低位到高位依次进行。本实验采用了两个数据比较器74LS85级联的方式。电路图如下所示:Q2Q1D000111100010011111Q1n+1(6)控制电路的设计:字符检测电路若检测到同步码就会对控制电路输出一个信号,控制电路对此信号做出反应,以此来控制锁存电路的开关。检测信号通过控制电路使锁存器开启,此后检测信号对锁存器的影响就不存在了。电路图如下所示:(7)锁存电路的设计:锁存电路比较简单,只需要一块74LS273锁存芯片就可以...

1、当您付费下载文档后,您只拥有了使用权限,并不意味着购买了版权,文档只能用于自身使用,不得用于其他商业用途(如 [转卖]进行直接盈利或[编辑后售卖]进行间接盈利)。
2、本站所有内容均由合作方或网友上传,本站不对文档的完整性、权威性及其观点立场正确性做任何保证或承诺!文档内容仅供研究参考,付费前请自行鉴别。
3、如文档内容存在违规,或者侵犯商业秘密、侵犯著作权等,请点击“违规举报”。

碎片内容

串行口数据传输的仿真和硬件实现实验

您可能关注的文档

确认删除?
VIP
微信客服
  • 扫码咨询
会员Q群
  • 会员专属群点击这里加入QQ群
客服邮箱
回到顶部