电脑桌面
添加小米粒文库到电脑桌面
安装后可以在桌面快捷访问

LED灯具ERP物料编码规则VIP免费

LED灯具ERP物料编码规则_第1页
1/34
LED灯具ERP物料编码规则_第2页
2/34
LED灯具ERP物料编码规则_第3页
3/34
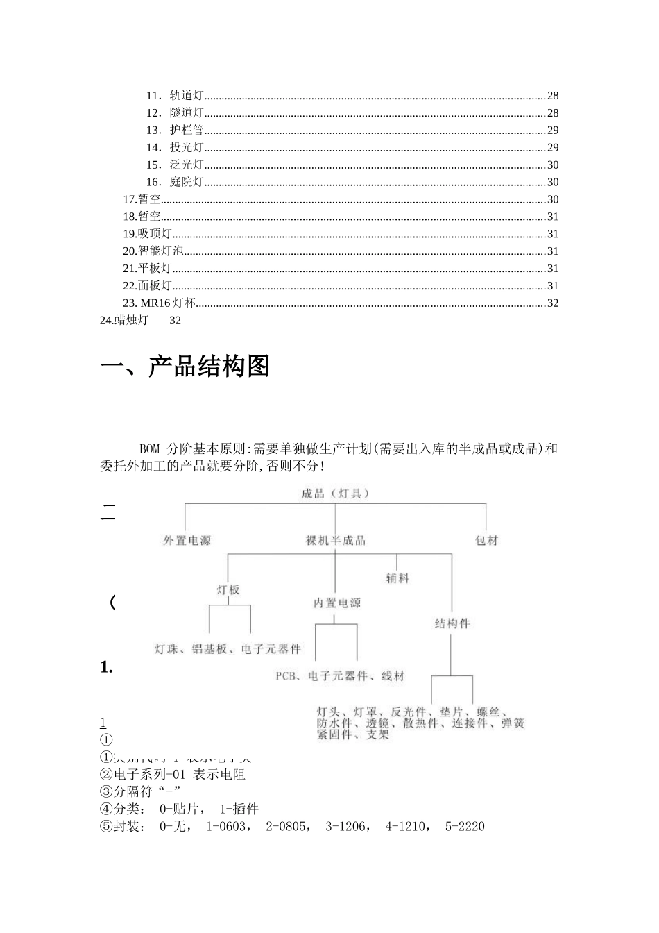
LED灯具ERP物料编码规则目录一、产品结构图..............................................................................................................................3二、物料编码原则:....................................................................................................................4(一)电子类:......................................................................................................................41.电阻...............................................................................................................................42.PCB(铝基板)............................................................................................................43.电容............................................................................................................................54.IC类...........................................................................................................................55.二极管...........................................................................................................................56.三极管........................................................................................................................67.变压器........................................................................................................................68.电感...............................................................................................................................69.开关...............................................................................................................................710.保险管......................................................................................................................711.防雷管.........................................................................................................................712.线材..........................................................................................................................813.连接器......................................................................................................................814.暂空..........................................................................................................................815.导电件(电池)........................................................................................................816.光源.............................................................................................................................9(二)结构类:(以图号管理进行体现).......................................................................91.透光件(透镜,PC罩,清光玻璃,钢化玻璃,透光板...........................92.散热件(在灯体所占比例小于1/2;若比例大于或等于1/2则为灯体)............103.面板(面盖)................................................................................................................104.支架(盒子).........................................................................................................115.灯体件.......................................................................................................................116.反光件.......................................................................................................................117.紧固件.................................

1、当您付费下载文档后,您只拥有了使用权限,并不意味着购买了版权,文档只能用于自身使用,不得用于其他商业用途(如 [转卖]进行直接盈利或[编辑后售卖]进行间接盈利)。
2、本站所有内容均由合作方或网友上传,本站不对文档的完整性、权威性及其观点立场正确性做任何保证或承诺!文档内容仅供研究参考,付费前请自行鉴别。
3、如文档内容存在违规,或者侵犯商业秘密、侵犯著作权等,请点击“违规举报”。

碎片内容

LED灯具ERP物料编码规则

状元书阁+ 关注
实名认证
内容提供者

爱好英语教学和互联网行业,热爱教育事业,兢兢业业

确认删除?
VIP
微信客服
  • 扫码咨询
会员Q群
  • 会员专属群点击这里加入QQ群
客服邮箱
回到顶部