电脑桌面
添加小米粒文库到电脑桌面
安装后可以在桌面快捷访问

PLC在机械手控制系统中的应用分析研究 机械制造专业VIP免费

PLC在机械手控制系统中的应用分析研究  机械制造专业_第1页
1/7
PLC在机械手控制系统中的应用分析研究  机械制造专业_第2页
2/7
PLC在机械手控制系统中的应用分析研究  机械制造专业_第3页
3/7
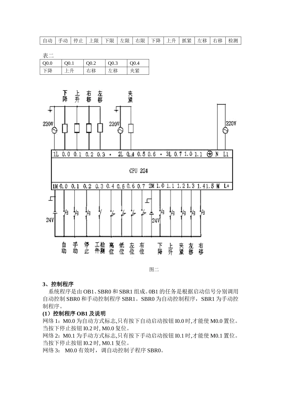
PLC在机械手控制系统中的应用摘要:介绍了西门子S7200PLC在机械手控制系统中的设计方法及应用。关键词:机械手PLC开关量控制S7200的编程方法常见的主要有梯形图法、逻辑流程图法、时序流程图法和步进顺控法。而机械手控制系统属于典型的开关量控制系统。开关量控制是指控制系统的输入信号和输出信号都是只有两个状态的开关量。这类控制系统又可以分为手动控制、半自动控制和全自动控制。下面以PLC在机械手中的应用为例介绍一种PLC的编程方法。1、控制要求图一是一台将工件由A工作台搬往B工作台,运动形式为垂直/水平移动的机械手设备动作示意图。上升/下降和左行/右行的执行机构采用双线圈的两位电磁阀推动气缸来完成。当某一线圈失电,机械所处位置一直保持到相反动作的线圈得电为止。夹紧/放松用单线圈两位电磁阀推动气缸完成,线圈得电夹紧,线圈失电则放松。第一步是下降。第二步是抓紧工件。第三步上升。第四步是右移。第五步是再次下降。第六步是放松工件。第七步是再次上升。第八步是左移。第八步结束图一2、硬件设计机型选择与I/O分配:从控制方式选择上需要2个按钮,分别完成自动方式I0.0和手动方式I0.1的启动需要一个停止按钮I0.2。限位开关有4个,高位限位开关I0.4、低位限位开关I0.5、左位限位开关I0.6和右位限位开关I0.7。手动控制输入有5个按钮组成,下降I1.0、上升Il.1、抓紧I1.2、左移I1.3和右移按钮Il.4。工作台A上有工件检测PH器的输入信号I0.3。共有l3个输入信号。输出信号有下降驱动Q0.0、上升驱动Q0.1、右移驱动Q0.2、左移驱动Q0.3和机械手抓紧驱动Q0.4。共有5个输出信号。(如表一、表二及图二)表一I0.0I0.1I0.2I0.4I0.5I0.6I0.7I1.0I1.1I1.2I1.3I1.4I0.3自动手动停止上限下限左限右限下降上升抓紧左移右移检测表二Q0.0Q0.1Q0.2Q0.3Q0.4下降上升右移左移夹紧图二3、控制程序系统程序是由OB1、SBR0和SBR1组成。0B1的任务是根据启动信号分别调用自动控制SBR0和手动控制程序SBR1。SBR0为自动控制程序,SBR1为手动控制程序。(1)控制程序OB1及说明网络1:M0.0为自动方式标志,只有按下自动启动按钮I0.0时,才能使M0.0置位。当按下停止按钮I0.2时,M0.0复位。网络2:M0.1为手动方式标志,只有按下手动启动按钮I0.1时,才能使M0.1置位。当按下停止按钮I0.2时,M0.1复位。网络3:M0.0有效时,调自动控制子程序SBR0。网络4:M0.1有效时,调手动控制子程序SBR1。网络5:如果自动启动按钮I0.0和手动启动按钮I0.1同时下按的误操作出现时,立即停止程序的运行。网络6:执行停止操作。(2)机械手控制程序SBR0及说明·SBR0网络1:机械手第一次下降控制(下降的主要条件是机械手在原点且A工作台上有工件)。网络2:机械手抓紧控制(抓紧的主要条件是机械手在下降到A工作台上)。网络3:抓紧的时间控制。网络4:第一次上升控制(其主要条件是机械手T101计时时间到)。网络5:右移控制(其主要条件是机械手上升到位)。网络6:第二次下降控制(下降的主要条件是机械手右移到位)。网络7:放松控制(放松的主要条件是机械手下降到位)。网络8:放松时间控制。网络9:第二次上升控制(其主要条件是机械手T102计时时间到。网络10:左移控制(左移的主要条件是机械手上升到位)。网络11:机械手回原位控制(回原位的主要条件是机械手左移到位)。(3)机械手控制程序SBR1及说明·SBR1网络1是手动下降控制。网络2是手动上升控制。网络3是手动抓紧控制和放松控制。网络4是手动左移控制。网络5是手动右移控制。以上程序经模拟调试和现场运行均达到了理想的效果,机械手能够安全、稳定和按照工艺要求运行,实现了机械手自动化和半自动化的控制要求。

1、当您付费下载文档后,您只拥有了使用权限,并不意味着购买了版权,文档只能用于自身使用,不得用于其他商业用途(如 [转卖]进行直接盈利或[编辑后售卖]进行间接盈利)。
2、本站所有内容均由合作方或网友上传,本站不对文档的完整性、权威性及其观点立场正确性做任何保证或承诺!文档内容仅供研究参考,付费前请自行鉴别。
3、如文档内容存在违规,或者侵犯商业秘密、侵犯著作权等,请点击“违规举报”。

碎片内容

PLC在机械手控制系统中的应用分析研究 机械制造专业

确认删除?
VIP
微信客服
  • 扫码咨询
会员Q群
  • 会员专属群点击这里加入QQ群
客服邮箱
回到顶部